3-КУЛАЧКОВЫЙ ТОКАРНЫЙ ПАТРОН 315 мм DIN6350 FUERDA
- Время доставки: 7-10 дней
- Состояние товара: новый
- Доступное количество: 13
Заказывая «3-КУЛАЧКОВЫЙ ТОКАРНЫЙ ПАТРОН 315 мм DIN6350 FUERDA» данный товар из каталога «Держатели и приспособления для крепления», вы можете получить дополнительную скидку 4%, если произведете 100% предоплату. Размер скидки вы можете увидеть сразу при оформлении заказа на сайте. Внимание!!! Скидка распространяется только при заказе через сайт.
3-КУЛАЧКОВЫЙ ТОКАРНЫЙ ПАТРОН 315 мм . САМОЦЕНТРИРУЮЩИЙ
DK11-315 DIN6350
Номер по каталогу: 07975
торговая марка - ФУЭРДА. ИМПОРТНЫЙ ПРОДУКТ.
Производитель:
TAIZHOU ZHEDONG MACHNIE Tools ACCESSORY CO., LTD
NO.271 HONGXI ROAD, JIAZHI, JIAOJIANG District, город Тайчжоу
p>p>
ЧЖЭЦЗЯН, КИТАЙ .
- СОВЕРШЕННО НОВЫЙ.
- В КОМПЛЕКТЕ ПРАВАЯ, ЛЕВАЯ ЧЕЛЮСТИ, КЛЮЧ
- РУЧКА ИЗГОТОВЛЕНА ПО СТАНДАРТУDIN 6350
Стандарт DIN особенно важен 6350 -это польская стандартизация.
По . настоящего стандарта, расстояние между крепежными винтами в держателе и замке (например, выемка в держателе для выступа отвертки) совместимо с отвертками, используемыми на польском рынке.
Если вы пользуетесь польским токарным станком, то в 99% случаев проблем с установкой державки не должно возникнуть.
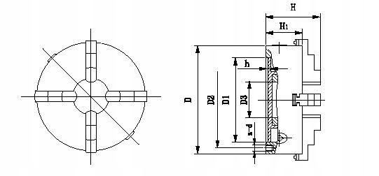
Ниже приведена техническая информация чертеж с размерами:
D - РАЗМЕР РУЧКА
D1 – ДИАМЕТР ЗАМКА
D2 – РАССТОЯНИЕ ВИНТОВ
D3 – ДИАМЕТР ПЕРЕСЕКИ
H1 – ТОЛЩИНА
H - ТОЛЩИНА, ВКЛЮЧАЯ КУЛАЧКИ
ДОПОЛНИТЕЛЬНО ВСПОМОГАТЕЛЬНЫЙ ЧЕРТЕЖ ДЛЯ ПРОВЕРКИ СОВМЕСТИМОСТИ С ЗАВОДНЫМ ДИСКОМ, НА ЧЕРТЕЖЕ РУЧКА ПОКАЗАНА СЗАДИ:
ДЛЯ РАЗМЕРА 315 мм
А - 286 мм
Е – 260 мм
Представляем размеры губок, установленных в ручках Fuerda серии DK11. В комплект, являющийся предметом аукциона, входят внешние и внутренние губки, игубки мягкие можно приобрести дополнительно, их размеры мы представляем в связи с вопросами наших клиентов, которые уже имеют поддельные губки и хотели бы, проверив размеры, убедиться, что губки подойдут они или нет.
