5-СЕКЦІЙНИЙ ГІДРАВЛІЧНИЙ РОЗПОДІЛЮВАЧ 40 л + НОП
- Время доставки: 7-10 дней
- Состояние товара: новый
- Доступное количество: 46
Просматривая «5-СЕКЦІЙНИЙ ГІДРАВЛІЧНИЙ РОЗПОДІЛЮВАЧ 40 л + НОП» данное изделие из «Разделители» вы можете быть уверены, что после оформления заказа, доставки в Украину, вы получите именно то, что заказывали, в оговоренные сроки и европейского качества.
ГИДРАВЛИЧЕСКИЙ РАЗДЕЛИТЕЛЬ, 5 СЕКЦИЙ, 40Л С СОЕДИНИТЕЛЯМИ (НИППЕЛИ)
КОД SKRAW-MET: [8232]
Производитель: SM-G (SKRAW MET GROUP)
В комплект входит:
- 5-секционный гидравлический коллектор, 40 л [1447]
- 2x соединения BSP: 1/2" - M22x1,5 [1388]
- Соединение 10x BSP: 3/8" - M18x1,5 [1707]
Высококачественный моноблочный распределитель отличается компактной конструкцией, стабильной работой и высокой универсальностью.
Он позволяет управлять одним приводом двойного действия или (после подключения одного из порты) привод одностороннего действия.
Возможно последовательное подключение к существующей системе (требуется напорная втулка).
Применение:
Распределитель идеально подходит для машин и устройств с гидравлическим приводом.
Может использоваться в сельском хозяйстве, садоводстве, лесном хозяйстве и строительстве.
Универсальный распределитель, может использоваться в различных типах машин, таких как:
- Циклопы
- Повороты
- Погрузчики
- Плуги
- Вилочные погрузчики и многие другие
Трехпозиционный рычаг (1 - 0 - 2)
- он возвращается в вертикальное положение на пружине
- Нейтральное положение 0 (рычаг установлен вертикально), шток привода стоит - масло уходит в перелив.
- Рабочее положение 1 (рычаг установлен в наклонном положении вперед), шток привода выдвинут.< /li>
- Рабочее положение 2 (рычаг установлен под наклоном назад), шток поршня привода втягивается. < /ul>
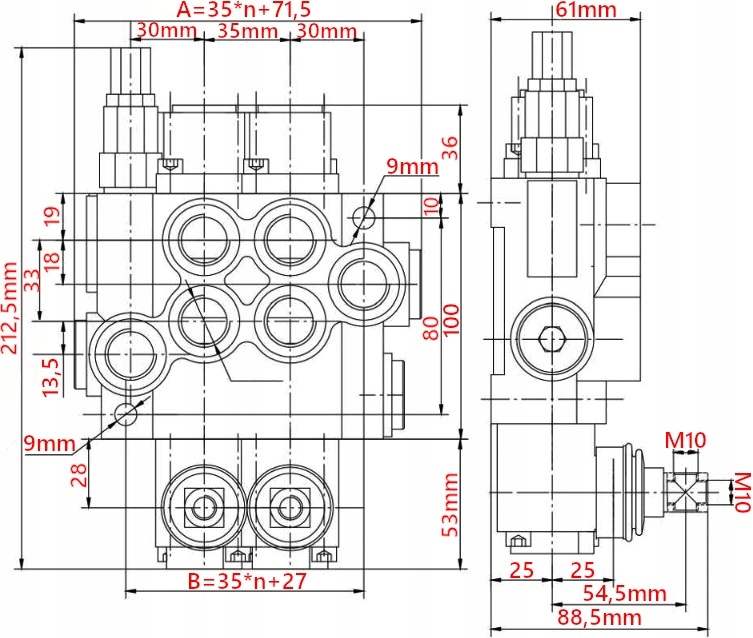
- Питание (P) BSP 1/2''
- Обратка (T) BSP 1 /2''
- Выход в разделы БСП 3/8''
- Подключение БСП 1/2"
Присоединение:
Технические характеристики:
Поток масла: 0–40 л/мин
Максимальное рабочее давление: 250 бар
Допустимая температура окружающей среды: от -40 ℃ до +60 ℃
Допустимая температура масла: от -15 ℃ до +80 ℃
Оснащен предохранительным клапаном.
Схема на фото ниже соответствует одной секции распределителя.
Гидравлические соединения прямые - Ниппели
Производитель: SM-G (SKRAW MET GROUP)
Применяются для соединения основных компонентов гидросистемы с гидролиниями. .
На стороне подключения имеется ED-прокладка, которая полностью герметизирует систему.
Другая сторона отвечает за подключение гидравлической системы. трубопровод или колено. Герметизация происходит после затяжки соединений на самоуплотняющемся конусе. Это обеспечивает полную герметичность системы.
Соединения рассчитаны на ввинчивание в корпус. Их нельзя использовать для соединения двух гидравлических линий. Для этого используются соединители, имеющиеся на других аукционах.
Применение:
Гидравлические соединения идеально подходят для машин и устройств с гидравлическим приводом.
Их можно использовать в сельском хозяйстве, садоводстве, лесном хозяйстве и строительстве.
Соединения предназначены ввинчиваться в корпус, в том числе: насос, распределитель, привод и т. д.
Техническая характеристика ниппелей:
Прямое гидравлическое соединение — ниппель M18x1,5 — G3/8"
- Общая длина: 31,5 мм
- Номинальный диаметр прохода: 10 мм
- Резьба G1 со стороны корпуса: внешняя дюйм 3/8"
- Резьба M2со стороны кабеля: внешний метрический M18x1,5
Прямое гидравлическое соединение - ниппель M22x1,5 - G1/2"< /h2>- Общая длина: 35 мм
- Номинальный диаметр прохода: 11,5 мм
- Резьба G1 на стороне корпуса: внешняя дюйм 1/2"
- Резьба M2 на стороне кабеля: внешний метрический M22x1,5
Угол зажимных конусов: 24° (типично для польского стандарта)
Номинальный давление: 180 бар
Максимальное давление: 230 бар
Тип жидкости: гидравлическое масло
Версия подключения: легкий
Материал:
сталь сварная, оцинкованная, коррозионностойкая р>
