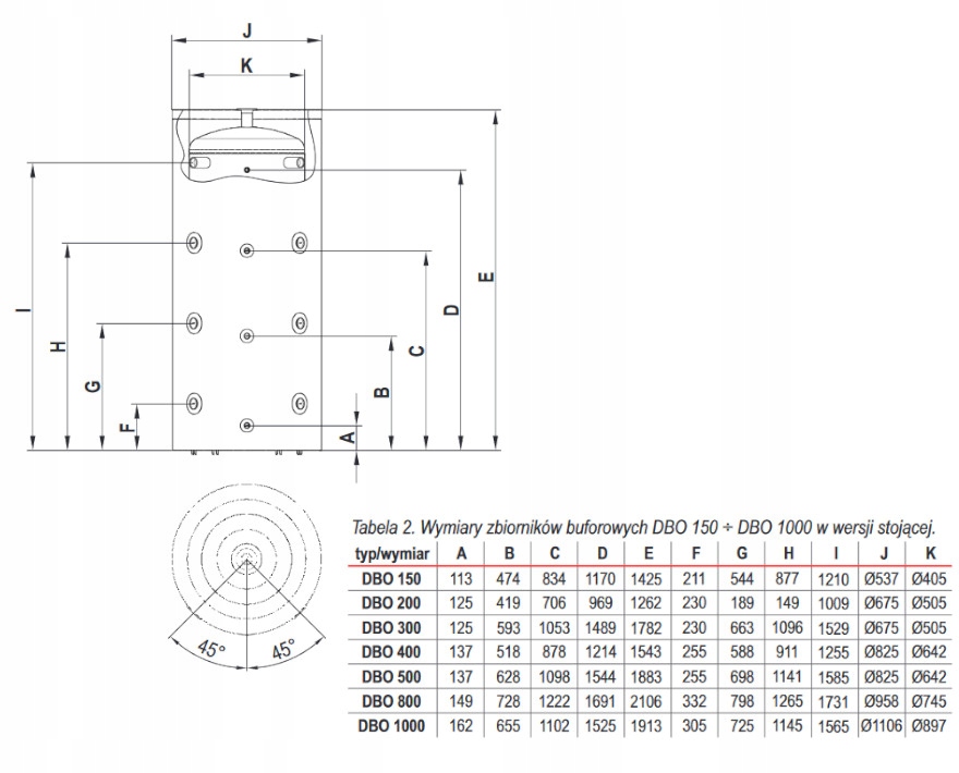
Defro DBO S 800L буферный бак
- Время доставки: 7-10 дней
- Состояние товара: новый
- Доступное количество: 1
Просматривая «Defro DBO S 800L буферный бак», вы можете быть уверены, что данный товар из каталога «Бойлеры» будет доставлен из Польши и проверен на целостность. В цене товара, указанной на сайте, учтена доставка из Польши. Внимание!!! Товары для Евросоюза, согласно законодательству стран Евросоюза, могут отличаться упаковкой или наполнением.
Defro Dbo S Buffer стоящий бак, изолированный для тепловых насосов 800 л
резервуар для накопления (буфер) DBO S* отвечает за накопление, хранение и передачу избыточной теплой нагреваемой воды из различных тепловых источников, таких как: пеллеты, экзо -коал -котлеры, котлеры с обратными заболеваниями или насосы нагрева. Буфер является защитой центральной установки отопления. Я принимаю на себя разницу между тепловой мощностью нагревательных устройств и мощностью, предоставленной системой нагрева. DBO D W* Благодаря разъемам, установленным внизу, его можно легко подключить с нагревательными устройствами, произведенными DefRO.
Теплоизоляция буферов создается слоем полистирольной пены, постоянно прикрепленной к стенам резервуара. Теплоизоляционная крышка изготовлена из пластика. Наши буферы имеют высокий класс энергоэффективности.
s* - Стоя, в* - подвес
Технические данные и в yymary
