BTA 110 AP Защитный насос насоса.
- Время доставки: 7-10 дней
- Состояние товара: новый
- Доступное количество: 40
Оплачивая «BTA 110 AP Защитный насос насоса.» данный товар из каталога «Аксессуары для котлов и печей» вы можете быть уверены, что после оформления заказа, доставки в Украину, вы получите именно то, что заказывали, в оговоренные сроки и европейского качества.
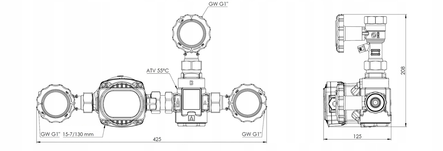
BTA 110 AP Группа защиты возврата ATV с температурным клапаном ATV 55 ° C, Afriso Aph 160
- Максимальное давление: 6 бар
- Клубательное насос: afriso aph 160 15-7/130 мм
- aphriso aph 160 15-7/130 мм
- apriso aph 160 15-7/130 мм
- .
- kvs смешанного клапана: 6 м³/h
Новое на рынке
Готовая гидравлическая система с вращающимся смешанным клапаном ARV Proclick и насосом -насос, сохранения энергии.
Оснащены необходимыми фитингами: три интегрированных термометра, проверьте клапан, встроенный в закрытый клапан с синим термометом, выделенные рукава для датчиков монтажа.
Приложение
Накачивающие группы для защиты возврата котла BTA и бюстгальтера используются в установках нагревательных условий с постоянными котлами. Установлено на возврат из установки. В соответствующих пропорциях они смешивают потоки фактора, защищая котел от коррозии с низкой температурой, возникающей в результате возврата среды при слишком низкой температуре.
Поддержание возвратной температуры на постоянной, указанной производителем котлов, уровень защищает ее от конденсации влаги на водяном сложности и сердцебиение очага через смолу и сагу. Достаточно высокая температура возврата продлевает срок службы котла и повышает его эффективность.
Устройства для защиты возврата температуры должны быть установлены в каждой установке с помощью теплового буфера (накопление бака). Они также рекомендуются для каждого постоянного топливного котла.
Construction
из групп состоят из трех закрытых клапанов со встроенными термометрами, циркуляционным насосом и смешанного клапана. Закрытый клапан с синим термометром оснащен чек -клапаном.
Группа BTA установлена на температурном клапане ATV 225 (номинальная температура 55 ° C).
Технические характеристики
- Соединения GW G1 "
- Рабочее давление макс. 6 бар
- Рабочая температура макс. 90 ° C
- Концентрация гликоля MAX 50%
- Термометры Ø50 мм, 0 ÷ 120 ° C
- Краткосрочный клапан со встроенным контрольным клапаном DN20, PN10
- Afriso Aph 160 15-7/130 мм насоса циркуляции с мощностью (энергопотребление: 4-45W)
- ТЕМПЕРАТУАЛЬНОЕ СМЕРЖАНИЕ КЛАПАН: ATV 225, KV 6 M3/H, 55 ° C, PN10
- . Уплотнения в наборе.
