Электрический гидравлический дистрибьютор 2 SEK 40L 24V + STER Панель. Badestrost
- Время доставки: 7-10 дней
- Состояние товара: новый
- Доступное количество: 128
Просматривая «Электрический гидравлический дистрибьютор 2 SEK 40L 24V + STER Панель. Badestrost», вы можете быть уверены, что данный товар из каталога «[rubrica_name]» будет доставлен из Польши и проверен на целостность. В цене товара, указанной на сайте, учтена доставка из Польши. Внимание!!! Товары для Евросоюза, согласно законодательству стран Евросоюза, могут отличаться упаковкой или наполнением.
Гидравлический дистрибьютор 2 Секция 40L/мин
Электронтифицированный 24 В, контролируемый в комплекте
с панелью управления и лучом кабеля
Производство дистрибьютора:
Оригинальный бренд продукта Blargia, производитель Symbold: 02z50 AS3 24VDC 24VDC 24VDC 24VDC 24VDC 24VDC 24VDC. Символ:
Производство панели:
Оригинальный продукт бренда гидролетра, символ: 1.10.62.002
Применение:
широко используется в гидравтических системах в сельском хозяйстве, фруктах, лесном, лесном, строительном и широком. промышленность
Дистрибьютор адаптирован к различным типам машин, таких как сельскохозяйственный механизм, тракторы, опрыскиватели, повороты, циклы, погрузчики HDS, строительные машины, зарядные устройства, экскаваторы, подметальные машины, промышленные машины и другие устройства с гидравлической системой.
Панель позволяет вам управлять двумя секциями в гидравлическом гидравлическом распределке электрически. Набор кабелей позволяет электрическому соединению коллектора с панелью управления.
Технические данные:
включает в себя дистрибьютор, панель управления с набором проводов и плагинов.
Рекомендуемый поток масла системы: 0 - 40 л/мин. действия
Возможность подключения ряда существующей системы (требуется рукав давления).
control:
Оба трех -позиционных ползунга (1 - 0 - 2), на пружине, то есть они возвращаются в нейтральное положение самостоятельно после отрезания источника питания. В то время как молния находится в нейтральном положении (0), масло свободно проходит через дистрибьютора в возвратный канал, насос затем не работает при давлении и облегчается.
Принцип слайдера:
- Положение 0 Нейтральное (питание для обеих катушек отключено).
- Рабочая позиция (текущая подача только первой катушке) Полезненный поршневой стержень привода.
Общая информация Электрическое коллектор:
Электричество:
Фиксирование источника питания (DC) 24V
Соединение:
- Питание от насоса (P1, P2): внутренняя нить BSP 1/2 ''
- (P1, P2): BSP 1/2 ''
- (P1, P1, P2): BSP 1/2 ''
- (P1, P2): BSP 1/2 ''
- (P1, P2): BSP 1/2 ''
- Срезы (A1, A2, B1, B2): BSP 3/8 '' Внутреннее давление питания.
190 бар при 20 л/мин
200 бар при 30 л/мин
210 бар при 40 л/мин
Наборы для точного измерения давления можно найти в разделе манометра - измерения
Рекомендуется проверить и установить подходящее давление, запуская. 30бар.
Рекомендуется типами масла Agricola:
- Редкое высококачественное масло: лотос агрол Boxol 26
- .
Рекомендуемый диапазон температуры масла:
- Airple C
- Допустимая температура масла: -15 C до +80 C
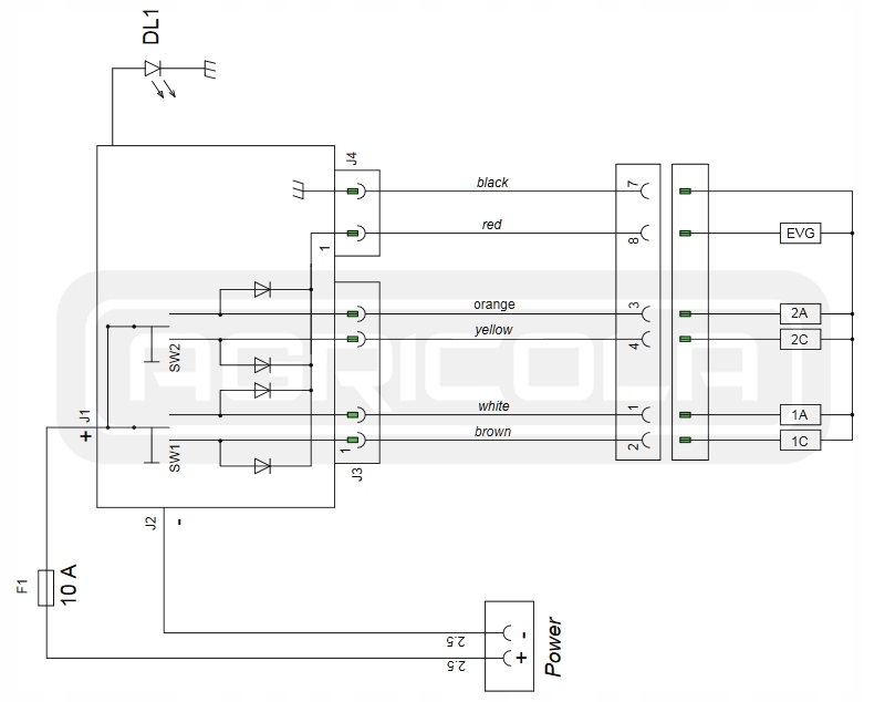
Панель управления общей информацией: h2>
Все переключатели пополнения с автоматической централизацией (1-0-2) без защелки.
Каждая панель продается в наборе с двухметровым кабелем питания и сложным трехметровым кабелем с пробками, соединяющими панель с распределительной панелью. У нас также есть 3M, 6 м или 10 м, протягивающие кабельные наборы, которые доступны на других аукционах.
В положении, прикрепленном любое переключатель, сигнал также вводится также на дополнительную пару кабелей, которые можно использовать для запуска сигнализации предупреждения (рог, петух) или катушке рельефного клапана (CETAT) или насоса через реле.
Электрическая диаграмма панели управления:
