F & F Relay наводнение без PZ-829RC-B-зондов
- Время доставки: 7-10 дней
- Состояние товара: новый
- Доступное количество: 5
Просматривая «F & F Relay наводнение без PZ-829RC-B-зондов», вы можете быть уверены, что данный товар из каталога «[rubrica_name]» будет доставлен из Польши и проверен на целостность. В цене товара, указанной на сайте, учтена доставка из Польши. Внимание!!! Товары для Евросоюза, согласно законодательству стран Евросоюза, могут отличаться упаковкой или наполнением.
F & F PZ-829RC-B-B Level Relay с 2x16a 2NO/NC 230V Регулируемый DIN Ray без PZ2 Song
Описание продукта h2>
- Двойной (мин/макс),
- Регулирование чувствительности,
- 3 x pz2 зонд.
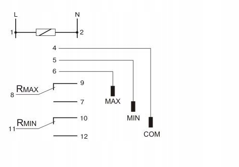
реле PZ-829 обнаруживают наличие жидкостей электрического тока на уровнях зондов затопления. Они поддерживают минимальную и максимальную контролируемую жидкость в диапазоне, определенном пользователем.
action
После снижения уровня жидкости до состояния шахт (то есть открытые электроды мин и com), контакт будет переключен в положение 11-12; Максимальный контакт остается 8-9. После достижения состояния MAX (Compact Electrodes Max и Com), контакт реле переключается на положение 11-10, а макс в положении 8-7.
Как подключить зонды
электродные зонды (3 ПК) подключены с кабелем диаметром вен до 1 мм² и максимальной длиной 100 м.
Внимание!
Термин 4-5-6 отделены от сети.
