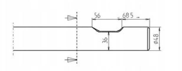
GROT do MŁOTA HYDRAULICZNEGO CATERPILLAR CAT H45DS
Код: 16572296416
15050 грн
Цена указана с доставкой в Украину
Товар есть в наличии
КАК ЭКОНОМИТЬ НА ДОСТАВКЕ?
Заказывайте большое количество товаров у этого продавца
Информация
- Время доставки: 7-10 дней
- Состояние товара: новый
- Доступное количество: 1
Просматривая «GROT do MŁOTA HYDRAULICZNEGO CATERPILLAR CAT H45DS» данный товар из каталога «Молотки» вы можете быть уверены, что после оформления заказа, доставки в Украину, вы получите именно то, что заказывали, в оговоренные сроки и европейского качества.
