Карбюратор Makita для бензонагнетателя EB5300T
- Время доставки: 7-10 дней
- Состояние товара: новый
- Доступное количество: 12
Просматривая «Карбюратор Makita для бензонагнетателя EB5300T» данный товар из каталога «Карбюраторы для мотоциклов» вы можете быть уверены, что после оформления заказа, доставки в Украину, вы получите именно то, что заказывали, в оговоренные сроки и европейского качества.
/ Карбюратор Makita для бензонагнетателя EB5300TH
- Производитель: Makita
- Код производителя: 161517-9
- Позиция на схеме: 220 - EB5300TH
Применение:
Бензиновый вентилятор
- EB5300
- EB5300T
- EB5300TH
Перечень запчастей для EB5300TH
Позиция на схеме, Каталожный номер, Описание, Количество
001 ; 412144-8 ; Локоть 1
002; 213645-7 ; Уплотнительное кольцо 94 1
003 ; 852В99-1 ; Этикетка с серийным номером 1
005 ; 803Т61-7 ; Предупреждающая этикетка 1
006 ; 801Д19-4 ; Этикетка с серийным номером 1
008 ; 457098-2 ; Передняя спиральная крышка 1
010 ; 922343-9 ; Винт с шестигранной головкой M6X25 WR 6
011 ; 240170-5 ; Вентилятор 243 1
012 ; 922343-9 ; Винт с шестигранной головкой M6X25 WR 4
013 ; 457099-0 ; Задняя спиральная крышка 1
014 ; 266420-0 ; Саморез с монтажной головкой 5Х20 10
017 ; 232328-0 ; Пружина сжатия 22 2
018 ; 454904-2 ; Держатель пружины B 2
019 ; 922223-9 ; Винт с шестигранной головкой M5X16 WR 2
022 ; 232329-8 ; Пружина сжатия 22 2
023 ; 454904-2 ; Держатель пружины B 2
024 ; 922223-9 ; Винт с шестигранной головкой M5X16 WR 2
025 ; 161544-6 ; Бандаж R комплект М 1
025-1 ; 162506-7 ; Группа R, набор M 1
026 ; 161543-8 ; Повязка на голову L комплект M 1
026-1 ; 162505-9 ; Повязка на голову L комплект M 1
027 ; 266420-0 ; Саморез с монтажной головкой 5Х20 5
028 ; 144360-1 ; Комплект крышек двигателя M 1
C18 ; 98343-0 ; Предупреждающая этикетка 1
029 ; 424909-6 ; Крышка разъема 1
030 ; 424620-0 ; Амортизатор 2
031 ; 163532-9 ; Фильтр 1
032 ; 345920-4 ; Хомут 1
033 ; 123788-6 ; Топливопровод в сборе 1
034 ; 168396-6 ; Воздухоотводчик 1
035 ; 424505-0 ; Втулка топливопровода 1
036 ; 412120-2 ; Топливопровод 3-370 1
037 ; 412114-7 ; Топливопровод 3-370 1
038 ; 422137-7 ; Крышка трубки 20-102 1
039 ; 125728-0 ; Крышка топливного бака в сборе 1
039-1 ; 127112-5 ; Крышка топливного бака в сборе 1
044 ; 457086-9 ; Топливный бак 1
046 ; 457097-4 ; Кадр 1
048 ; 922223-9 ; Винт с шестигранной головкой M5X16 WR 2
052 ; 6672500300 ; ЗАКЛЕПКА 4
052-1 ; 458158-3 ; Заклепка 6 4
053 ; 161567-4 ; Поясной ремень 1
054 ; 6672500300 ; ЗАКЛЕПКА 2
054-1 ; 458158-3 ; Заклепка 6 2
055 ; 424678-9 ; Резиновое кольцо 25 1
059 ; 810455-9 ; Предупреждающая табличка 1
060 ; 266326-2 ; Саморез с монтажной головкой 4Х18 5
061 ; 183Ф27-2 ; Комплект корпусов рычагов 1
062 ; 632Дж31-7 ; Кабельный модуль А 1
063 ; 632J60-0 ; Кабельный модуль Б 1
064 ; 457105-1 ; Труба гофрированная 1
065 ; 231469-9 ; Пружина сжатия 4 1
066 ; 454899-9 ; Рычаг дроссельной заслонки А 1
067 ; 168843-7 ; Трос газа 1
068 ; 252126-6 ; Гайка крепления винта с внутренним шестигранником M4-7 1
069 ; 454924-6 ; Переключатель рычага акселератора 1
070 ; 454900-0 ; Рычаг дроссельной заслонки B 1
073 ; 922138-0 ; Винт с шестигранной головкой M4X20 WR 1
074 ; 183Ф27-2 ; Комплект корпусов рычагов 1
075 ; 265762-9 ; Винт с накатанной головкой M5X30 1
076 ; 253052-2 ; Шайба 12 1
077 ; 232330-3 ; Листовая рессора 1
078 ; 232331-1 ; Листовая рессора 1
090 ; 282025-8 ; Хомут 100 1
091 ; 454934-3 ; Гибкая труба 1
092 ; 282025-8 ; Хомут 100 1
093 ; 161653-1 ; Поворотная трубка - комплект 1
094 ; 456400-6 ; Держатель кабеля 1
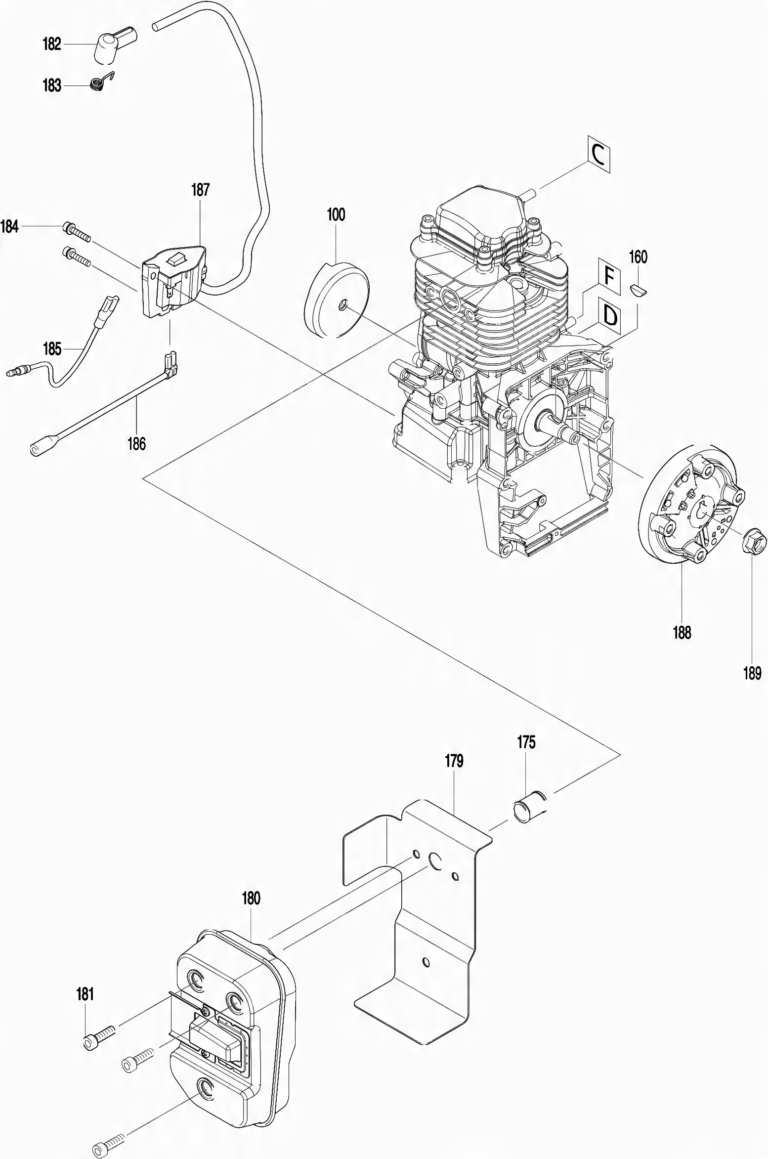
100 ; 5975500000 ; ШКИВ 1
100-1 ; 161599-1 ; Шкив 1
101 ; 922233-6 ; Винт с шестигранной головкой
Л.СЗ
