Контролер перекидання, комплект контролю повітря
Код: 9964242976
8683 грн
Цена указана с доставкой в Украину
Товар есть в наличии
КАК ЭКОНОМИТЬ НА ДОСТАВКЕ?
Заказывайте большое количество товаров у этого продавца
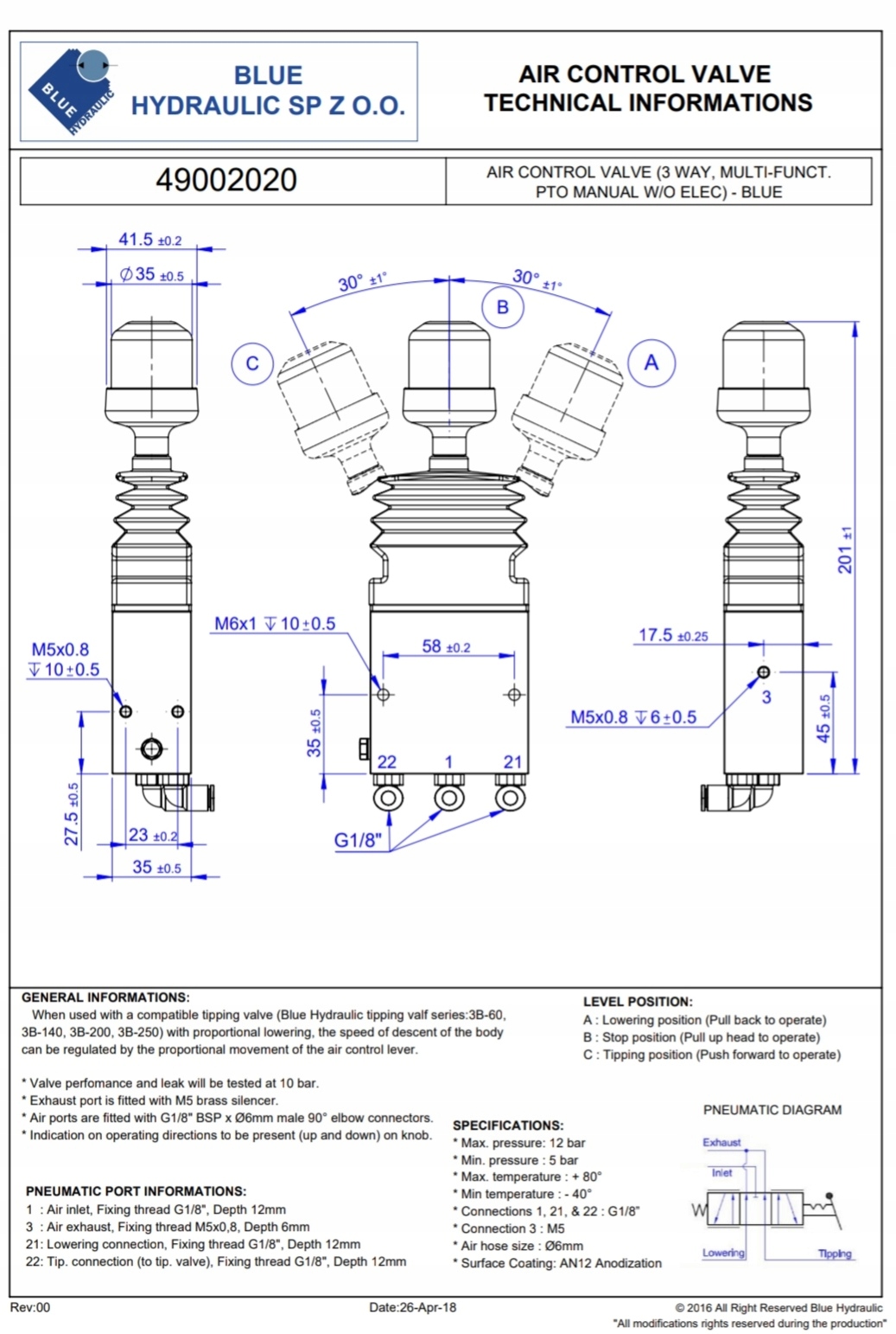
Информация
- Время доставки: 7-10 дней
- Состояние товара: новый
- Доступное количество: 14
Оплачивая «Контролер перекидання, комплект контролю повітря» данный товар из каталога «Силовая гидравлика», вы можете получить дополнительную скидку 4%, если произведете 100% предоплату. Размер скидки вы можете увидеть сразу при оформлении заказа на сайте. Внимание!!! Скидка распространяется только при заказе через сайт.
Многосекционные контроллеры используются для управления многими действиями, например, опрокидыванием и открытием задней двери или управлением крюком.
Включено:
<ул>Тип Мейлера
* Макс. давление: 12 бар
* Минимальное давление: 5 бар
* Макс. температура: + 80°
*Мин.температура: - 40°
* Соединения 1, 21 и 22: G1/8”
* Соединение 3: M5
* Размер воздушного шланга: Ø6 мм
* Покрытие поверхности: анодирование AN12
