Контроллер зарядки литиевой батареи
- Время доставки: 7-10 дней
- Состояние товара: новый
- Доступное количество: 976
Просматривая «Контроллер зарядки литиевой батареи», вы можете быть уверены, что данный товар из каталога «Модули» будет доставлен из Польши и проверен на целостность. В цене товара, указанной на сайте, учтена доставка из Польши. Внимание!!! Товары для Евросоюза, согласно законодательству стран Евросоюза, могут отличаться упаковкой или наполнением.
Контроллер-регулятор зарядки
Литиевые и литий-свинцово-кислотные аккумуляторы напряжением 6В - 60В
Модуль контроллера - регулятор процесса зарядки с защитой заряда литиевых и литий-свинцово-кислотных аккумуляторов. Как мы знаем, уровень заряда аккумулятора можно определить, исследовав его выходное напряжение. Чем выше напряжение, тем выше заряд аккумулятора. Предлагаемый модуль регулятора заряда позволяет управлять зарядным устройством (источником питания) для поддержания соответствующей емкости аккумулятора. Система оснащена защитой от перегрузки. Модуль питается от заряженного аккумулятора. Устройство имеет встроенный дисплей, информирующий о текущем уровне напряжения аккумулятора. Модуль позволяет устанавливать минимальное и максимальное напряжение. Дополнительно система оснащена светодиодом, сигнализирующим о включении реле.
технические данные:
- Модуль контроллера XH-M604 – аккумулятор регулятор процесса зарядки
- входное напряжение: от 6 В до 60 В
- погрешность выходного напряжения ± 0,1 В
- разрешение: 0,1 В
- максимальная нагрузка реле:
▶ 30А 250В переменного тока или 30А 30В постоянного тока
▶ реле: SLA-05VDC-SL-A
- Светодиодный дисплей
- Светодиодный индикатор включения реле
- Регулировка максимального и минимального напряжения
- Кнопки управления
▶ ПУСК (печать 启动)
▶ STOP (печать 停止)
- разъемы клеммной колодки для завинчивания кабелей
- профессионально изготовленные печатная плата PCB с металлизацией отверстий
- размеры 81x54x22 мм
Способ работы:
При напряжении аккумулятора напряжение падает ниже минимума, реле включается (горит красный светодиод). Затем при достижении максимального напряжения реле размыкается, светодиод гаснет и аккумулятор перестает заряжаться.
Регулировка параметров:
Минимальное напряжение: нажмите кнопку, чтобы отобразить текущее напряжение начала зарядки, удерживайте кнопку в течение 3 секунд, и на дисплее появится начать прошивать; используйте кнопки «Пуск» и «Стоп», чтобы отрегулировать значение начального напряжения.
Максимальное напряжение: нажмите кнопку, чтобы отобразить текущее конечное напряжение зарядки, удерживайте кнопку в течение 3 секунд, и дисплей запустится. мигание; используйте кнопки «Пуск» и «Стоп», чтобы отрегулировать значение конечного напряжения.
Заводские настройки: одновременно нажмите обе кнопки, когда на дисплее появится «888», восстановление прошло успешно.
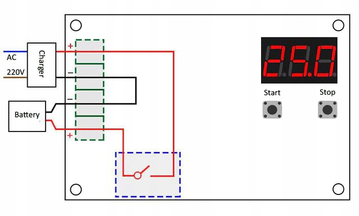
Способ подключения:
На рисунках ниже схематически показан способ подключения модуля управления процессом зарядки. Входное напряжение – к входу модуля подключается источник зарядки двигателя постоянного тока, солнечного элемента, фотогальваники, солнечной панели, солнечной панели или сетевого зарядного устройства. Вывод непосредственно на заряжаемую батарею. Очень важно соблюдать соответствующую полярность. На фотографиях красная линия — это плюсовое напряжение, а черная — минус.
