Одно цепное колесо 15 зубов 1/2 "цепь 08 B-1 отверстие 25 мм SE121525
- Время доставки: 7-10 дней
- Состояние товара: новый
- Доступное количество: 100
Просматривая «Koło łańcuchowe pojedyncze 15 zębów 1/2" łańcuch 08 B1 otwór 25mm SE121525», вы можете быть уверены, что данный товар из каталога «[rubrica_name]» будет доставлен из Польши и проверен на целостность. В цене товара, указанной на сайте, учтена доставка из Польши. Внимание!!! Товары для Евросоюза, согласно законодательству стран Евросоюза, могут отличаться упаковкой или наполнением.
Предмет объявления:
Одно цепное колесо 15 зубов 1/2 "цепь 08 B-1 отверстие 25 мм kramp
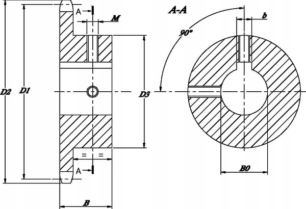
Тип: сингл
Размер цепи: 08 b-1
Количество зубов: 15
состоит из: - цепное колесо
- 2 регулировочные винты
Рабочий диаметр: 61,09 мм
Внешний диаметр: 65,9 мм
Ширина зуба: 7,2 мм
Ширина: 28 мм
Тип хаба: концентратор на одной стороне
Диаметр хаба: 45 мм
Диаметр отверстия: 25 мм
отверстие: да
Материал: сталь C45
Твердость зуба: HRC 45-55
Ширина входа/клина: 8 мм
Диаметр резьбы крепления: M6
Можно отправить курьерским языком
Мы доступны с понедельника по субботу!
sku:
