НАБІР ЗАМЕЛ АКТИВНЕ НАВАНТАЖЕННЯ ECO-RES-PV EKO-01
- Время доставки: 7-10 дней
- Состояние товара: новый
- Доступное количество: 15
Оплачивая «НАБІР ЗАМЕЛ АКТИВНЕ НАВАНТАЖЕННЯ ECO-RES-PV EKO-01» данный товар из каталога «Фотовольтаїка» вы можете быть уверены, что после оформления заказа, доставки в Украину, вы получите именно то, что заказывали, в оговоренные сроки и европейского качества.
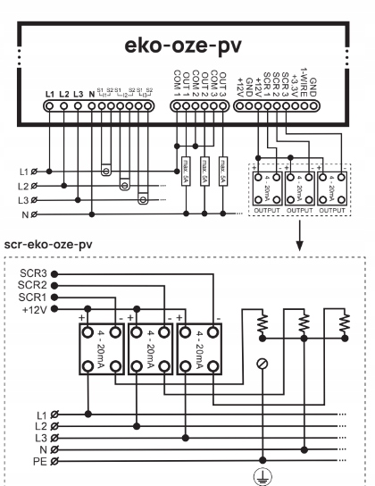
eko-oze-pv НОВИНКА!!!
Оптимизатор работы фотоэлектрических микроустановок.
Продукт оптимизирует рабочие параметры устройства, подключенные к нему
электроприемники, чтобы они создавали модулированную нагрузку в моменты скачков напряжения, которые могут привести к отключению инвертора.
Для реализации этой функции используется eko-oze В устройствах -pv используются ПИД-регуляторы, которые постоянно контролируют уровни напряжения и температуры, реагируя на изменения в режиме реального времени.
ХАРАКТЕРИСТИКИ
• Три релейных выхода 10 А
• Три токовых выхода 4–20 мА
• Вход для измерения температуры 1-WIRE
• Настройка через Wi-Fi
• 3-фазное измерение энергетических параметров
• Интеграция MQTT с Home Assistant
• Бесплатное мобильное приложение
В комплект эко-оз-пв входят:
• измерительная часть – контролирует напряжение на отдельных фазах в режиме реального времени,
• исполнительная часть – оснащенная однофазным регулятор с входным аналоговым (SCR – 25А) – управляет нагрузкой подключенного приемника,
• трансформаторы тока – используются для анализа всех важных параметров электрической сети,
• цифровые датчик температуры – для бака ГВС. Когда устройство распознает повышение напряжения, которое может привести к превышению уровня, установленного при настройке, оно активирует подключенный ресивер – чаще всего бак ГВС с электронагревателями. При работе такого приемника создается резистивная нагрузка, способствующая локальному снижению напряжения. Исполнительная часть комплекта эко-озе-пв управляет подключенным ресивером таким образом, чтобы модулировать создаваемую им нагрузку пропорционально текущему спросу. Благодаря этой рабочей характеристике процесс снижения напряжения можно растянуть во времени, чтобы обеспечить непрерывную работу фотоэлектрической установки в течение многих часов воздействия повышенного напряжения.
Гарантия
механические повреждения, возникшие в результате транспортировки, погрузки/разгрузки или других обстоятельств;
ущерб, возникший в результате неправильной установки или эксплуатации продукции ZAMEL Sp. z o. o.;
ущерб, возникший в результате любых модификаций, внесенных ПОКУПАТЕЛЕМ или третьими лицами в отношении продаваемой продукции или устройств, необходимых для правильного функционирования продаваемой продукции;
ущерб, возникший в результате от форс-мажорных обстоятельств или других случайных событий, по которым ZAMEL Sp. з о.о. не несет ответственности.
