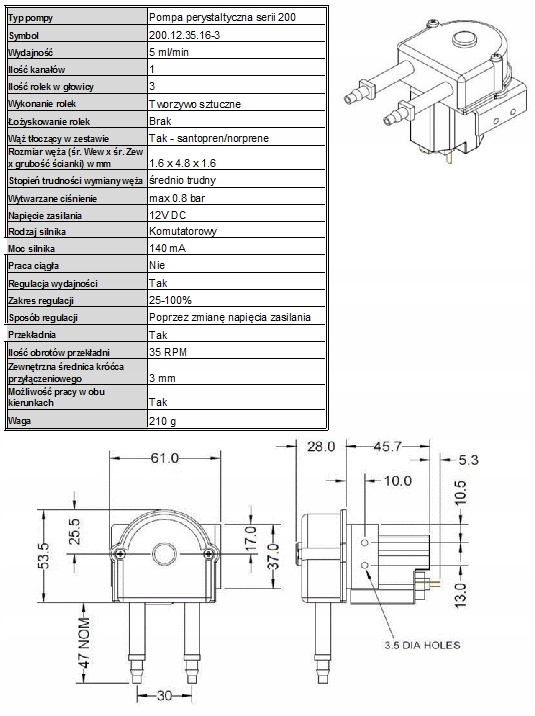
Перистальтическая пропускная способность дозирования 5 мл/мин 12 В постоянного тока
- Время доставки: 7-10 дней
- Состояние товара: новый
- Доступное количество: 30
Просматривая «Перистальтическая пропускная способность дозирования 5 мл/мин 12 В постоянного тока», вы можете быть уверены, что данный товар из каталога «[rubrica_name]» будет доставлен из Польши и проверен на целостность. В цене товара, указанной на сайте, учтена доставка из Польши. Внимание!!! Товары для Евросоюза, согласно законодательству стран Евросоюза, могут отличаться упаковкой или наполнением.
миниатюрный перистальтический насос ведущего европейского производителя Уильямсона.
Дозирующий насос - Перистальтический, фиксированный сплошным с помощью напряжения 12 В постоянного тока, с емкостью 5 мл/мин, оснащенным шлангом норпрены высочайшего качества.
Широкий диапазон жидкости. Как и все перистальтические насосы, они обладают отличными всасывающими свойствами (до 5 м) и поднимаются до 10 м.
Эти насосы характеризуются очень высокой точностью и повторением доз, устойчивы к коррозии и просты в чистке. Кофейные машины
- промышленные посудомоечные машины в качестве насоса, который служит моющим средствам
- в молочной промышленности
- как устройство, которое загружает жидкости для анализаторов
- как химический дозатор для бассейнов
- в медицине
- как насосы, которые рассеивают в карте.
Насосы серии 200 доступны во многих вариантах производительности (от 1 мл/мин до 356 мл/мин). Если вы заинтересованы в другом варианте производительности, проверьте другие наши предложения.
