Мощный электромобильный моторбой 71B5 I = 80
- Время доставки: 7-10 дней
- Состояние товара: новый
- Доступное количество: 1
Просматривая «Мощный электромобильный моторбой 71B5 I = 80», вы можете быть уверены, что данный товар из каталога «Электродвигатели и малолитражки» будет доставлен из Польши и проверен на целостность. В цене товара, указанной на сайте, учтена доставка из Польши. Внимание!!! Товары для Евросоюза, согласно законодательству стран Евросоюза, могут отличаться упаковкой или наполнением.
Электрический двигатель Transport/ Motorductor с воротником 71B5 H1> Code Met: [3511] H2> Производитель: SM-G (группа Schew Met) H2> Символ: PM-075 H2> Тип.
Производитель: SM-G (группа Schew Met) H2> Символ: PM-075 H2> Тип.
Тип.
Motionuctor - это электромеханическая система привода, задача которой состоит в том, чтобы изменить скорость и крутящий момент. Они были разработаны как модульная система для систем кормления на птицеводческих фермах.
, посвященный приводам привода электродвигателя MS 71 с воротником закрепления ( b5 ) и приводной ролик φ14 мм. Двигатели с тормозами, двигателями в анти -точке, двигателях, работающих на инверторах, серваторах, двигателях МЭК и т. Д.
Основные особенности:
- Чрезвычайно долговечный , очень хорошее качество
- Идеальное тепло рассеяние обеспечивает непрерывную работу при нагрузке
- Это гарантирует без ошибок.
он идеально подходит в качестве замены для автомобильных компаний, таких как:
- nmrv motovario
- wmi stm
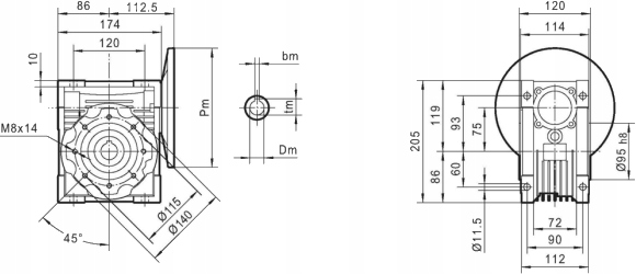
Техническая спецификация:
- pm: 160 мм
- dm: 14 мм
- bm: 5mm
- tm: 16,3 мм
