Прокладка коленчатого вала Makita для EK6100 PC6112
- Время доставки: 7-10 дней
- Состояние товара: новый
- Доступное количество: 1
Оплачивая «Прокладка коленчатого вала Makita для EK6100 PC6112», вы можете быть уверены, что данное изделие из каталога «Прокладки» будет доставлено из Польши и проверено на целостность. В цене товара, указанной на сайте, учтена доставка из Польши. Внимание!!! Товары для Евросоюза, согласно законодательству стран Евросоюза, могут отличаться упаковкой или наполнением.
/Makita Crze Seal Gallation для EC6101 Мебель более светлая
Прокладка Crank Case
- > Makita
- Код производителя: 346966-3/ 315111030
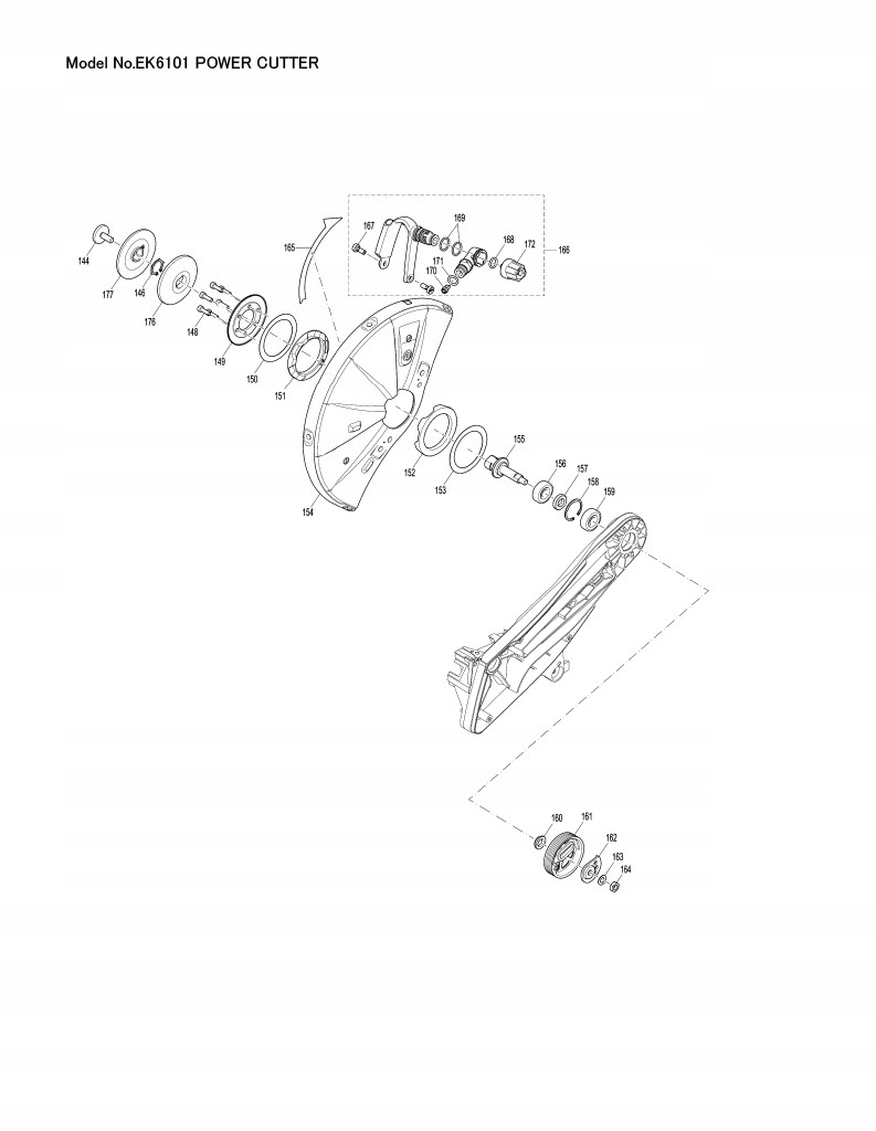
- Положение на диаграмме: 124 - ek6101
Приложение: < /B>
Фалин Каттер Makita
- ek6100
- ek6101
< B> Dolmar Diesel Cutter
- pc6112
Список частей для EK6101
Положение на диаграмме, номер каталога, описание продукта, количество:
001 ; 123476-5 Внутреннее корпус снаряжения KPL; 1
002; 143445-0 Вспомогательный клапан; 1
003; 424170-5 клапан; 1
004; 213829-7 Вкл/выключение 17 крышки переключения; 2
005; 852C57-3 EK6101 крышки стержней; 1
006; 264108-6 квадратная гайка M5; 5
007; 456295-7 открытое покрытие ручки; 1
008; 266478-9 KPL 5,5x16 Рычанная пластина; 1
009; 424781-6 Плоская пружина стартера; 1
010; 163499-1 всасывающая головка; 1
011; 424782-4 бумажные пакеты; 1
012; 213826-3 ВКЛ/OFF 13 Крышка переключателя; 1
013; 213827-1 на переключателе включен/выключен 20; 1
014; 456299-9 Крышка с обратной стороной; 1
015; 141378-3 Танк-крышка завершена; 1
016; 213080-9 Вкл/выключение 29,5 крышки коммутатора; 1
017; 346958-2 нижний лист; 1
018; 266991-7 KPL 5x15 Рычанная пластина; 4
019; 266605-8 M5X16 Дистанционная плитка; 2
020; 143461-2 нога стенда; 2
021; 266950-1 Дистанционная пластина M6X14; 2
022; 143442-6 двойной кронштейн (стена); 1
023; 143460-4 нога стенда; 1
024; 143462-0 нога стенда; 1
025; 266950-1 Дистанционная пластина M6X14; 1
026; 266475-5 KPL 5,5x20 Рычанная пластина; 2
028; 456297-3 Klin; 1
029; 266990-9 M6x35 Дистанционная плитка; 1
030; 319369-4 Стандартная поддержка; 1
031; 424788-2 нога; 1
032; 266475-5 KPL 5,5x20 Рычанная пластина; 2
033; 424781-6 Плоская пружина стартера; 2
034; 143451-5 Крышка фильтра; 1
035; 266947-0 Дистанционная пластина M5X14; 2
036; 807L79-2 Предупреждающий ярлык; 1
037; 807F55-0 Предупреждающий этикетка; 1
038; 807F56-8 Следующая крышка коммутатора; 1
039; 424789-0 воздушный фильтр; 1
040; 143490-5 набор крышки; 1
041; 266605-8 M5X16 Дистанционная плитка; 5
042; 264108-6 квадратная гайка M5; 2
043-1; 422201-4 впускной коллектор герметизации; 1
044; 456291-5 коллекционер; 1
045; 346957-4 кнанов; 1
046; 456292-3 канал; 1
047; 264119-1 гексагональный орех M4; 4
048; 456294-9 Венозная голова; 1
049; 233631-2 герметизирующие рукава; 1
050; 456293-1 Постижение с грибной головой; 1
051; 326621-3 Быстрый винт с плоской головкой и 6-ударом; 1
052; 168398-2 Primer Pump; 1
053; 424785-8 Viton Tube L = 122 мм; 1
054; 424783-2 Витоновая трубка L = 40 мм; 1
055; 424784-0 Витонная трубка L = 84 мм; 1
056; 424786-6 Витонная трубка L = 200 мм; 1
057; 424787-4 трубка. Viton 10x6 L = 82 мм; 1
058; 346956-6 трансмиссионного ремня; 1
059; 346955-8 набор ремней для плеча; 1
060; 143440-0 Промежуточная стена кап. 1
062; 424780-8 разделяющая крышка сита; 1
064; 424777-7 всасывающая труба; 2
065; 346867-5 цилиндра Plate KPL; 1
066; 424778-5 ручка прокладка; 1
068; 143439-5 Кровь; 1
069; 424795-5 Регулирующая плитка; 1
070-1; 326770-6 Крышка с обратной стороной; 1
071-1a; 251577-0 H.L. Болт головки гнезда M5X16; 2
071-1d; 251577-0 H.L. Болт головки гнезда M5X16; 2
072-1a; 251577-0 H.L. Болт головки гнезда M5X16; 2
072-1d; 251577-0 H.L. Болт головки гнезда M5X16; 2
073; 346951-6 Кабельный клапан; 1
074; 310674-2 Предел клапана; 1
075; 266985-2 M4X8 дистанционная плитка; 1
076; 346959-0 Кулка Сталова; 1
077; 346876-4 запечатывание глушителя; 1
078; 161392-3 набор глушителя; 1
080; 266605-8 M5X16 Дистанционная плитка; 3
<