ЗУБЧАТЫЙ РЕМЕНЬ BOSCH ДЛЯ GHO 14.4V 18V PHO 1 15-82 ОРИГИНАЛ 2604736001
- Время доставки: 7-10 дней
- Состояние товара: новый
- Доступное количество: 1
Оплачивая «ЗУБЧАТЫЙ РЕМЕНЬ BOSCH ДЛЯ GHO 14.4V 18V PHO 1 15-82 ОРИГИНАЛ 2604736001», вы можете быть уверены, что данный товар из каталога «Ручки» будет доставлен из Польши и проверен на целостность. В цене товара, указанной на сайте, учтена доставка из Польши. Внимание!!! Товары для Евросоюза, согласно законодательству стран Евросоюза, могут отличаться упаковкой или наполнением.
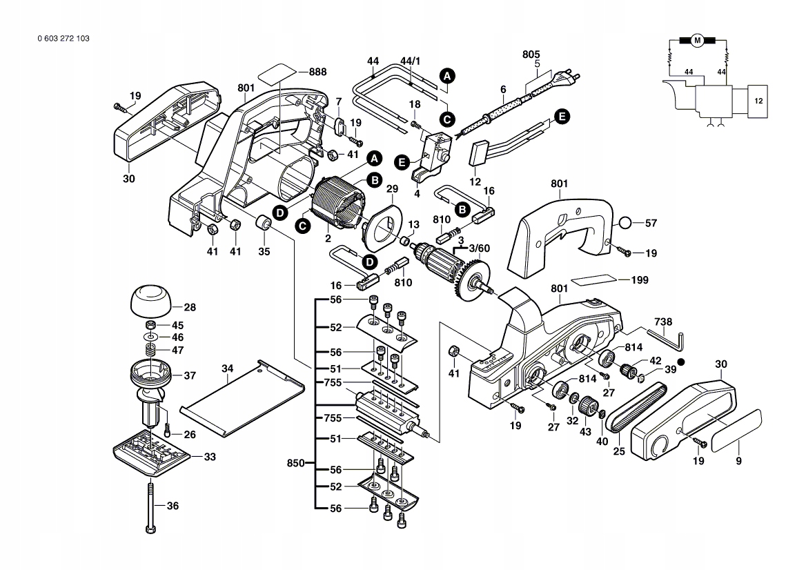
Зубчатый ремень Bosch для строгального станка
Каталоговый номер: 2 604 736 001
Все детали, представленные на моих аукционах, поступают от официального дистрибьютора Bosch. Это новые, неиспользованные и оригинальные товары.
Технические данные:
- Производитель: Bosch
- Каталоговый номер: 2.604.736.001
- Пункт на схеме: 25
- Ширина: 12 мм
- Длина: 225 мм
- Количество зубьев: 75
Изготовить Если вы уверены, что представленная деталь подойдет к вашему устройству, сравните каталожный номер инструмента со списком ниже. Каталожный номер можно найти на паспортной табличке устройства. Номер состоит из 10 цифр и представлен в формате X XXX XXX XXX.
Подходит:
- 0 601 595 420 GHO 14,4 В
- 0 603 272 003 PHO 100
- 0 603 272 103 PHO 15–82
- 0 603 272 160 PHO 15-82
- 0 603 272 203 PHO 1
- 0 603 272 208 PHO 1
- 0 603 365 003 PHO 16-82
- 0 603 365 008 PHO 16-82
- 0 603 365 060 PHO 16-82
- 0 603 997 989 PHO 1
- 3 601 E95 300 GHO 18 V
- 3 601 EA0 300 GHO 18 V-LI
- 3 601 EA0 301 GHO 18 V-LI
- 3 603 BA4 000 PHO 1500
- 3 603 BA4 100 PHO 2000
Комплект поставки:
- Зубчатый ремень Bosch (2604736001) - 1 шт.
