Ротатор Baltrotors GR30 3T Fassi HDS SWIVEL
- Время доставки: 7-10 дней
- Состояние товара: новый
- Доступное количество: 6
Приобретая «Ротатор Baltrotors GR30 3T Fassi HDS SWIVEL» данный товар из каталога «Лесоводство» вы можете быть уверены, что после оформления заказа, доставки в Украину, вы получите именно то, что заказывали, в оговоренные сроки и европейского качества.
РОТАТОР BALTROTORS GR30 3 ТОННЫ
Лучшее соотношение цены и качества!
Вращатель GR30 от известного бренда Baltrotors имеет максимальную статическую нагрузку 3 тонны и неограниченное вращение. Поворотная головка имеет стандартизированные размеры, подходящие для большинства кранов и аксессуаров. Продукция Baltrotors пользуется исключительно хорошей репутацией на рынке благодаря своей безотказной работе даже в тяжелых условиях работы. Ротатор предназначен для работы с автокраном и принадлежностями, такими как грейфер, ковш или паллетная вилка.
ТЕХНИЧЕСКИЕ ХАРАКТЕРИСТИКИ
- Вращение: неограниченное
- Максимальная осевая нагрузка (статическая): 30 кН li>
- Максимальная осевая нагрузка (динамическая): 15 кН
- Крутящий момент (при 25 МПа): 1000 Нм li>
- Рекомендуемый расход масла: 20 л/мин
- Вес: 15 кг
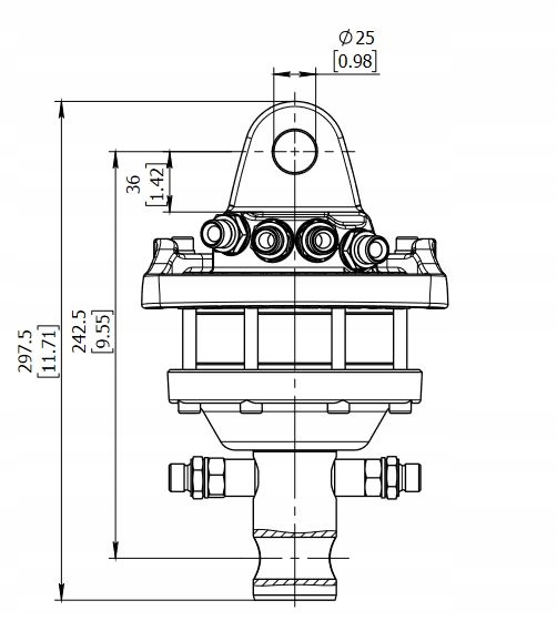
- Верхнее крепление (под разъем): ширина - 60 мм, диаметр отверстия - ø 25 мм.
- Нижнее крепление (аксессуары): диаметр штифта - ø 49,5 мм, диаметр отверстия - ø 25 мм
МАКСИМАЛЬНОЕ РАБОЧЕЕ ДАВЛЕНИЕ
- Ротатор <- R ->: максимум 25 МПа (G 3/8 дюйма)
- Открытие захвата/навесного оборудования <- G ->: максимум 20 МПа (G 3/8 дюйма)
- Закрытие захвата/навесного оборудования -> G <-: максимум 30 МПа (G 3/8 дюйма)
ТЕХНИЧЕСКИЙ ЧЕРТЕЖ
Легенда
R - поворот
O - открытие захвата
Z - закрытие ручки
