Шпиндель Makita до бензопили UC3051A
- Время доставки: 7-10 дней
- Состояние товара: новый
- Доступное количество: 5
Просматривая «Шпиндель Makita до бензопили UC3051A», вы можете быть уверены, что данный товар из каталога «шпиндели» будет доставлен из Польши и проверен на целостность. В цене товара, указанной на сайте, учтена доставка из Польши. Внимание!!! Товары для Евросоюза, согласно законодательству стран Евросоюза, могут отличаться упаковкой или наполнением.
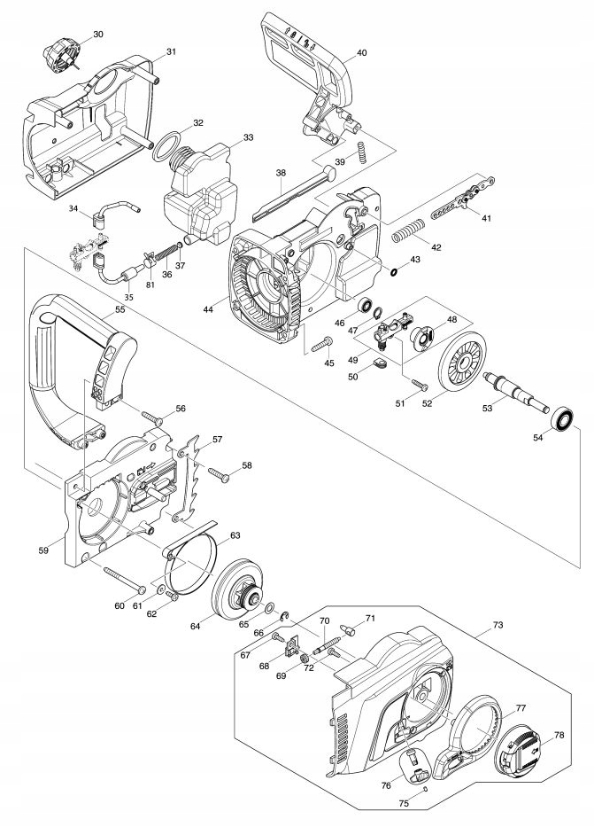
/Шпиндель Makita для электропилы/бензопилы
- Производитель: Makita
- Код производитель : 326373-6
- Позиция на схеме: 53 — UC3551A
Применение
Электрическая пила/цепная пила Makita
- UC3551A
- UC4051A b>
- UC4051A b>
- UC4050A
- UC3050A
- UC3051A
- UC3550A
Электропила/бензопила Dolmar p>
- ES2136
- ES2136TLC
Перечень запчастей для UC3551A
Позиция на схеме, Каталожный номер, Описание, Количество
001 ; 931403-6 ; ШЕСТИГРАННИК. ГАЙКА М8 ; 1
002 ; 227626-5 ; Шестерня передачи 12 ; 1
003 ; 211111-8 ; ШАРИКОВЫЙ ПОДШИПНИК 6301LLB ; 1
004 ; 240003-4 ; Вентилятор 80; 1
005 ; 517904-4 ; Комплект роторов электродвигателя 240В ; 1
006 ; 681666-1 ; Смола подушечка; 1
007 ; 210084-2 ; ШАРИКОВЫЙ ПОДШИПНИК 629ZZ ; 1
008 ; 266095-5 ; Саморез с выпуклой головкой ПТ 5Х55; 2
009 ; 419410-4 ; Накладка на порог рулевого управления; 1
010-1 ; 520156-8 ; ПОЛЕВОЙ СБОР 240В ; 1
С10 ; 654020-2 ; Кольцевой зажим 36L ; 2
С20 ; 654501-6 ; Разъем неизолированный П-1,25; 2
С30 ; 654207-6 ; Выход ; 1
011 ; 650577-1 ; Переключатель СД-006-ББ2АА-АА; 1
012 ; 142348-5 ; Комплект кожуха двигателя; 1
С11 ; 643536-2 ; Держатель угольных щеток 6,5Х13,5 ; 2
013 ; 815Ф99-6 ; Паспортная табличка UC3551A ; 1
014 ; 233173-6 ; Нажимная пружина 4 ; 1
015 ; 416178-3 ; КНОПКА БЛОКИРОВКИ ; 1
016 ; 650717-1 ; переключатель ТГК30Б; 1
017 ; 265995-6 ; Саморез с выпуклой головкой ПТ 4Х18; 1
018 ; 187901-0 ; Набор ручек ; 1
С10 ; 802Г51-9 ; Предупреждающая этикетка; 1
019 ; 665894-6 ; Кабель силовой 1,0-2-0,5; 1
020 ; 682540-6 ; ШНУРНАЯ ЗАЩИТА 9,3-90 ; 1
021 ; 687124-5 ; СБРОС НАПРЯЖЕНИЯ ; 1
022 ; 265995-6 ; Саморез с выпуклой головкой ПТ 4Х18; 2
023 ; 645105-5 ; ШУМОПОДАВИТЕЛЬ ; 1
024 ; 631719-6 ; Контроллер; 1
025 ; 419411-2 ; Рычаг переключения ; 1
026 ; 181044-0 ; Угольные щетки 153 ; 1
027-1 ; 643650-4 ; КОЛПАЧОК ЩЕТКОДЕРЖАТЕЛЯ 6,5-13,5 ; 2
028 ; 187901-0 ; Набор ручек ; 1
С10 ; 802Г51-9 ; Предупреждающая этикетка; 1
029 ; 265995-6 ; Саморез с выпуклой головкой ПТ 4Х18; 6
030 ; 142282-9 ; КРЫШКА БАКА В КОМПЛЕКТЕ; 1
031 ; 454822-4 ; Крышка картера коробки передач ; 1
032 ; 421959-2 ; Прокладка масляного бака ; 1
033 ; 454826-6 ; Масляный бак; 1
034 ; 424611-1 ; Разъем Б; 1
035 ; 424610-3 ; Разъем А; 1
036 ; 231975-4 ; Весна ; 1
037 ; 416274-7 ; КЕПКА ; 1
038 ; 454825-8 ; Стержень ; 1
039 ; 233174-4 ; Нажимная пружина 6 ; 1
040 ; 142341-9 ; ПЕРЕДНЯЯ ЗАЩИТА РУКИ В КОМПЛЕКТЕ; 1
С10 ; 802К54-7 ; Наклейка с инструкцией; 1
041 ; 158044-5 ; Соединительная пластина ; 1
042 ; 234005-0 ; Нажимная пружина 9 ; 1
043 ; 213017-6 ; Уплотнительное кольцо 6 ; 1
044 ; 454821-6 ; Корпус редуктора ; 1
045 ; 266041-8 ; Саморез с выпуклой головкой ПТ 5Х25; 4
046-1 ; 210206-4 ; ШАРИКОВЫЙ ПОДШИПНИК 606ZZ ; 1
047 ; 961006-2 ; Кольцо стопорное (ВНЕШНЕЕ) S-10 ; 1
048 ; 221427-3 ; Червячный редуктор; 1
049-2 ; 142156-4 ; МАСЛЯНЫЙ НАСОС В КОМПЛЕКТЕ; 1
050 ; 424612-9 ; Люверс ; 1
051 ; 265995-6 ; Саморез с выпуклой головкой ПТ 4Х18; 1
052 ; 227627-3 ; Шестерня 37; 1
053 ; 326373-6 ; шпиндель; 1
054-1 ; 210205-6 ; ШАРИКОВЫЙ ПОДШИПНИК 6001ZZ ; 1
055 ; 454823-2 ; Передняя ручка ; 1
056 ; 266041-8 ;Винт-саморез с выпуклой головкой PT 5X25 ; 2
057 ; 345651-5 ; ШИПОВОЙ БАМПЕР; 1
058 ; 266041-8 ; Саморез с выпуклой головкой ПТ 5Х25; 2
059 ; 319091-3 ; Корпус подшипника ; 1
060 ; 2660
