Быстроразъемное соединение соединение 4 " 110 для септика
- Время доставки: 7-10 дней
- Состояние товара: новый
- Доступное количество: 88
Просматривая «Быстроразъемное соединение соединение 4 " 110 для септика», вы можете быть уверены, что данный товар из каталога «Крышки» будет доставлен из Польши и проверен на целостность. В цене товара, указанной на сайте, учтена доставка из Польши. Внимание!!! Товары для Евросоюза, согласно законодательству стран Евросоюза, могут отличаться упаковкой или наполнением.
Соединитель предназначен для быстрого соединения секций всасывающих шлангов между собой, а также может быть использован для соединения всасывающего шланга между септиком и септиком, чтобы откачивать отходы без необходимости открывать крышку бака. .
Разъем и крышка колпачков разъемов имеют резиновые уплотнения, предотвращающие утечку.
Колпачки разъемов и крышки колпачков отполированы, благодаря чему они соответствуют другим элементам инфраструктуры и используются в цоколь забора, стена или стена здания.
Спецификация соединителя и крышки:
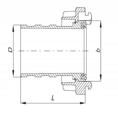
Расстояние между крючками b[мм] - 133
Внутренний диаметр шланга D[ мм] - 110
Длина втулки L[мм] - 170
Резиновое уплотнение
В комплект входит:
1. Алюминиевый всасывающий патрубок с резиновой прокладкой - размер: 110 PN - 4 дюйма, расстояние между крючками b [мм]: 133 мм;
2. Базовая крышка 110 — 4 дюйма (включая резиновую прокладку и цепь для предотвращения потери);
Постоянное соединение, также называемое соединением септика, представляет собой соединение между резервуаром и цистерной без необходимости въезда септика на территорию. Данное соединение осуществляется с помощью всасывающего шланга, который предназначен для перекачки воды, ила, фекалий и других жидких сред. Один конец шланга вставляется в канализационную емкость, другой помещается в фундамент забора. Отвод всасывающего шланга в фундаменте заканчивается со стороны улицы быстроразъемным соединением типа «пожарный» с герметичной крышкой. После снятия крышки конец шламового шланга подсоединяется к быстроразъемному разъему в ограждении. Создается герметичное соединение, благодаря чему услугу по сбору канализации можно производить в отсутствие домочадцев (конец канализационного шланга подсоединяется к быстроразъемному разъему со стороны улицы). При удалении содержимого септика имущество не загрязняется и не возникает неприятных запахов.
При построении такого соединения следует помнить о нескольких очень важных моментах:
Мы призываем наших клиентов связаться с нами перед совершением покупки. Наши знания и опыт работы с решениями, доступными на рынке, могут оказаться полезными.
Мы хотим, чтобы предлагаемые продукты были высочайшего качества и чтобы Вы довольны купленным товаром.
На других наших аукционах вы найдете:
- гидранты-редукторы: с клапаном, счетчиком воды, разъемом GEKA,
- шланги всасывающие и напорные,
- соединения для опорожнения септиков,
- хомуты ОГТ,
- насадки,
- насадки,
- p>
- крышки навесного оборудования,
p>
- ключи гидранта,
- пожарные сопла,
- переключатели,
- распределители,
- шланги всасывающие,
- стойки гидрантов.
