Вертикальный двухболк
- Время доставки: 7-10 дней
- Состояние товара: новый
- Доступное количество: 21
Просматривая «Вертикальный двухболк», вы можете быть уверены, что данный товар из каталога «Водная установка» будет доставлен из Польши и проверен на целостность. В цене товара, указанной на сайте, учтена доставка из Польши. Внимание!!! Товары для Евросоюза, согласно законодательству стран Евросоюза, могут отличаться упаковкой или наполнением.
Вертикальный двухлетний водонагреватель Bojler 200l -для двух источников нагрева h1>
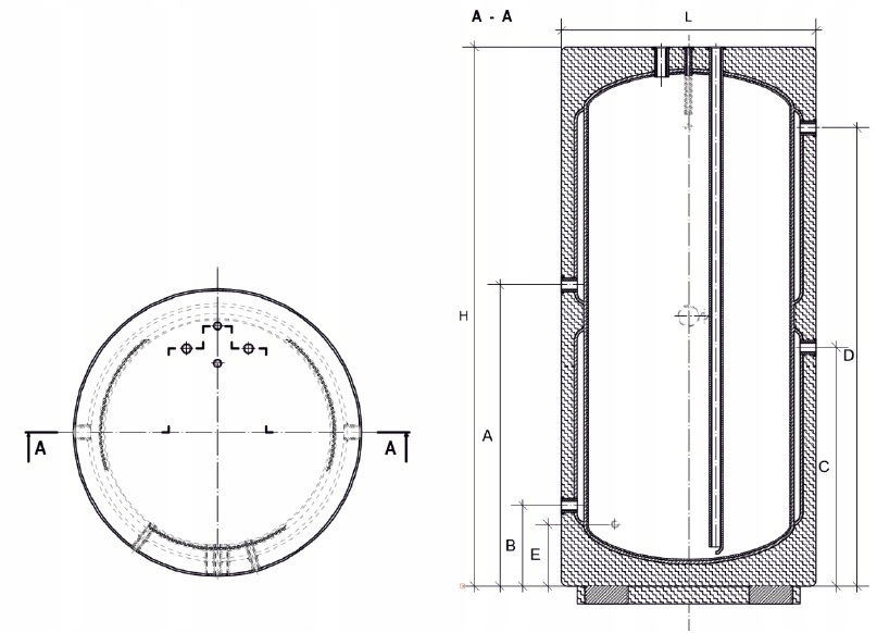
емкость: 200 литров h2> Область нагрева: 0,85 м2 + 0,85 м2 h2>
Hot Utility Water Trabanger - это устройство, предназначенное для нагрева воды, и держать его в предварительно разогреваемом состоянии. Конструкция резервуара позволяет подключить два независимых, различных коэффициента нагрева, благодаря тому, к которому вы можете подключиться, например - котел (для твердого топлива, масла, эко -гороха, поддонов, древесины) и второго источника питания, например, Солнечная система. С одной стороны, это решение позволяет очень экономично получать горячую воду, а с другой - использовать неограниченные ресурсы точечности горячей воды. Обменник выполняет свою роль как в открытой, так и в закрытой системе отопления, он не имеет ограничений для источников питания, поскольку он работает с каждым нагреванием. Преимущество продукта - дополнительное стальное обогрев внутри резервуара, которое значительно ускоряет нагрев воды в своей внутренней части и сводит к минимуму тепловые потери.
польский продукт
Производитель: ermert
Внешний тепловой слой - Изоляция - это клеточная пена, закрытая толщиной около 5 см, которая является неотъемлемой частью резервуара. Эстетические ценности резервуара подчеркиваются экологической кожей, которая может быть демонтирована при необходимости.
Внутреннее анти -коррозионное покрытие - Танк изготовлен в технологии рецептивного покрытия, для которой пищевые эпидианы используются в зависимости от полировки гигиены. Питание, возврат и циркуляция. Кроме того, отверстие со встроенным капилляром монтируется для датчика температуры (зонд). Соединения относительно слоя находятся на верхней правой части питания, а возвращение противоположна слевам. В нижней части резервуара также есть сливное отверстие из коммунальной воды из резервуара. Преимущество каждого бака - отверстие для электрического обогревателя, расположенного в середине бака. Этот тип решения дает комфорт в ситуации, когда источник тепла, например, Котлер погашает - позволяет вам получить горячую воду за короткий промежуток времени.
котел не оснащен электрическим нагревателем (его следует приобрести отдельно).
Технические характеристики
- Номинальная способность (L): 200
- Реальная способность (L): 241
- Производительность (L/H): 507 + 507
- Power (KW): .
- Потребность в нагревательной воде (M3/H): 1,05 + 1,05
- Область нагрева (M2): 0,85 + 0,85
- Вес (кг): 57
- 630 (Mi -mi>
- . 1240
