ВІДЕОДОМОФОН WiFi ВІДЕОДОМОФОН 7'' ВОРОТА
- Время доставки: 7-10 дней
- Состояние товара: новый
- Доступное количество: 24
Оплачивая «ВІДЕОДОМОФОН WiFi ВІДЕОДОМОФОН 7'' ВОРОТА», вы можете быть уверены, что данный товар из каталога «Домофоны и видеодомофоны» будет доставлен из Польши и проверен на целостность. В цене товара, указанной на сайте, учтена доставка из Польши. Внимание!!! Товары для Евросоюза, согласно законодательству стран Евросоюза, могут отличаться упаковкой или наполнением.
WiFi ВИДЕОДОМОН
"BERNSTEIN" VDS-72RU
- мобильное приложение с меню на польском языке - Tuya
- WiFi монитор с экраном LCD 7 '',
- открытие 2-х входов (ворота, ворота),
- Разрешение камеры Full HD 1080p,
- широкий угол обзора камеры по горизонтали/вертикали 110°/60°,
- память изображений (устройство чтения SD-карт),
- обнаружение движения.
ВСЕМИРНАЯ ПОДДЕРЖКА
Бесплатное приложение Tuya, доступное для iOS и Android, позволяет вам:
- прием входящих звонков,
- просмотр изображения окружения внешней камеры,
- отпуск задвижки и открытие ворот (как после приема звонка, так и в режиме предварительного просмотра) ), сохранение фотографий или запись видео из предварительного разговора вручную,
- просмотр истории звонков,
- выбор мелодии звонка из памяти телефона.
ВИДЕО-ИНСТРУКЦИЯ
⭐ НАСТРОЙКА С ПРИЛОЖЕНИЕМ
Перейдите по адресу: https://www .youtube.com/watch?v= ZdUDSXB13hI
МОНИТОР «БЕРНШТЕЙН» VDS-70RU AHD
ХАРАКТЕРИСТИКИ
Монитор «Бернштейн» VDS-70RU с диагональю экрана 7 дюймов, имеет встроенный WiFi-модуль, позволяющий работать с устройством с помощью
ХАРАКТЕРИСТИК b>Приложение Tuya доступно для платформ Android и iOS.
После нажатия кнопки вызова на внешней кассете монитор и смартфон, оснащенные приложения вызываются одновременно, благодаря чему можно принимать звонки, управлять электромагнитным замком и приводом ворот, вручную фотографировать и записывать видео во время разговора.
Монитор позволяет регулировать громкость разговора, яркость и насыщенность изображения. С помощью кнопки, расположенной над ручками, пользователь может выбрать 1 из 16 доступных мелодий звонка, а перемещением переключателя – изменить ее громкость.
Кроме того, в устройстве имеется SD-карта слот, позволяющий работать с картами b>объемом до 128 ГБ, предназначенными для записи фотографий людей, посещающих или обнаруженных после обнаружения движения.
ФУНКЦИИ КНОПОК С ПОДСВЕТКОЙ
ПАМЯТЬ ИЗОБРАЖЕНИЙ
Монитор имеет слот для SD-карты, позволяющий установить карту памяти объемом 128 ГБ, на которую записываются изображения посетителей (сохраняются автоматически после нажатия кнопки вызова) или изображения, записанные после движения. обнаружение.
ТЕХНИЧЕСКИЕ ХАРАКТЕРИСТИКИ
- Напряжение питания: 12 В постоянного тока
- Параметры видеосигнала: 1Вp-p 75 Ом CCIR b>
- b>
- Минимальное количество соединительных кабелей: 4
- Количество поддерживаемых выходов: 2 b>- 1x: 12 В пост. тока, 350 мА, 1x: Н.О. 1 А/макс. 24 В постоянного тока.
- Время активации защелки/ворота: 1–9 с./ 1 с.
- Потребляемая мощность — режим ожидания/ режим работы: 2 Вт/9 Вт
- Диагональ экрана: 7 дюймов
- Тип экрана: TFT-LCD< /li>
- Разрешение экрана: 1024 x 600 пикселей
- Количество мелодий: 16
- Встроенных -в модуле Wi-Fi: Да
- Интерфейс беспроводной связи: IEEE 802.11 b/g/n
- Рабочая частота: 2,4 ГГц
- Макс. мощность излучения: <5мВт
- Коэффициент защиты: IP20
- Слот для карты (SD/micro SD): Да (128 ГБ, класс 10)
- Рабочий диапазон температур: 0°C ~ +40°C
- Размеры (В x Ш x Г): 136 x 182 x 19 мм
- Вес нетто: 310 г
ВОРОТНАЯ СТАНЦИЯ «БЕРНШТЕЙН» VDC-82RU FULL HD
ХАРАКТЕРИСТИКИ
Накладная гейт-станция VDC-82RU — это устройство в современном стиле с визитницей с подсветкой. b> p>
Внешняя кассета изготовлена из алюминиевого сплава и пластика, устойчивого к атмосферным осадкам, дополнительно защищена крышей. Устройство оснащено камерой, записывающей изображения в разрешении Full HD 1080p. с объективом с полем обзора 120 градусов.
Кроме того, кассета имеет инфракрасную светодиодную ночную подсветку и сумеречный датчик, автоматически активирующий диоды при недостаточном освещении.
СТРОИТЕЛЬСТВО ВОРОТ
ТЕХНИЧЕСКИЕ ХАРАКТЕРИСТИКИ
- Напряжение питания: 12 В постоянного тока
- Параметры видеосигнала: 1Вp-p 75 Ом CCIR b>
- b>
- Количество соединительных кабелей: 4
- Количество обслуживаемых помещений: 1
- Выходное напряжение электромагнитного замка: 12 В постоянного тока
- Потребляемая мощность внешней кассеты (режим ожидания/работа): 0,2 Вт / 5 Вт
- Разрешение изображения: 2,0 Мп (Full HD 1080 р.)
- Угол обзора камеры по горизонтали/вертикали : 110°/60° b>
- Тип сенсора камеры: Цветной CMOS 1/4 дюйма
- Время активации фиксации: Зависит от монитора li>
- Материал корпуса: Алюминиевый сплав
- Способ крепления внешней кассеты: Накладной li>
- Ночное освещение: 5 светодиодов (инфракрасный свет) с частью сумеречный
- Класс защиты: IP44
- Температурный диапазон работы кассеты: -15ºC ~ +50ºC li >
- Размеры внешней кассеты. (В x Ш x Г): 135 x 48 x 35 мм
- Вес нетто кассеты: 178 г
УСТАНОВИТЬ СОДЕРЖИМОЕ
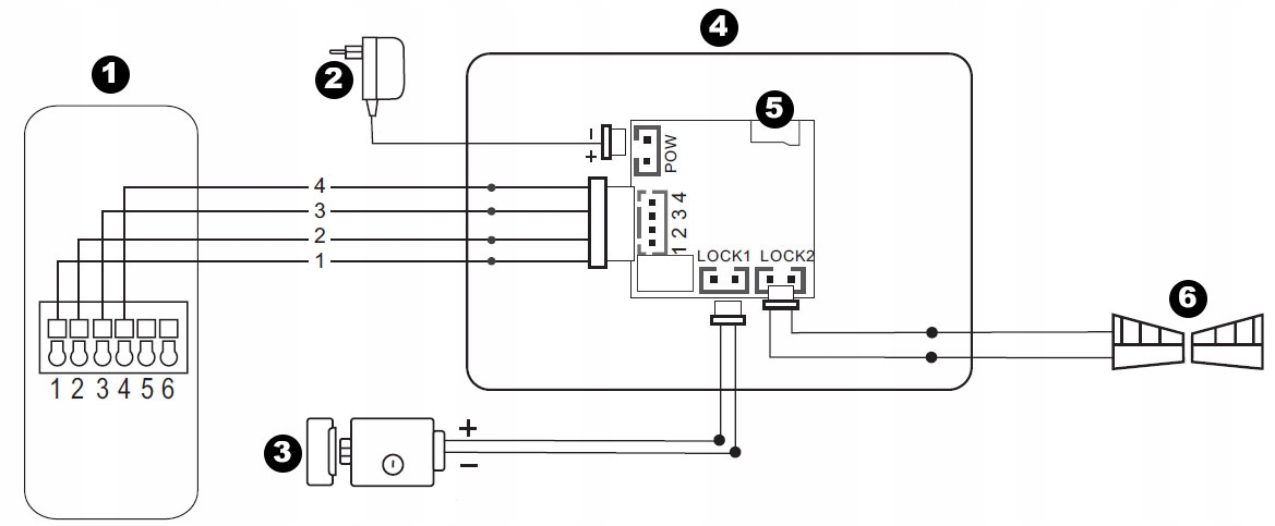
<ул>СХЕМА ПОДКЛЮЧЕНИЯ
ОБОЗНАЧЕНИЯ
ЧАСТО ЗАДАВАЕМЫЕ ВОПРОСЫ
⭐Мобильное приложение работает только в локальной сети или из любой точки мира?
Монитор видеодомофона имеет встроенный WiFi-модуль, который подключается к роутер в локальной сети. Однако мобильное приложение работает из любой точки мира при условии наличия у телефона доступа в Интернет.
⭐ Какой кабель мне нужно использовать для подключения монитора к внешней панели?
При проектировании электромонтажа учитывайте соответствующее сечение кабелей:
- до 30м – рекомендуемый кабель XzTKMXpw 4х2 х0,5мм2< /li>
- до 50м – рекомендуемый кабель XzTKMXpw 4x2 x0,8mm2
⭐ Какой кабель следует использовать для соединения внешней панели с засовом (электрозащелкой)?
Кабель, соединяющий электрозащелку с внешней кассетой, должен быть не менее 2x1 мм2
⭐ Может ли внешняя панель подвергаться воздействию дождя и снега?
Да, устройство имеет высокий коэффициент устойчивости IP44, поэтому оно может подвергаться воздействию к атмосферным факторам.
⭐ Могу ли я использовать источник питания на DIN-рейке?
Да, рекомендуемый источник питания должен иметь напряжение постоянного тока 12 В и мощность не менее 2,5А.
⭐ Требует ли электрозащелка дополнительного питания?
Нет, так как дополнительно питаем внешнюю кассету ( затвор питается от внешней кассеты).
