ВІЗОК РОЛИК КОЛЕСА Дверні ворота ПРОФІЛЬ 30х30 - 5М30
- Время доставки: 7-10 дней
- Состояние товара: новый
- Доступное количество: 99998
Просматривая «ВІЗОК РОЛИК КОЛЕСА Дверні ворота ПРОФІЛЬ 30х30 - 5М30», вы можете быть уверены, что данный товар из каталога «Тележки и ролики» будет доставлен из Польши и проверен на целостность. В цене товара, указанной на сайте, учтена доставка из Польши. Внимание!!! Товары для Евросоюза, согласно законодательству стран Евросоюза, могут отличаться упаковкой или наполнением.
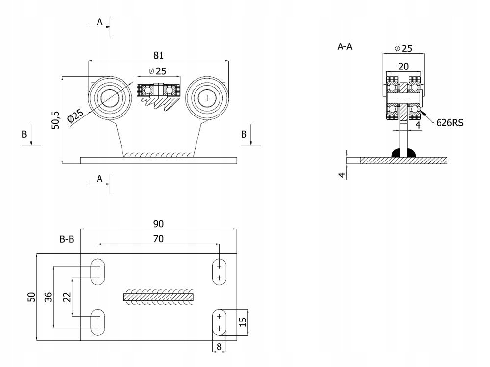
Тележка для профиля 30х30х2
✅Предлагаемые тележки изготовлены из прочных и долговечных материалов, что обеспечивает длительную и эффективную работу. Тележки, имеющиеся в нашем предложении, оцинкованы и поэтому защищены от коррозии. Использование полиамидных колес обеспечивает бесшумную работу.
Технические характеристики
- символ: 5М-30
- к профилю : 30x30x2
- допустимая нагрузка: 80 кг
- диаметр ролика: 25 мм
- тип роликов: 4x металлические 1x полиамидные
- тип тележки: фиксированные, без регулировки по высоте
- вес: 0,50 кг
- оцинковка: да
- производитель: Zabi (Польша) ул>
✅ Предлагаемый рулон предназначен для профилей с внешними размерами 30х30 мм и толщиной стенки 2 мм.
✅ Рулон идеален для использования. при изготовлении подвесных элементов, ворот и подвесных дверей с использованием рельса
✅Точность отдельных деталей и их сборки влияет на работу тележки в опорной направляющей ворот, обеспечивая исправность ворот не отклоняться от своей оси. p>
✅ Тележка собирается путем приваривания тележки к металлической конструкции или с помощью саморезов. Это зависит от типа тележки.
✅ Доступные типы портальных тележек: фиксированные, регулируемые по высоте, качающиеся, регулируемые качающиеся и плоские.
✅ Ролики оцинкованыи поэтому защищены от коррозии
