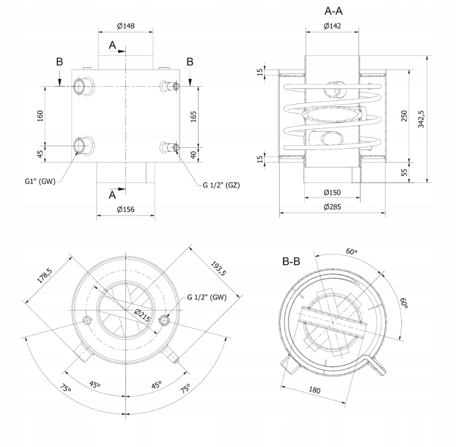
Водяна насадка зі змійовиком для печей AB/ENYO/R/W, ROLLO/W, ERIK/W
- Время доставки: 7-10 дней
- Состояние товара: новый
- Доступное количество: 10
Просматривая «Водяна насадка зі змійовиком для печей AB/ENYO/R/W, ROLLO/W, ERIK/W», вы можете быть уверены, что данный товар из каталога «Inne elementy» будет доставлен из Польши и проверен на целостность. В цене товара, указанной на сайте, учтена доставка из Польши. Внимание!!! Товары для Евросоюза, согласно законодательству стран Евросоюза, могут отличаться упаковкой или наполнением.
Водяная насадка со змеевиком для печей AB/ENYO/R/W, ROLLO/W, ERIK/W
Водяной колпак — это современное устройство, предназначенное для рекуперации тепла выхлопных газов, которые обычно выходят из дома через дымоход. Это инновационное решение позволяет использовать потерянное тепло для нагрева воды, что повышает энергоэффективность вашего дома без необходимости дополнительного расхода топлива. Утилизированное тепло можно использовать для нагрева радиаторов или бытовой воды, что делает его идеальной альтернативой для людей, которые ищут способы сократить свои счета за электроэнергию.
Водяной колпачок изготовлен из стали толщиной 4 мм и предназначен для использования в системах центрального отопления. Благодаря этому материалу устройство отличается высокой прочностью, надежностью и устойчивостью к высоким температурам. Возможность работы в закрытой системе, с максимальным давлением до 2 бар, и в открытой системе дополнительно повышает его универсальность и адаптируемость к различным потребностям монтажа.
