Звездочка Makita для звездочки бензинового триммера EM4350RH EM4351UH
- Время доставки: 7-10 дней
- Состояние товара: новый
- Доступное количество: 4
Заказывая «Звездочка Makita для звездочки бензинового триммера EM4350RH EM4351UH» данный товар из каталога «Шестерни», вы можете получить дополнительную скидку 4%, если произведете 100% предоплату. Размер скидки вы можете увидеть сразу при оформлении заказа на сайте. Внимание!!! Скидка распространяется только при заказе через сайт.
* Шестерня Makita для триммера/кустореза EM4351UH
новая оригинальная
( РАСПРЕДЕЛИТЕЛЬ В СБОРЕ / БЕНЗИНОВЫЙ РЮКЗАК BRUSHCUTTER / Кулачковый механизм в сборе / звездочка )
- Производитель: Makita
- Код производителя: 126571-0
- Позиция на схеме: №169 - EM4350RH
Применение – ранцевый триммер/бензиновый кусторез
- EM4350RH
- EM4351UH
Перечень запчастей для EM4350RH
положение на схеме, каталожный номер, описание товара, количество:
001; 166136-6 Сумка; 1
002; 126513-4 ЛЕНТА В СБОРЕ; 1
003; 165752-1 Рамка; 1
004; 455305-7 ДЕРЖАТЕЛЬ ПРУЖИНЫ А; 4
005; 922228-9 Винт с внутренним шестигранником M5X18 WR; 4
006; 234346-4 Пружина нажимная 17; 4
007; 455306-5 ДЕРЖАТЕЛЬ ПРУЖИНЫ B; 4
008; 319181-2 Кронштейн; 1
009; 922228-9 Винт с внутренним шестигранником M5X18 WR; 4
010; 922312-0 Винт с внутренним шестигранником M6X12; 3
011; 346816-2 КОРОБКА ПОДШИПНИКА; 1
012; 211220-3 ШАРИКОВЫЙ ПОДШИПНИК 6202ZZ; 1
013; 941251-5 Шайба 10; 1
014; 921541-2 Винт с шестигранной головкой M10X25 W; 1
015; 417764-3 ДЕРЖАТЕЛЬ 10-33; 2
016; 126510-0 ГИБКИЙ ВАЛ В СБОРЕ; 1
С10; 326447-3 ГИБКИЙ ВАЛ; 1
017; 196897-4 Комплект ручки для порожка; 1
018; 922244-1 Винт с внутренним шестигранником M5X25 WG; 2
019; 455316-2 Крышка лампы; 1
020; 346468-9 ЗАЖИМ 33; 1
021; 455315-4 Ручка для дужки; 1
022; 346817-0 ЗАЖИМ 28; 1
023; 424646-2 Крышка держателя трубы; 1
024; 319182-0 ДЕРЖАТЕЛЬ ТРУБ; 1
025; 326436-8 Шпиндель; 1
026; 211148-5 ШАРИКОВЫЙ ПОДШИПНИК 6001ZZ; 1
027; 961052-5 Кольцо стопорное (ВНЕШНЕЕ) S-12; 1
028; 962106-1 Кольцо стопорное (ВНУТРЕННЕЕ) R-28; 1
029; 922248-3 Винт с внутренним шестигранником M5X28 WR; 1
030; 922352-8 Винт с внутренним шестигранником M6X30; 1
031; 922212-4 Винт с внутренним шестигранником M5X12; 1
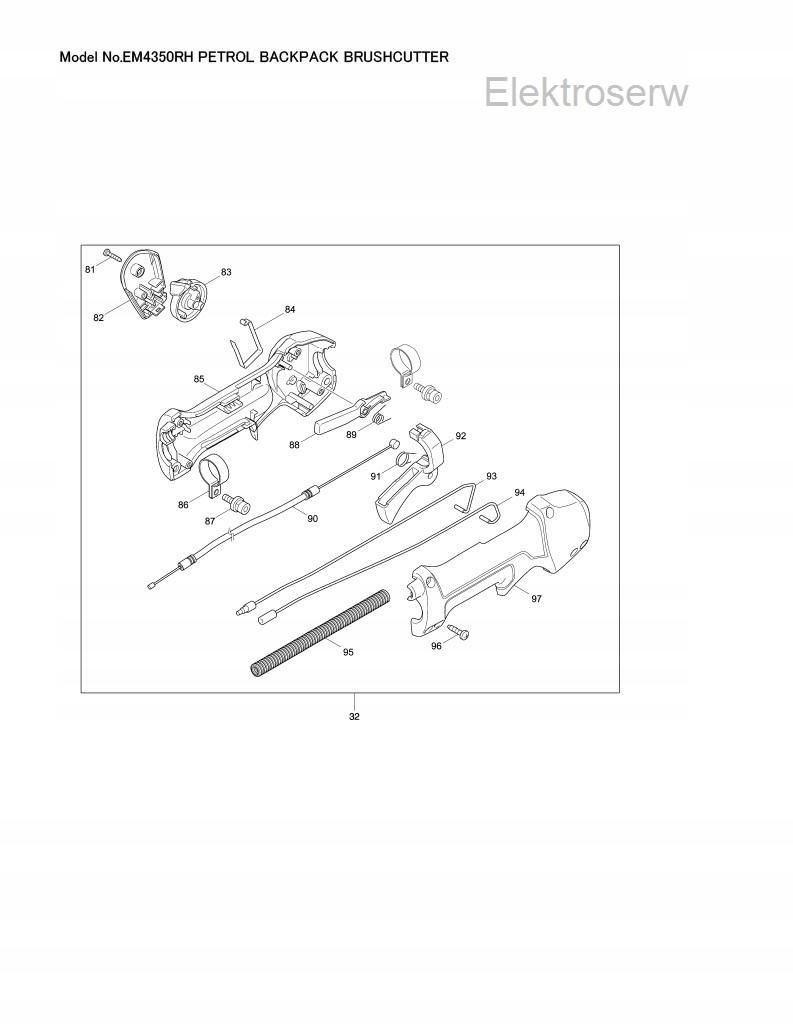
032; 126512-6 Комплект рукояток управления; 1
033; 455304-9 ОХРАННИК; 1
034; 922228-9 Винт с внутренним шестигранником M5X18 WR; 1
035; 808723-2 Предупреждающая табличка; 1
036; 808723-2 Предупреждающая табличка; 1
037; 801D19-4 Этикетка с серийным номером; 1
038; 804R40-6 Предупреждающая этикетка; 1
039; 819312-8 Этикетка с логотипом Makita; 1
040; 443146-3 Фетровое кольцо 8; 1
044; 142838-8 ТРУБА ВАЛА В КОМПЛЕКТЕ; 1
045; 326574-6 ВАЛ; 1
046; 413143-3 Шайба; 2
047; 452259-9 Крышка; 1
048; 266326-2 Саморез с толстой головкой 4Х18; 1
049; 346074-0 Резак; 1
050; 135398-7 Узел удлинения ограждения; 1
051; 346072-4 ЗАЖИМ ЗАЩИТЫ; 1
052; 451090-0 Крышка; 1
053; 266579-3 Винт с внутренним шестигранником M6X30; 2
054; 266865-2 Винт с внутренним шестигранником M5X14 WR; 2
055-1; 123835-3 Комплект корпуса редуктора; 1
057-1; 183K07-8 КОМПЛЕКТ РЕЗЕЧНЫХ ВАЛОВ; 1
058-1; 210161-0 ШАРИКОВЫЙ ПОДШИПНИК 6000; 1
059-1; 210160-2 ШАРИКОВЫЙ ПОДШИПНИК 6000ZZ; 1
060-1; 257408-1 Кольцо стопорное (ВНЕШНЕЕ) S-10; 1
061-1; 257988-7 Кольцо стопорное (ВНУТРЕННЕЕ) R-26; 1
062; 922353-6 Винт с внутренним шестигранником M6X30 WR; 1
063; 265590-2 Винт с шестигранной головкой M8X10 R; 1
064-1; 210159-7 ШАРИКОВЫЙ ПОДШИПНИК 629ZZ; 1
068; 210116-5 ШАРИКОВЫЙ ПОДШИПНИК 6201LLU; 1
069-1; 257409-9 Кольцо стопорное (ВНУТРЕННЕЕ) R-32; 1
070-1; 326823-1 Шайба фиксирующая; 1
071; 346355-2 Шайба суппорта; 1
072; 168526-9 Комплект чехлов; 1
073; 264025-0 ШЕСТИГР. ГАЙКА М10-17; 1
081; 266130-9 Саморез с полукруглой головкой PT 3X16; 1
082; 451595-0 Крышка переключателя; 1
083; 451594-2 Рычаг переключения; 1
084; 232251-9 Рессора листовая; 1
085; 188831-8 Комплект корпуса рычага; 1
С10; 252870-5 ВСТАВНАЯ ГАЙКА M5-7; 2
086; 346249-1 ЗАЖИМ ДЛЯ ТРУБ 28; 2
087; 922218-2 Винт с внутренним шестигранником
лок 38
