10-метровий контролер сходів RGBW 12V анімації
- Час доставки: 7-10 днів
- Стан товару: новий
- Доступна кількість: 100
Просматривая «10-метровий контролер сходів RGBW 12V анімації» данное изделие из «Пульты» вы можете быть уверены, что после оформления заказа, доставки в Украину, вы получите именно то, что заказывали, в оговоренные сроки и европейского качества.
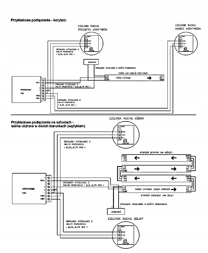
Предмет продажу комплект сходи та коридор. Використовуючи сходовий та коридорний контролер польського виробництва та цифрову стрічку, ви легко отримаєте дуже ефективне анімоване підсвічування сходів, коридорів чи сходів.
У набір входять усі необхідні компоненти:
- 10м цифрова LED стрічка TM1814 RGBW 4 в 1 12V 60d/m PRO,
- F22T RGBW сходи та коридор контролер від Elegant,
- 2 x датчик руху FS1 (білий або чорний - колір вказуйте при замовленні),
- дистанційне керування конфігурацією + настінний тримач для пульта дистанційного керування,
- Mean Well LRS- Модульний блок живлення 150-12 12 В,
- кабель RGB 15 м 4 x 0,35 мм.
Всі компоненти характеризуються високою якістю виготовлення і не викликають труднощів при самостійному монтажі.
Використовуючи сходовий контролер для коридору F22T і цифрові стрічки, ми можемо легко створити анімоване освітлення сходів, коридорів або сходів.
Сходовий контролер Коридор має багато динамічних ефектів (перетікання кольорів, веселка, сходи, що розширюються/згортаються тощо) і статичних ефектів (ми можемо досягти ефекту підсвічування окремих сходинок). У комплекті з контролером є два датчики руху FS1, які по черзі вмикають/вимикають освітлення.
Основні переваги контролера коридорних сходів F22T - це дуже простий монтаж (послідовне підключення цифрової стрічки + підключення двох датчиків). до контролера) і дуже зручна конфігурація за допомогою сенсорного пульта дистанційного керування (встановіть ширину та кількість кроків, виберіть динамічну/статичну програму, швидкість, час роботи, колір, інтенсивність освітлення).
Технічні характеристики світлодіодної стрічки:
- напруга: 12 В постійного струму
- потужність: 14,4 Вт / м
- світлий колір: RGBW NW 4в1
- якість: професійна
- друкована плата :PCB з подвійною мідною підкладкою 2oz
- ступінь захисту: IP20
- кількість діодів: 60d/m
- b>
- тип діода: SMD5050
- тип діода: EPISTAR li>
- кут променя: 120 градусів
- термін служби: 50 000 год
- колір підкладки: біла PCB
- ширина: 10 мм
- клейка основа: міцний самоклеючий шар 3M 300LSE
- можливість різання: кожні 5 см (3 діоди)
Основні переваги наших професійних цифрових стрічок 12 В:
- Завдяки використанню керуючих мікропроцесорів кожною ділянкою світлодіодної стрічки можна керувати повністю незалежно.
- Ми можемо досягти безпрецедентних динамічних і статичних програм, плавних кольорів, переходів кольорів, анімації та багато інших можливостей.
- товста мідна підкладка вагою 2 унції забезпечує ефективний дренаж тепла та збільшує термін служби діодів
- вибрані діоди гарантують яскраві та насичені кольори та високу яскравість
- фірмова клейка підкладка 3M гарантує міцне зчеплення стрічки з поверхнею
Елегантний контролер для сходів і коридорів F22T
- Розміри: 60 x 84 x 30 мм
- Напруга живлення: 5...12 В< /li>
- Функція анімованого підсвічування сходів кольором RGBW (розгортання сходинок)
- Функція анімації підсвічування коридорів (розгортання лінії)
- підтримка 1000 пікселів RGB (50 метрів цифрової стрічки 12 В, 60 діодів/метр)
- доступна версія для цифрових стрічок RGB і одноколірних MONO
- працює з датчики руху
- анімація відтворюється відповідно до напрямку руху людини
- функція постійного підсвічування, коли ніхто не рухається
- дистанційне керування
- частота пульта дистанційного керування: 2,4 ГГц, живлення від 2 батарейок ААА
Контролер також може працювати в режимі коридору. Залежно від того, з якого боку коридору ми заходимо, контролер запускатиме ефект розширюючої світлової лінії.
Відбиваючий датчик руху FS1 (2 штуки в комплекті з контролером)
- виявляє людей, які піднімаються по сходах або проходять коридором (після відсікання невидимого променя, датчик активовано)
- датчик використовує надійний датчик відбиття від Sharp
- регульована чутливість активації (відстань, на якій він має реагувати)
- краща продуктивність, ніж популярний PIR-датчик
- Напруга живлення: 12 В
- пристосований для встановлення в монтажну коробку 60 мм (з гвинтами)
- доступний у білому або чорному кольорі (будь ласка, вкажіть вибраний колір у повідомленні продавцю)
Джерело живлення Mean Well LRS-150-12
- напруга живлення 100-240 В/AC
- вихідна напруга 12 В постійного струму
- струм 12,5 A
- потужність 150 Вт
- розміри 159 x 97 x 30 мм
- захист від короткого замикання, перевантаження та стрибків напруги
- Рівень захисту IP20
- робоча температура -30 / 70 градусів
- пасивне охолодження
- Сертифікати CE, RoHS
Зонний пульт MiLight FUT092
має широкий спектр функцій. Він може підтримувати до 4 незалежних зон освітлення. За допомогою пульта ми можемо змінювати статичні та динамічні програми, приглушувати та посилювати світло, змінювати швидкість програми та багато іншого. Можливість призначити кілька приймачів на один канал.
- Живлення від батарейок 2xAAA
- сенсорні кнопки
- радіоуправління 2.4GHz
- можливість налаштування до 4 зон
- динамічні та статичні програми
- можливість встановити будь-який колір з палітри RGB
- плавне налаштування білого кольору - теплий/нейтральний/ холод (CCT)< /li>
Кабель RGB – це 4-жильний кабель, який ідеально підходить для підключення багатоколірних світлодіодних стрічок.
Він має 3 дроти, що відповідають кольори p>
- R - червоний
- G - зелений
- B - синій
Четвертий дріт це чорний кабель живлення.
Кабель має поперечний переріз 4 x 0,35 мм, тому він не викликає надмірних перепадів напруги в установці. Таким чином, ділянки можуть бути значно довшими, не спричиняючи нерівномірного освітлення стрічки.
Відео із зразками ефектів. Скопіюйте та вставте посилання, надане у вашому веб-переглядачі
https://youtu.be/AbFPt0YjC3E
Завдяки контролеру ми можемо легко створити сучасне та інноваційне освітлення для сходів чи коридорів. Збірка всього набору не становить особливих проблем. З'єднуємо стрічки послідовно, пам'ятаючи про дотримання правильного напрямку сигналу (стрілки на стрічці).До контролера підключаємо лише три дроти (сигнал, плюс, маса), що істотно спрощує весь монтаж.
