3-СЕКЦІЙНИЙ ГІДРАВЛІЧНИЙ ДИСТРИБ'ЮТОР 40 л ДАЙВЕР
- Час доставки: 7-10 днів
- Стан товару: новий
- Доступна кількість: 15
Заказывая «3-СЕКЦІЙНИЙ ГІДРАВЛІЧНИЙ ДИСТРИБ'ЮТОР 40 л ДАЙВЕР» данное изделие из «Гидравлическая система» вы можете быть уверены, что после оформления заказа, доставки в Украину, вы получите именно то, что заказывали, в оговоренные сроки и европейского качества.
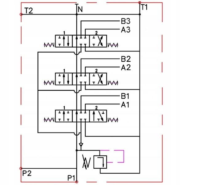
3-СЕКЦІЙНИЙ ГІДРАВЛІЧНИЙ РОЗПОДІЛЬНИК P40
З ОДНІЙ НАСОСНОЮ СЕКЦІЄЮ
Заміна для: 03P40 A1A1C1 GKZ1
Застосування:
Він широко використовується в гідравлічних системах у сільському господарстві, садівництві, лісовому господарстві, будівництві та промисловості в широкому розумінні.
Розподільник адаптований до різних типів машин, таких як: сільськогосподарські машини, трактори, обприскувачі, сокири, циклопи, навантажувачі HDS, будівельні машини, навантажувачі, екскаватори, підмітальні машини, промислові машини та інші пристрої з гідравлічним керуванням.
Плунжерна секція спеціально адаптована для керування циліндрами односторонньої дії.
У другому отвір на секції загвинчується на заводі, металевою заглушкою. Тут немає необхідності робити додатковий трансфер. Односторонній циліндр вільно падає та не блокує потік масла, що виходить з насоса.
Плунжерна секція дуже корисна в фронтальних навантажувачах TUR з односторонніми циліндрами для підйому основної рами.
Технічні дані:
Рекомендована витрата масла в системі: 0 - 40 л/хв.
Приклад керування: один привод односторонньої дії та два приводи подвійної дії.
Можливість послідовного підключення до існуючої системи (потрібна напірна втулка).
Керування:
Усі трипозиційні важелі (1 - 0 - 2) підпружинені, тобто повертаються у вертикальне положення самостійно:
Положення 0 нейтраль (важіль встановлено вертикально), шток приводу стоїть - масло йде в перелив
Робоче положення 1 (важіль у передньому діагональному положенні), шток приводу висувається.
Робоче положення 2 ( важіль у діагональному положенні назад), шток поршня приводу втягується.
p>
Підключення:
Подача від насоса (P1, P2): внутрішня різьба BSP 1/2''
Повернення до бака (T1) , T2 ): BSP внутрішня різьба 1/2''
Секції (A2, A3 ; B1, B2, B3): BSP внутрішня різьба 3/8''
Послідовне з’єднання ( N) : внутрішня різьба BSP 1/2"
Діапазон тиску:
Максимальний тиск подачі: 250 бар
Максимальний тиск у зворотній лінії: 50 бар
Максимальний тиск на секції: 300 бар
Переливний клапан налаштований на заводі на 175 бар
Можливість саморегулювання, зміна повного оберту на 30 бар.
Наша пропозиція також включає повний асортимент силової гідравліки. Насоси, розподільники, гідроциліндри, клапана, гідропроводи.
Виставляємо рахунки
Запрошуємо до співпраці
