БЛОК ЖИВЛЕННЯ ГІДРАВЛІЧНИЙ ГЕНЕРАТОР 24V 2.2KW 2.5 cm3 6L ДВІ СЕКЦІЇ + ПУЛЬТ
- Час доставки: 7-10 днів
- Стан товару: новий
- Доступна кількість: 50
Оплачивая «ЭЛЕКТРОПИТАНИЕ ГИДРАВЛИЧЕСКИЙ ГЕНЕРАТОР 24В 2,2КВТ 2,5см3 6Л ДВЕ СЕКЦИИ + ДИСТАНЦИОННОЕ УПРАВЛЕНИЕ» данный товар из каталога «Гидравлические агрегаты», вы можете получить дополнительную скидку 4%, если произведете 100% предоплату. Размер скидки вы можете увидеть сразу при оформлении заказа на сайте. Внимание!!! Скидка распространяется только при заказе через сайт.
КОМПЛЕКТ ГІДРАВЛІЧНОГО ЖИВЛЕННЯ 24 В
SKRAW-MET КОД: [4093]
ВИРОБНИК: SM-G (SKRAW-MET-GROUP)
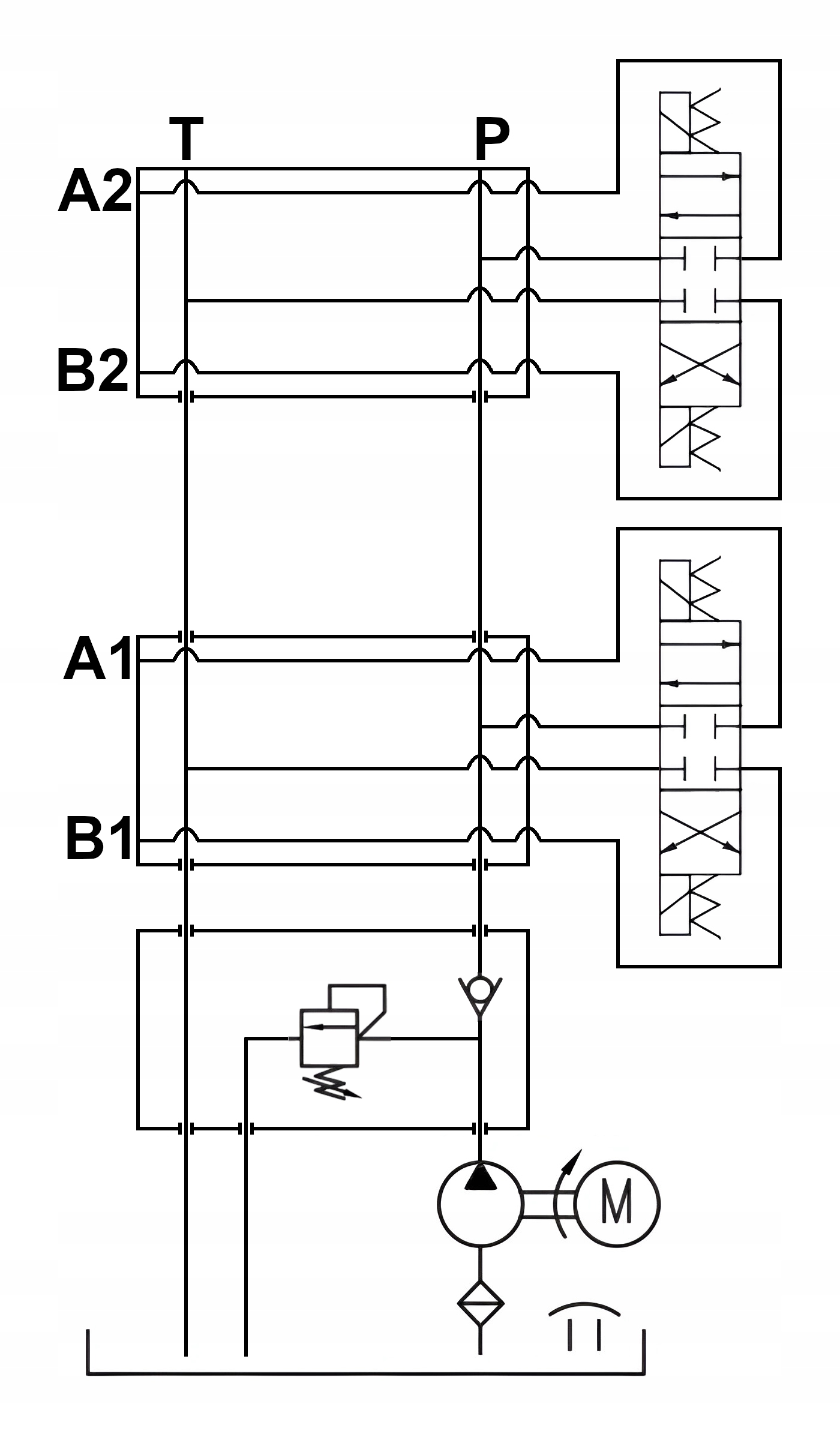
До складу агрегату входить:
- гідравлічний насос 2,5 см3
- електродвигун 2,2 кВт 24 В постійного струму
- пластикова кришка
- сполучна пластина з переливним клапаном
- два електромагнітних клапана для керування двома циліндрами подвійної дії
- металевий резервуар 6 літрів
- дистанційне керування з чотирма кнопки
Агрегат укомплектований і готовий до роботи, просто підключіть кабелі та залийте масло.
Може використовуватися в сільському господарстві, садівництві, лісовому господарстві та будівництві.
Пристосований для роботи під час розвантаження вантажного боксу в: причепах, самоскидах, гідропаках, расах, підйомниках, вантажних платформах, автопідйомниках, кранах, сільськогосподарських машинах та промисловий.
Забезпечує керування двома секціями, напр. два приводи подвійної дії.
Технічні характеристики:
- Мастильний клапан (запобіжний): ТАК
- Потужність двигуна: 2,2 кВт
- Електрична напруга двигуна: 24В постійного струму
- Ємність масляного баку: 6 л
- Максимальний робочий тиск: 180 бар
- Потужність насоса: 2,6 см3/оберт, у цьому комплекті 7,2 л/хв
- Внутрішнє різьбове з'єднання: G3/8"
- Тип роботи: переривчастий режим (S3=7%)
Розміри:
- Довжина: 515 мм
- Ширина блоку: 230 мм
- Висота блоку: 255 мм
- Довжина резервуара: 290 мм
- Ширина резервуара: 170 мм
- Висота резервуара: 215 мм
ПУЛЬТ ДИСТАНЦІЙНОГО КЕРУВАННЯ З 4 КНОПКАМИ
Сільна конструкція
Це спеціальний пульт дистанційного керування з чотирма кнопками, який використовується переважно в гідравлічних агрегатах, що живляться від 12 В / 24 В.
На задній частині пульта дистанційного керування є сильні магніти, завдяки яким його можна прикріпити до металевих елементів.
Крім того, пульт дистанційного керування містить кабель довжиною приблизно 5 м із 3-контактним штекером, що загвинчується.
Усі елементи виготовлені лише з міцних, високоякісних матеріалів.
