Експериментальний набір для ультразвукової левітації DIY KIT
- Час доставки: 7-10 днів
- Стан товару: новий
- Доступна кількість: 4
Оплачивая «Експериментальний набір для ультразвукової левітації DIY KIT», вы можете быть уверены, что данное изделие из каталога «Монтажные комплекты» будет доставлено из Польши и проверено на целостность. В цене товара, указанной на сайте, учтена доставка из Польши. Внимание!!! Товары для Евросоюза, согласно законодательству стран Евросоюза, могут отличаться упаковкой или наполнением.
Ультразвукова левітація
для самостійного складання, паяння.
Проміжна система, час складання 90 хв.
Дві невеликі паяльні системи, будь ласка, зверніть особливу увагу .
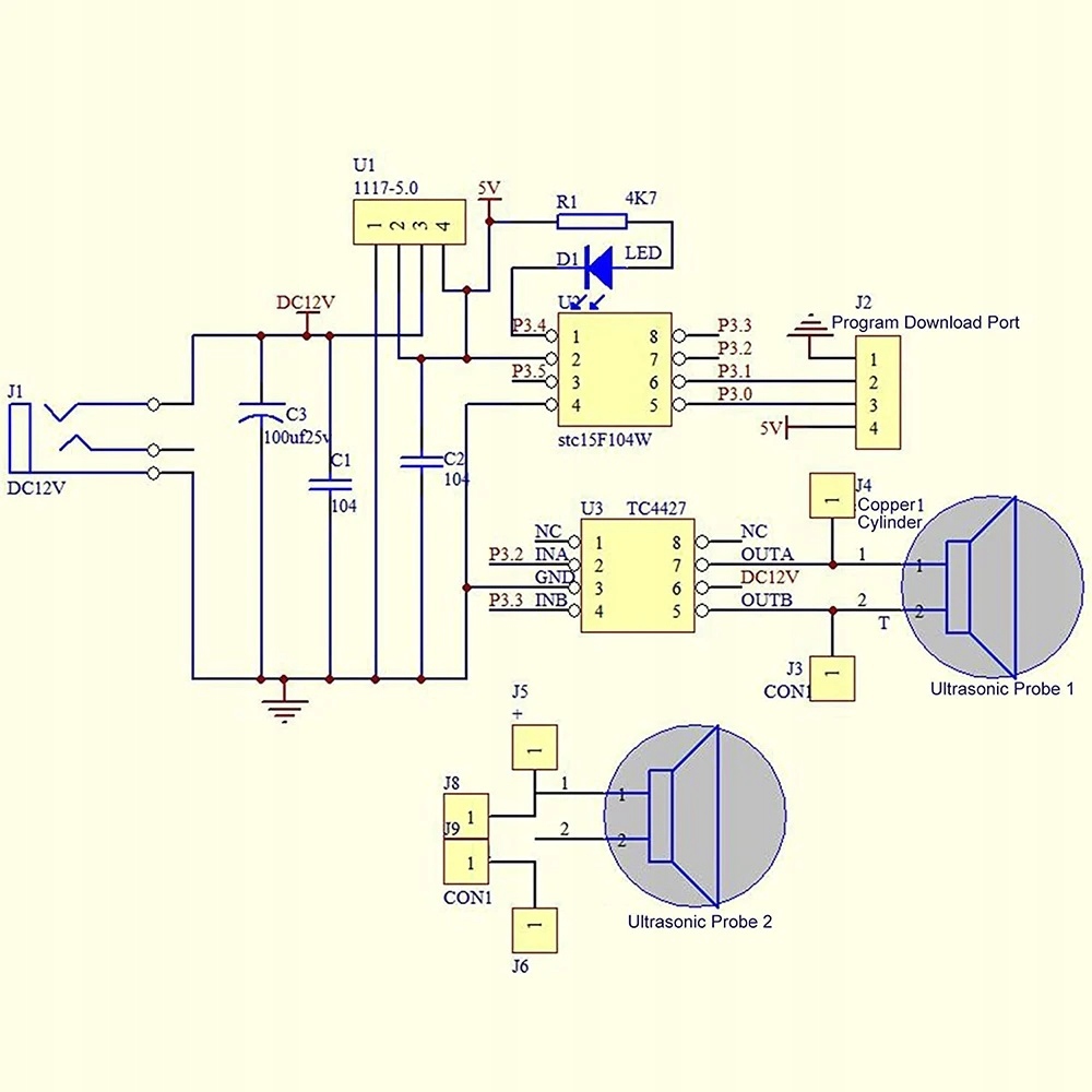
Це невеликий ультразвуковий пристрій для левітації легких об’єктів, наприклад пінопластових кульок діаметром 2-3 мм.
Система працює на частоті 40 кГц. Схема в основному складається з мікроконтролера, мікросхеми драйвера та двох ультразвукових випромінювачів.
Вона використовується для представлення ультразвукової суспензії стоячої хвилі.
Живлення: 12 В постійного струму (0,5 - 1A) (блок живлення не входить).
Розетка:
Частота: 40 кГц
Зовнішні розміри після складання: довжина 44 мм x ширина 40 мм x висота 66 мм
Принцип роботи:ультразвукова левітація стоячої хвилі ґрунтується на наявності певної відстані (така називається відстанню резонансної порожнини) між ультразвуковою передавальною стороною та передавальною стороною (або іншою передавальною стороною ). Пропущена хвиля та відбита хвиля (або інша акустична хвиля) безперервно накладаються, щоб остаточно створити стоячу хвилю. Акустична сила, що діє на об’єкт у вузлі стоячої хвилі, долає ефект гравітації та в кінцевому підсумку досягає ефекту левітації.
Ми рекомендуємо не відрізати ніжки
ультразвукових передавачів оскільки вони можуть бути пошкоджені та
зверніть увагу на напрямок встановлення
цих елементів, позначених літерою T.
Ми рекомендуємо не відрізати ніжки від
ультразвукових передавачів, оскільки вони можуть бути пошкоджені, і
звертати увагу на напрямок встановлення
їх елементи.
Інструкції:
Системи мають схему складання, надруковану на дошці. Необхідно звернути увагу на полярність у випадку таких елементів, як конденсатори, діоди, транзистори. У світлодіодів довша ніжка плюс +, параметри більшості елементів описані на корпусі. Резистори можуть мати маркування смугами; їх опір і допуск можна прочитати за допомогою калькуляторів, доступних в Інтернеті, або виміряти за допомогою лічильника. Порядок складання, як правило, довільний, в залежності від планування спочатку збираємо найменші елементи.
