Електронне колесо фортуни Вчимося паяти
- Час доставки: 7-10 днів
- Стан товару: новий
- Доступна кількість: 41
Просматривая «Електронне колесо фортуни Вчимося паяти», вы можете быть уверены, что данный товар из каталога «Монтажные комплекты» будет доставлен из Польши и проверен на целостность. В цене товара, указанной на сайте, учтена доставка из Польши. Внимание!!! Товары для Евросоюза, согласно законодательству стран Евросоюза, могут отличаться упаковкой или наполнением.
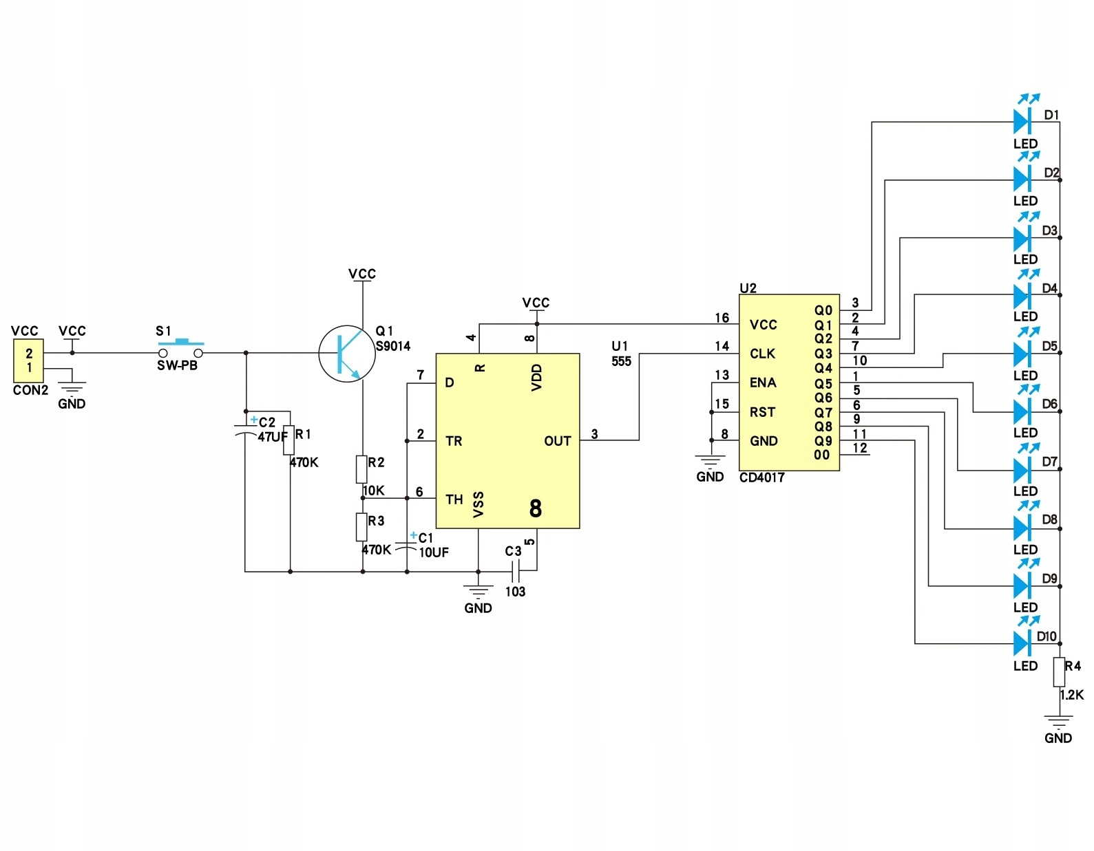
Електронне колесо удачі
для самостійного збирання, пайки.
Легко збирається.
Час складання 60 хвилин.
Проста, але ефективна схема для навчання паянню та основам електроніки.
Після натискання кнопки один із світлодіодів загоряється один за одним
, що створює ефект руху
по колу, і через кілька секунд він зупиняється
у випадковому місці .
Розмір плати: 48 мм x 48 мм,
Живлення: 3,5 В - 6 В. b>
Система базується на чіпах NE555 CD4017, схема складання компонентів надрукована на платі.
Плата можуть відрізнятися залежно від доставка, принцип дії завжди однаковий.
Інструкція:
Системи мають схему монтажу, надруковану на платі. Необхідно звернути увагу на полярність у випадку таких елементів, як конденсатори, діоди, транзистори. У світлодіодів довша ніжка плюс +, параметри більшості елементів описані на корпусі. Резистори можуть мати маркування смугами; їх опір і допуск можна прочитати за допомогою калькуляторів, доступних в Інтернеті, або виміряти за допомогою лічильника. Порядок складання, як правило, довільний, в залежності від планування спочатку збираємо найменші елементи.
