ГІДРАВЛІЧНИЙ КЛАПАН ПЕРЕДНЬОГО ГІДРОЛІДЕРА
- Час доставки: 7-10 днів
- Стан товару: новий
- Доступна кількість: 94
Просматривая «ГІДРАВЛІЧНИЙ КЛАПАН ПЕРЕДНЬОГО ГІДРОЛІДЕРА» данное изделие из «Гидравлические клапаны» вы можете быть уверены, что после оформления заказа, доставки в Украину, вы получите именно то, что заказывали, в оговоренные сроки и европейского качества.
ГІДРАВЛІЧНИЙ КЛАПАН ДЛЯ ПЕРЕДНЬОЇ ТРУБКИ
Виробництво:
Оригінальний продукт марки Hydrolider, символ: 1.35.54.101
Застосування:
Широко використовується в гідравлічних системах у сільському господарстві, будівництві та промисловості.
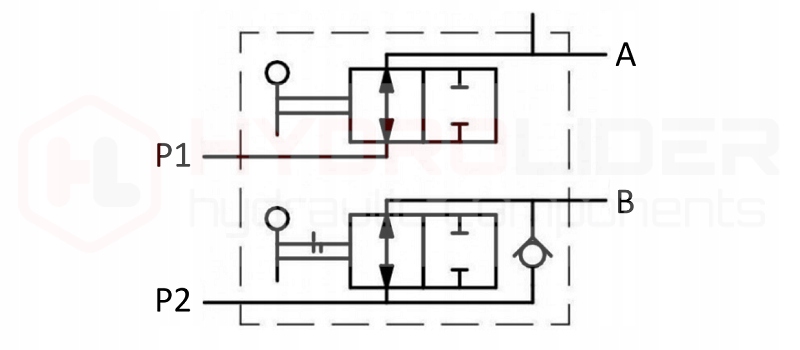
Клапан перемикання, зазвичай розташований позаду кабіни, дозволяє одним рухом виберіть режим роботи переднього підйому.
Принцип роботи:
Залежно від потреби клапан має три режими роботи :
Перший режим "блокування":
Режим, який використовується, коли передня тяга не працює використання або під час переміщення інструменту чи маси протягом тривалого часу (безпека транспортування). Це також дозволяє звільнити задні тяги трактора для іншого знаряддя. Гідравлічна система підйому заблокована. Піднімання та опускання підйомних важіль більше неможливе.
Другий режим «двосторонньої роботи»:
p>
режим, який використовується в основному під час зчеплення знаряддя (опускання підйомних стрілок) і для роботи на землі за допомогою переднього ґрунтообробного котка або бульдозера. Під час підйому та опускання циліндри переднього навішування знаходяться під тиском.
Третій режим «одностороння робота»:
режим, що використовується з передньою косаркою або знаряддям, обладнаним опорними колесами. Під час підйому циліндри передньої навіски знаходяться під тиском, але опускання відбувається природним шляхом (без тиску) під вагою знаряддя. Відсутність тиску під час опускання забезпечує безперешкодне розміщення інструменту на землі.
Технічні дані:
- Максимальний потік: 40 л/хв
- Підключення: M18x1,5
- Кількість отвори гідравлічні з'єднання в корпусі: 3
- Внутрішня різьба в корпусі: 3/4'' - 16 UNF
- Матеріал: оцинкована сталь
- Внутрішні частини: земля
- Максимально допустимий тиск: 210 бар
- Вага: 1830 кг
Діапазон температур і тип масла:
- Допустима температура навколишнього середовища: від -20 C до +80 C
- Допустима температура масла: від -15 C до +80 C
- Тип масла: мінеральне масло гідравлічне масло на основі
