ГІДРАВЛІЧНИЙ КЛАПАН РЕГУЛЯТОР ПОТОКУ РОЗДІЛЬНИК FCV-RV 3/4" 115L/min ШКАЛА
- Час доставки: 7-10 днів
- Стан товару: новий
- Доступна кількість: 268
Приобретая «ГИДРАВЛИЧЕСКИЙ КЛАПАН РЕГУЛЯТОР РАСХОДА FCV-RV 3/4" 115Л/МИН ШКАЛА» данный товар из каталога «Гидравлическая система» вы можете быть уверены, что после оформления заказа, доставки в Украину, вы получите именно то, что заказывали, в оговоренные сроки и европейского качества.
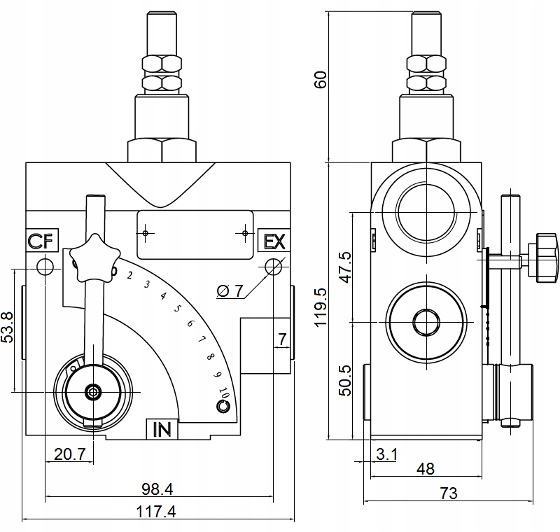
ГІДРАВЛІЧНИЙ КЛАПАН, РОЗДІЛЬНИК ПОТОКУ
РЕГУЛЯТОР ПОТОКУ 115л/хв
З ШКАЛОЮ ТА ЗАПОЗІЛЬНИМ КЛАПАНОМ
Виробництво:
Оригінальний продукт торгової марки Hydrolider, символ: 1.35.10.216
Застосування:
Широко використовується в гідравлічних системах у сільському господарстві, садівництві, лісовому господарстві, будівництві та промисловості в цілому.
Принцип дії:
Регулятор поділяє основний потік масла від насоса на два незалежні потоки, які можуть живити дві незалежні гідравлічні системи. Дозволяє задати певну витрату на першому основному ресивері, надлишок масла зливається в другий ресивер. При зміні потужності насоса головний ресивер завжди отримує однакову кількість масла, потік змінюється лише на другому ресивері.
Ідеально підходить для тракторів та інших машин, де один насос живить систему рульового управління (орбітрол) і основну гідравліку (фронтальний навантажувач). Потім на orbitrol встановлюється постійний потік, решта масла буде живити гідравліку навантажувача. Кількість масла, що подається в навантажувач, залежить від потужності насоса в даний момент. Кількість масла, що подається в орбітрол, завжди є постійною, що забезпечує плавну та ефективну роботу машини.
Підключення та регулювання:
Клапан регулюється за допомогою важеля, а налаштування можна закріпити за допомогою ручки. Він має регульований переливний клапан і шкалу, завдяки якій ми можемо контролювати налаштування.
Підключіть IN до лінії подачі, а CF – до пріоритетного ресивера або до лінії гідравлічної системи, де потрібне регулювання потоку. Підключіть EX до другого ресивера.
Компенсація тиску:
Регулятор має компенсацію, тобто немає падіння тиску масла за клапаном. Завдяки цьому після регулювання двигун практично зберігає початковий крутний момент. Звичайні дросельні заслінки у взаємодії з двигунами нагрівають масло, вони також не мають компенсації, а це означає, що при регулюванні обертів двигун також втрачає потужність.
Приклад використання регулятора в гідравліці трактора (фото):
Технічні дані:
- Максимальна пропускна здатність: 115 л/хв
- Діапазон регулювання потоку по пріоритетному каналу: 0,5-100л/хв
- Кількість гідравлічних отворів в корпусі: 3
- Внутрішня різьба в корпусі: 3/4'' [BSP]
- Матеріал корпусу: чавун. температура: від -40 C до +60 C
- Допустима температура масла: від -15 C до +80 C
- Тип масла: гідравлічне масло на основі мінерального масла
