ГІДРАВЛІЧНИЙ РОЗПОДІЛЬНИК 1 СЕКЦІЙНИЙ 80Л ДЛЯ РОЗДІЛЬНИКА
- Час доставки: 7-10 днів
- Стан товару: новий
- Доступна кількість: 10
Оплачивая «ГІДРАВЛІЧНИЙ РОЗПОДІЛЬНИК 1 СЕКЦІЙНИЙ 80Л ДЛЯ РОЗДІЛЬНИКА» данный товар из каталога «Гидравлическая система», вы можете получить дополнительную скидку 4%, если произведете 100% предоплату. Размер скидки вы можете увидеть сразу при оформлении заказа на сайте. Внимание!!! Скидка распространяется только при заказе через сайт.
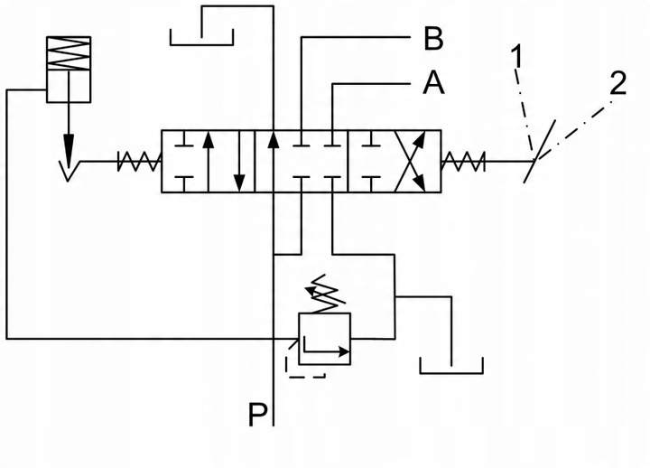
1-СЕКЦІЙНИЙ ГІДРАВЛІЧНИЙ РОЗПОДІЛЬНИК P80 ДЛЯ ДРОВОК
Застосування:
Створено спеціально для дровоколів. Повзунок приводиться в дію в одному напрямку за допомогою пружини, а в іншому – за допомогою пружинної засувки. Під час розколювання з міркувань безпеки розколювач потрібно утримувати за важіль, тоді як повернення штока поршня відбувається на фіксаторі, який пружинить, коли привод повністю втягнутий і повертається у вихідне положення.
Це рішення дозволяє змінювати стовбур і очищати його оболонки під час зворотного руху поршня. Крім того, після повернення поршневого штока фіксатор самостійно відпружується і розвантажує насос, тому гідравлічна система не нагрівається. У нейтральному положенні масло вільно протікає через розподільник і йде в зворотний канал в бак.
Керування:
Трипозиційний важіль (1 - 0 - 2):
Нейтральне положення 0 (важіль встановлено вертикально), шток поршня приводу стоїть - масло йде в перелив.
Робоче положення 1 (важіль у передньому діагональному положенні), шток поршня приводу висувається.
Робоче положення 2 (важіль у заднє діагональне положення), шток поршня приводу втягується
Підключення:
Подача від насоса (P): внутрішня різьба BSP 3/4" p>
Повернення до резервуара (T): BSP 3/4'' внутрішня різьба
Секції (A ; B): BSP 1/2'' внутрішня різьба
Діапазон тиску:
Максимальний тиск подачі: 250 бар
Максимальний тиск у зворотній лінії: 50 бар
Максимальний тиск на секціях: 300 бар
Переливний клапан налаштований на заводі на 175 бар,
можливість саморегулювання, зміна повного оберту на 30 бар.
Клапан звільняє важіль від робоче положення в нейтральне положення встановлено на 70 бар,
можливість саморегулювання в діапазоні 70 - 140 бар.
Рекомендований діапазон температури масла:
Допустима температура навколишнього середовища: від -40 C до +60 C
Допустима температура масла: від -15 C до +80 C
Наша пропозиція включає більшість типів гідравлічних двигунів, а також повний асортимент силової гідравліки. Насоси, розподільники, гідроциліндри, клапана, гідропроводи.
Виставляємо рахунки
Запрошуємо до співпраці
