ГІДРОМОТОР SMS OMS BMS OMZS 100 ПОТУЖНИЙ
- Час доставки: 7-10 днів
- Стан товару: новий
- Доступна кількість: 6
Просматривая «ГИДРАВЛИЧЕСКИЙ МОТОР SMS OMS BMS ОМЗС 100 МОЩНЫЙ», вы можете быть уверены, что данный товар из каталога «Гидравлическая система» будет доставлен из Польши и проверен на целостность. В цене товара, указанной на сайте, учтена доставка из Польши. Внимание!!! Товары для Евросоюза, согласно законодательству стран Евросоюза, могут отличаться упаковкой или наполнением.
ГІДРАВЛІЧНИЙ МОТОР ТИПУ SMS 100
ТИП: ПОСИЛЕНИЙ ГЕРОЛЕК
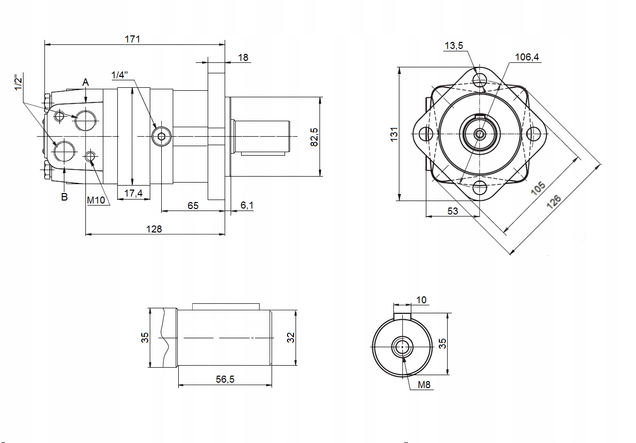
ВАЛ: 32 мм
МАКС. ШВИДКІСТЬ: 750 об/хв
Застосування:
Він широко використовується в гідравлічних системах у сільському господарстві, садівництві, лісове господарство, будівництво та промисловість у широкому розумінні.
Двигуни з однаковими розмірами залежно від походження та виробника відображаються під різними символами, зокрема: OMS, BMS, СМС, ОМСС, ОМЗСта інші
Гідромотор СМС 100 призначений в основному для використання в різних видах сільськогосподарського та промислового обладнання. У системах, де є висока потреба в потужності та крутному моменті.
Рекомендоване використання:
- Обмотувачі, кормозбиральні комбайни, розкидачі
- Прибиральні машини, піскорозкидачі, снігоочисники
- Прибиральники листя та гілок
- Приводи конвеєрів
- Подрібнювачі та подрібнювачі гілок
- Лісові лебідки та лебідки для транспортних засобів
- Бурові установки для фруктових садів і ґрунтові бурові установки
- Приводи для стежок
Технічні дані:
Напрямок обертання: двосторонній
Внутрішня різьба в корпусі: G 1/2"
Порти: бокове підключення
Матеріал корпусу: чавун
Максимальні параметри в безперервній роботі:
Максимальний потік: 75 л /хв
p>
Максимальна швидкість обертання: 748 об/хв
Максимальний тиск: 17,5 МПа
Максимальна потужність: 16,7 кВт
Максимальний крутний момент: 300 Нм
Максимальні параметри в тимчасовій роботі, макс. 6 секунд кожну хвилину:
Максимальний потік: 90 л/хв.
Максимальна швидкість обертання: 900 об/хв
Максимальний тиск: 21 МПа
Максимальна потужність: 19 кВт
Максимальний крутний момент: 300 Нм
Характеристики та переваги наших двигунів SMS
- додаткові роликові підшипники
- роликові підшипники в приводі замість пластикових вкладишів
- можливість послідовного та паралельного з’єднання
- високий пусковий момент і плавна робота відразу після запуску
- висока стійкість до осьових і радіальних сил
- простий монтаж< /li>
- низький рівень шум
- тривалий термін служби навіть у важких умовах експлуатації
Конструкція двигунів SMS базується на системі GEROLLER, яка передбачає використання всередині посилених роликових підшипників. Ролики забезпечують найвищу стійкість до перевантажень і тривалий термін служби двигуна. Роликові двигуни рекомендовані для систем, які працюють у важких умовах, при тривалій безперебійній роботі в сільському господарстві та промисловості.
УВАГА! Найдешевші двигуни, які представлені на ринку, не є GEROLLER. b> вони не мають роликових підшипників, лише жорсткі втулки, запитайте свого поточного постачальника, який тип двигунів він пропонує.
Наша пропозиція включає більшість типів гідравлічних двигунів, а також повний асортимент силової гідравліки. Насоси, розподільники, гідроциліндри, клапана, гідропроводи.
Запрошуємо до співпраці
