КЛАПАН ЕЛЕКТРОМАГНІТНИЙ 6/2 РОЗДІЛЬНИК 60L 24V 3 РОЗДІЛ ДЛЯ TURA
- Час доставки: 7-10 днів
- Стан товару: новий
- Доступна кількість: 88
Просматривая «ЭЛЕКТРОМАГНИТНЫЙ КЛАПАН 6/2 ДЕЛИТЕЛЬ 60Л 24В 3 СЕКЦИИ ДЛЯ TURA» данный товар из каталога «Гидравлическая система» вы можете быть уверены, что после оформления заказа, доставки в Украину, вы получите именно то, что заказывали, в оговоренные сроки и европейского качества.
ДІЛЬНИК (СОЛЕНОЇДНИЙ КЛАПАН) 6/2 24V
Застосування:
Він широко використовується в гідравлічних системах у сільському господарстві, садівництві, лісництві, будівництві та промисловості в широкому розумінні.
Дільник адаптований до різних типів машин, таких як: сільськогосподарські машини, трактори, обприскувачі, зубри, циклопи, навантажувачі HDS, будівельні машини, навантажувачі, екскаватори, підмітальні машини, промислові машини та інші пристрої з гідравлічним керуванням.
Технічні дані:
Електрична розетка включена.
Рекомендована витрата масла в системі: 0 - 60 л/хв.
Приклад керування: два незалежно діючі приводи подвійної дії, керовані з одна секція в розподільній гідравліці.
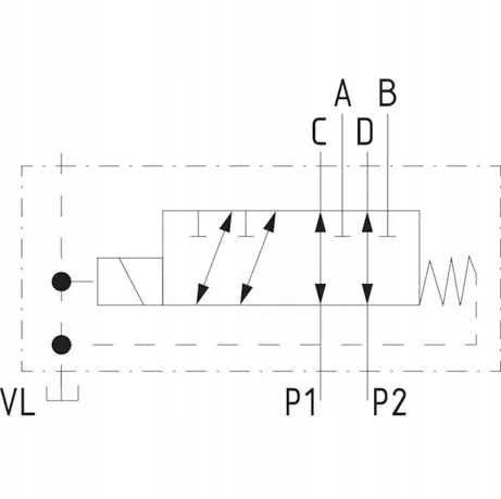
Принцип дії:
Електромагнітний клапан за допомогою електричного імпульсу (24 В) дозволяє перемикати керування між двома незалежно працюючими приводами подвійної дії. Це ідеальне рішення, коли у нас є гідравлічний розподільник, в якому вже використовуються всі доступні секції, і раптом виникає потреба керувати новим, додатковим приводом.
У навантажувачі TUR цей пристрій дозволяє керувати лопатою, захватом тюків або крокодилом з однієї секції в розподільнику. Перемикання між елементами управління здійснюється за допомогою кнопки. Він може бути встановлений біля розподільника або безпосередньо на елементі керування, напр. на важелі або джойстику.
Електромагнітний клапан дозволяє керувати двома приводами, але не дозволяє керувати ними одночасно. Роботу потрібно виконати на першому приводі, а потім переходимо до керування другим приводом.
Керування:
Двопозиційний повзунок (1 - 2), підпружинений, тобто повертається в нейтральне положення самостійно після відключення живлення. Коли повзунок знаходиться в нейтральному положенні (1), можна керувати приводом №. 1.
Принцип роботи повзунка:
- Положення 1 нейтраль (подача струму на котушку припинена) можливість керування приводом №. 1.
- Робоча позиція 2 (живлення котушки), можливість керування приводом № 2.
Струм:
Живлення постійного струму (DC) 24 В
Підключення:
Живлення від секції розподільника (P1, P2): внутрішня різьба BSP 1/2''
Вихід на привод №. 1 (A, B): BSP 1/2'' внутрішня різьба
Вихід для приводу №. 2 (C, D): BSP 1/2'' внутрішня різьба
Діапазон тиску:
Максимальний тиск: 210 бар
Рекомендований діапазон температури масла:
Допустима температура навколишнього середовища: від -40 C до +60 C
Допустима температура масла: від -15 C до +80 C
Рекомендоване фільтраційне масло на рівні 10 - 15 µ
Ми виставляємо рахунки
Ми також пропонуємо повний асортимент силової гідравліки. Насоси, розподільники, гідроциліндри, клапана, гідропроводи.
Запрошуємо до співпраці
