Контролер світлодіодних сходів RGB RGBW F22
- Час доставки: 7-10 днів
- Стан товару: новий
- Доступна кількість: 98
Оплачивая «Контролер світлодіодних сходів RGB RGBW F22», вы можете быть уверены, что данный товар из каталога «Драйверы» будет доставлен из Польши и проверен на целостность. В цене товара, указанной на сайте, учтена доставка из Польши. Внимание!!! Товары для Евросоюза, согласно законодательству стран Евросоюза, могут отличаться упаковкой или наполнением.
Набір складається з:
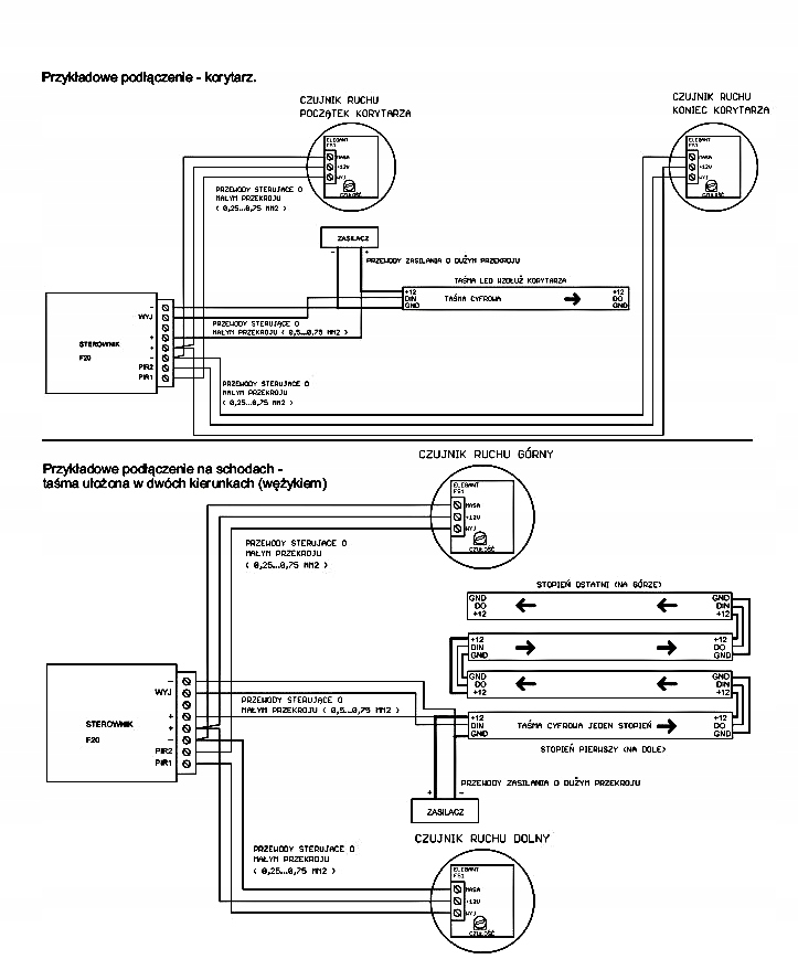
- F22Elegant LED сходовий контролер
- RGB CCT Mi пульт керування -Light FUT092
- 2 x FS1 відбиваючий датчик руху - вибір кольору (починається, коли промінь розрізається - регульований робочий діапазон)
За допомогою цього драйвера ви можете отримати ефект анімованих/розширених кроків у будь-якому кольорі RGBW + білий (теплий/нейтральний/холодний, отриманий у результаті змішування кольорів) та багато інших ефектів.
Контролер також може працювати в коридорному режимі. Залежно від того, з якого боку коридору ми заходитимемо, контролер спрацьовуватиме ефект розширюючої світлової лінії.
Завдяки використанню сходово-коридорного контролера F22T і цифрових стрічок ми можемо легко створювати анімоване освітлення сходів, коридору чи сходів.
Сходово-коридорний контролер має багато динамічних ефектів (текуче кольори, веселки, сходи, що розширюються/згортаються, тощо) і статичні (ми можемо отримати ефект одинарного освітлення сходинок). У комплекті з контролером є два датчики руху FS1, які взаємозамінно вмикають/вимикають освітлення.
Основними перевагами сходово-коридорного контролера F22T є дуже легкий монтаж (цифрова стрічка з'єднана послідовно + два датчики підключений до контролера) і дуже зручне налаштування за допомогою сенсорного пульта дистанційного керування (встановлюємо ширину та кількість кроків, вибираємо динамічну/статичну програму, швидкість, час роботи, колір, інтенсивність світла).
Параметри сходово-коридорного контролера F22
- Розміри: 60 x 84 x 30 мм
- Напруга живлення: 5...12 В
- Анімований функціональне підсвічування сходів у кольорі RGBW (розвиваючі кроки)
- Функція анімованого освітлення коридору (розвиваюча лінія)
- підтримка 1000 пікселів RGB (50 метрів 12 В цифрового стрічка 60 діодів/метр)
- доступна версія для цифрових стрічок RGB і моноколірних стрічок MONO
- працює з датчиками руху
- анімація є відтворення відповідно до напрямку руху
- функція постійного підсвічування, коли люди не рухаються
- пульт дистанційного керування
- робоча частота пульта дистанційного керування: 2,4 ГГц, живлення від 2 x AAA батарейки
Відбиваючий датчик руху FS1 (2 шт. в комплекті з контролером)
- виявляє людей, які піднімаються по сходах або йдуть по коридору (після відсікання невидимого променя) , датчик активовано)
- датчик використовує надійний відбиваючий датчик від Sharp
- регульована чутливість (відстань, на яку він має реагувати)
- краща продуктивність, ніж популярний датчик PIR
- напруга живлення: 12 В/24 В
- пристосований для монтажу в монтажній коробці 60 мм (для гвинтів)
Характеристики
- дистанційне вмикання/вимкнення (при зникненні живлення контролер запам'ятовує налаштування)
- керування по радіо хвилі - робочий діапазон до 30м
- плавне регулювання яскравості
- зміна колірної температури
- підтримує до 4 зон
- можливість налаштування будь-який колір із райдужної палітри
- можна встановити теплий/нейтральний/холодний білий
Специфікація
- діапазон дистанційного керування 30 м
- радіозв'язок 2,4 ГГц
- розміри 110 x 52 x 20 мм
- внутр. 24 місяці
- до 4 зон
Перегляньте інші наші аукціони. Ми пропонуємо широкий асортимент цифрових, музичних контролерів і контролерів SD-карт.
Ми виробляємо та розробляємо цифрові контролери, які також виготовляються на замовлення.
Ми відкриті до ідей і викликів, які висувають наші клієнти.
Ми безпосередньо імпортуємо цифрові стрічки та цифрові світлодіодні модулі.
Відео із зразками ефектів. Скопіюйте та вставте наведене посилання у свій веб-переглядач
https://youtu.be/AbFPt0YjC3E
Завдяки контролеру ми можемо легко створити сучасне та інноваційне освітлення для сходів чи коридорів. Збірка всього комплекту не викликає особливих проблем. З'єднайте стрічки послідовно, пам'ятаючи про дотримання правильного напрямку сигналу (стрілки на стрічці).До контролера підключіть тільки три дроти (сигнал, плюс, земля), що істотно спрощує всю установку.
