МУЛЬТИПЛІКАТОР НАСОС ШЕСТЕРЕНИЙ 1:3,8 ВОМ 12125376
- Час доставки: 7-10 днів
- Стан товару: новий
- Доступна кількість: 128
Оплачивая «ШЕСТЕРНЯ НАСОСА МУЛЬТИПЛИКАТОРА 1:3,8 ВОМ 12125376» данный товар из каталога «Гидравлические насосы» вы можете быть уверены, что после оформления заказа, доставки в Украину, вы получите именно то, что заказывали, в оговоренные сроки и европейского качества.
МУЛЬТИПІЛІКАТОР ПЕРЕДАТОК 1:3,76 (64/17)
З ВАЛОМ ВОМ, що виступає
Виробництво:
Оригінальний продукт бренду Rolmus, символ: 1.45.10.029.90.200
Застосування:
Коробка передач багаторазово збільшує швидкість обертання вала гідронасоса відносно приводу джерела. Він забезпечує високу ефективність насоса при низьких обертах карданного вала.
Він ідеально підходить для приводу гідравлічних насосів у лісогосподарських і будівельних машинах, що вимагають великого потоку масла, а також у багатьох тракторах, включаючи C-330, C-360, C-385, ZETOR, MF та інші з типовим карданним приводом із валом 1 3/8".
Виступаючий карданний вал дозволяє трансмісія, що приводиться в рух за допомогою карданного вала. Це рішення дозволяє відсунути трансмісію від трактора чи іншого джерела приводу та встановити в іншому місці на машині чи іншому зовнішньому пристрої.
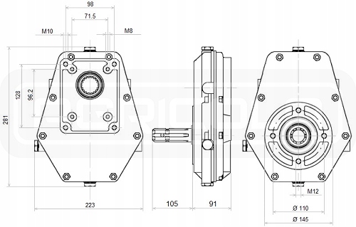
Технічні дані редуктора:
- Можливість роботи з насосами європейського типу 2-ї та 3-ї груп.
- Для підключення насоса до мультиплікатора потрібна шліцьова муфта (не входить в комплект).
- Кріплення насоса: 4 отвори, відстань GR2: 71,5 мм x 96,2 мм або GR3: 98 мм x 128 мм
- Діаметр центруючого фланця насоса: GR2: 36,5 мм або GR3: 50,8 мм
- Тип вала насоса: конічний 1:8
- Коефіцієнт множника: 1:3,76 (64/17)
- Потужність мультиплікатора: 20 кВт
- Стандартний виступаючий вал ВВП 1,3/8" DIN9611
- Максимальна вхідна швидкість: макс. 540 об/хв
- Максимальна вихідна швидкість: макс. 2052 об/хв
- Він має видошукач для перевірки рівня трансмісійного масла.
- Допустима температура навколишнього середовища: від -40 C до +60 C
- Під час першого використання замініть масло після 50 робочих годин. Максимальна місткість трансмісійного масла становить 0,35
