ПОТЕНЦІОМЕТР ALPS RK271 СТЕРЕО ЖУРНАЛ 10KAX2
- Час доставки: 7-10 днів
- Стан товару: новий
- Доступна кількість: 32
Оплачивая «ПОТЕНЦИОМЕТР ALPS RK271 СТЕРЕО ЖУРНАЛ 10KAX2» данный товар из каталога «Потенциометры» вы можете быть уверены, что после оформления заказа, доставки в Украину, вы получите именно то, что заказывали, в оговоренные сроки и европейского качества.
ПОТЕНЦІОМЕТР ALPS RK271 STEREO LOG 10KAX2
Високоякісний стереопотенціометр.
Характеристики - логарифмічний
(зазвичай використовується для регулювання гучності на пристроях аудіо)
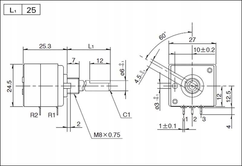
Діаметр осі - 6мм
Довжина осі - 25мм
Довжина різьби осі - 7мм
Тип осі - круглі з насічкою
Довжина осі визначається як довжина разом із ниткою. На кресленні це розмір, позначений L1.
3 цифри в коді на кожному потенціометри вказують дату виробництва.
Перша цифра є останньою цифра року виробництва, а дві інші - на якому тижні вона була залишена виготовлений потенціометр (наприклад, 814: 14 тиждень 2018 року).
Покупкою потенціометр з нашої пропозиції, ви можете бути впевнені, що отримаєте потенціометр з з позначенням дати виготовлення, як на фото, або, можливо, новішої.
Посилання на веб-сайт виробника з додатковими розмірами та параметри:
https://tech.alpsalpine.com/e/products/detail/RK271111001T/
Двоканальний (стерео) потенціометр з логарифмічними характеристиками, який зазвичай використовується для регулювання гучності в аудіопристроях.
Зараз продаються потенціометри серії "129G".
