ПОТЕНЦІОМЕТР ALPS RK271 STEREO LOG 50KAX2 КОНТУР
- Час доставки: 7-10 днів
- Стан товару: новий
- Доступна кількість: 27
Просматривая «ПОТЕНЦИОМЕТР ALPS RK271 STEREO LOG 50KAX2 КОНТУР», вы можете быть уверены, что данный товар из каталога «Потенциометры» будет доставлен из Польши и проверен на целостность. В цене товара, указанной на сайте, учтена доставка из Польши. Внимание!!! Товары для Евросоюза, согласно законодательству стран Евросоюза, могут отличаться упаковкой или наполнением.
КОНТУРНИЙ ПОТЕНЦІОМЕТР ALPS RK271 STEREO LOG 50KAX2
Високоякісний стереопотенціометр.
Характеристики - логарифмічний
(зазвичай використовується для регулювання гучності на пристроях аудіо)
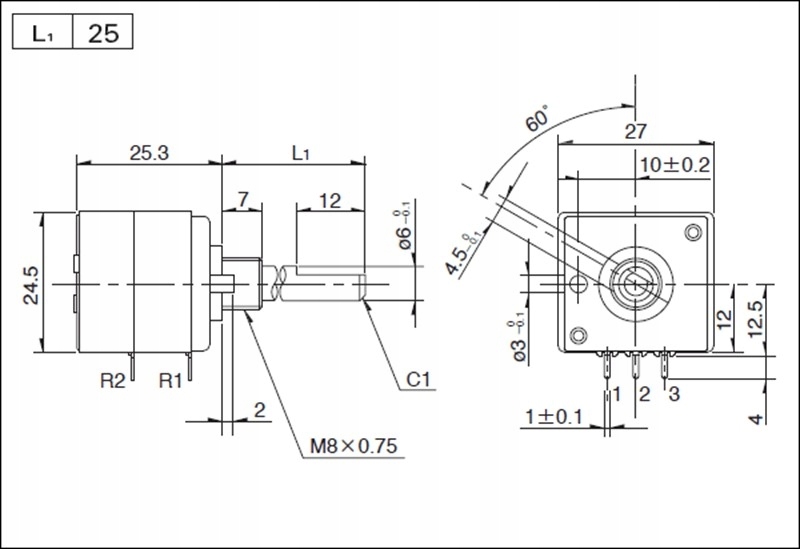
Діаметр осі - 6мм
Довжина осі - 25мм
Довжина різьби осі - 7мм
Тип осі - рифлені
Потенціометр має 4 контакти на канал. 4 пін є штифт контур (регулятор гучності), який використовується для посилення низьких і високих частот частоти на низькій гучності. Опір між контактом заземлення та контурний штифт становить приблизно 7,2 кОм незалежно від положення осі.
Довжина осі визначається як довжина разом із ниткою. На кресленні це розмір, позначений L1.
3 цифри в коді на кожному потенціометри вказують дату виробництва.
Перша цифра є останньою цифра року виробництва, а дві інші - на якому тижні вона була залишена виготовлений потенціометр (наприклад, 814: 14 тиждень 2018 року).
Покупкою потенціометр з нашої пропозиції, ви можете бути впевнені, що отримаєте потенціометр з з датою виробництва, як показано на фото (або, можливо, новіше).
Посилання на веб-сайт виробника з додатковими розмірами та параметри:
https://tech.alpsalpine.com/e/products/detail/RK271111001T/
Двоканальний (стерео) потенціометр з логарифмічними характеристиками, який зазвичай використовується для регулювання гучності в аудіопристроях. Потенціометр з контурним краном.
Зараз продаються потенціометри серії "925G".
