ROZDZIELACZ HYDRAULICZNY 1 SEKCJA 80L/MIN ŁUPARKI
- Час доставки: 7-10 днів
- Стан товару: новий
- Доступна кількість: 499
Просматривая «ROZDZIELACZ HYDRAULICZNY 1 SEKCJA 80L/MIN ŁUPARKI», вы можете быть уверены, что данный товар из каталога «[rubrica_name]» будет доставлен из Польши и проверен на целостность. В цене товара, указанной на сайте, учтена доставка из Польши. Внимание!!! Товары для Евросоюза, согласно законодательству стран Евросоюза, могут отличаться упаковкой или наполнением.
Оригінальний гідравлічний розподільник 80 л для спліттера
КОД SKRAW-MET: [3536]
Виробництво: SM-G (SKRAW-MET GROUP)
Дильник для дровоколів.
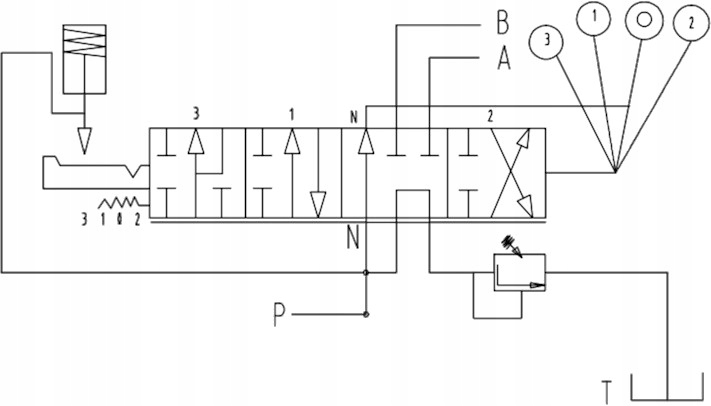
Пружина діє на повзун в одному напрямку, тобто для розщеплення потрібно утримувати важіль, а повернення штока поршня відбувається за допомогою фіксатора з відскоком (при поверненні поршня приводу у вихідне положення, фіксатор самостійно повертається назад і розвантажує насос).
Розподільник ідеально підходить для машин і пристроїв з гідравлічним приводом.
Може використовуватися в сільському господарстві, садівництві, лісовому господарстві та будівництві.
Розподільник має запобіжний клапан.
Розподільник може керувати приводами подвійної дії.
Технічні характеристики:
- Потік масла: 80 л/хв
- Максимальний тиск: 300 бар
- Температура масла від -15°C до +80°C
- Тип масла: гідравлічне масло на масляній основі мінеральні
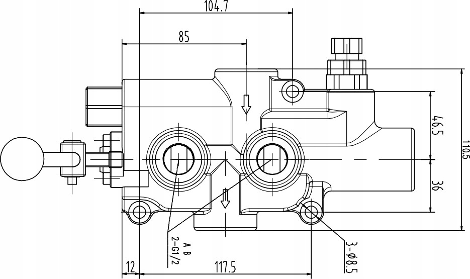
З'єднання (внутрішня різьба в корпусі):
- Подача 3/4"
- 3/4" повернення
- 1/2" приводи
Трипозиційний важіль (1 - 0 - 2 ):
Переливний клапан: Заводська установка на 175 бар
Можливість саморегулювання, зміна повного ходу на 30 бар.
