РОЗПОДІЛЬНИК SD8 J2P.DDDDJ2P Z1,2,8 ГІДРОЛІДЕР
- Час доставки: 7-10 днів
- Стан товару: новий
- Доступна кількість: 500
Покупая «РОЗПОДІЛЬНИК SD8 J2P.DDDDJ2P Z1,2,8 ГІДРОЛІДЕР» данный товар из каталога «Разделители» вы можете быть уверены, что после оформления заказа, доставки в Украину, вы получите именно то, что заказывали, в оговоренные сроки и европейского качества.
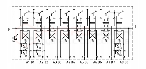
8-СЕКЦІЙНИЙ ГІДРАВЛІЧНИЙ РОЗПОДІЛЬНИК
Виробництво:
Оригінальний продукт торгової марки Hydrolider, символ: 1.10.56.084.5.1
Технічні дані:
- Кількість робочих секцій: 8
- Кількість електричних кнопок на джойстиках: 2 + 2
- Максимальний потік масла: 90 л/хв.
- Налаштування головного запобіжного клапана: 20 МПа. внутрішня різьба: BSP 1 /2"
- Зворотна внутрішня різьба: BSP 3/4"
Застосування:
- Рекомендується керувати: лісогосподарською машиною, лісогосподарським причепом, краном, сільськогосподарською, будівельною та садовою машиною.
- Використовується, серед іншого, у машинах виробництва: Waryński, Hydro-Fast, More Maskiner, Palms, BMF, Kellfri
Конструкція:
Розподільник побудований за модульною системою, в якій кожна секція є окремим елементом. Це рішення забезпечує індивідуальне керування кожною секцією, її налаштування, заміну, регенерацію або ремонт без необхідності заміни всього розподільника.
Важелі лівого та правого джойстика з двома кнопками, розташованими у верхній частині ручки .
Робота та принцип дії:
Розподільник з розімкнутим контуром, поки ми не керуємо жодною секцією, масло вільно тече через розподільник у зворотний канал (T).
Всі важелі та джойстики встановлені на пружині та автоматично повертаються в середнє положення.
>
Усі секції пристосовані для керування двосторонніми або односторонніми приводами та двигунами в одному або двох напрямках.
Секції 1, 2 і 8 захищені перевантажувальними клапанами, призначеними для керування стрілами кранів , ротатори, грейфери та інші пристрої, де потрібен контроль тиску та ваги вантажу.
