ШЕСТЕРНЯ ЕЛЕКТРОМОТОР ШЕСТУРНЯ B14 HMRV 1:20 NMRV MOTOVARIO
- Час доставки: 7-10 днів
- Стан товару: новий
- Доступна кількість: 269
Оплачивая «РЕДУКТОР ЭЛЕКТРОДВИГАТЕЛЯ GEAR B14 HMRV 1:20 NMRV MOTOVARIO», вы можете быть уверены, что данное изделие из каталога «Гидравлическая система» будет доставлено из Польши и проверено на целостность. В цене товара, указанной на сайте, учтена доставка из Польши. Внимание!!! Товары для Евросоюза, согласно законодательству стран Евросоюза, могут отличаться упаковкой или наполнением.
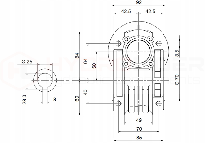
ЧЕРВ'ЯЧНА ПЕРЕДАЧА HMRV 50 1:20 IEC80
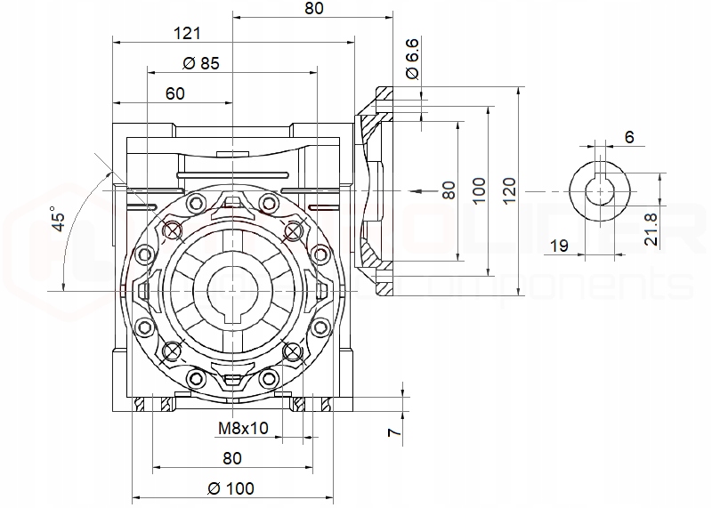
ДЛЯ ЕЛЕКТРОМОТОРІВ IEC80 З ФЛАНЦЕМ
B14
Виробництво:
Оригінальний продукт марки Hydrolider, символ: 1.42.38.5080120.14
Застосування:
Редуктор HMRV 50 призначений для зниження вихідної швидкості в 1- і 3-фазних електродвигунах з механічним розміром IEC80, оснащених фланцем B14 із зовнішнім діаметром 120 мм.
Використовується в різних типах промислових, сільськогосподарських і лісогосподарських машин, в тому числі переробних. машини для деревини, мийні машини під тиском, приводи конвеєрів, шнеки, елеватори та інші.
Редуктори HMRV можуть використовуватися як заміна 1:1 для редукторів NMRF MOTOVARIO RV, PMRV, WMI, DKM, SMI з тим же механічним розміром і передавальним числом.
Технічні дані:
- Тип: HMRV 50
- Передавальне число (зниження швидкості): 1:20
- Внутрішній діаметр вихідного вала: 25 мм
- Оберти вихідного вала при 1400 об/хв на двигуні: 70 об/хв
- Макс. потужність: 0,68 кВт
- Максимальний номінальний крутний момент: 72 Нм
- Додаткове обладнання: гвинти та гайки для кріплення до двигуна
- Механічний розмір двигуна: IEC80
- Рекомендована потужність двигуна: 0,55 кВт; 0,75 кВт; 1,1 кВт.
- Тип фланця двигуна: B14.
