шпильковий замок Lob Yeti KTZ75YPCV
Код: 10657462578
1135 грн
Ціна вказана з доставкою в Україну
Товар є в наявності
ЯК ЕКОНОМИТИ НА ДОСТАВКЕ?
Замовляйте велику кількість товарів у цього продавця
Інформація
- Час доставки: 7-10 днів
- Стан товару: новий
- Доступна кількість: 8
Оплачивая «замок навесной штифт Lob Yeti KTZ75YPCV», вы можете быть уверены, что данное изделие из каталога «Замки» будет доставлено из Польши и проверено на целостность. В цене товара, указанной на сайте, учтена доставка из Польши. Внимание!!! Товары для Евросоюза, согласно законодательству стран Евросоюза, могут отличаться упаковкой или наполнением.
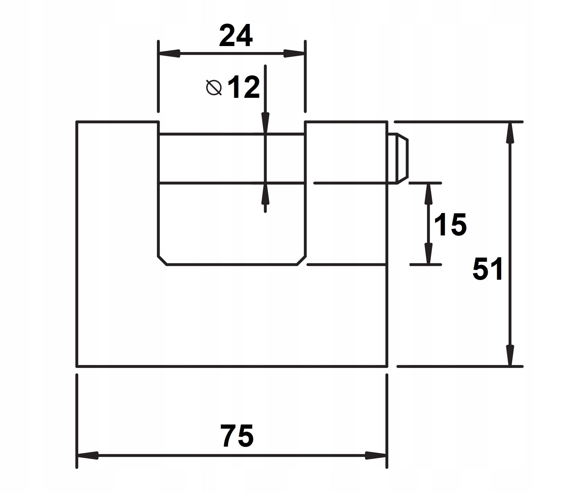
Навісний замок Yeti KTZ75YPCV:
- 3 ключі в комплекті
- дужка із загартованої сталі
- Корпус навісного замка ZnAl покритий кришкою з ПВХ
- застібка
- ПВХ покриття захищає від подряпин елементи, на які він встановлений
