1-СЕКЦІЙНИЙ ГІДРАВЛІЧНИЙ РОЗПОДІЛЮВАЧ 40Л ПЛАВАЮЧИЙ
- Время доставки: 7-10 дней
- Состояние товара: новый
- Доступное количество: 12
Оплачивая «1-СЕКЦІЙНИЙ ГІДРАВЛІЧНИЙ РОЗПОДІЛЮВАЧ 40Л ПЛАВАЮЧИЙ» данный товар из каталога «Гидравлическая система», вы можете получить дополнительную скидку 4%, если произведете 100% предоплату. Размер скидки вы можете увидеть сразу при оформлении заказа на сайте. Внимание!!! Скидка распространяется только при заказе через сайт.
1-СЕКЦИОННЫЙ ГИДРАВЛИЧЕСКИЙ РАСПРЕДЕЛИТЕЛЬ Р40 С ПЛАВАЮЩЕЙ СЕКЦИЕЙ
Замена на: P40K16GKZ1
Применение:
Имеет широкую спектр применения в гидравлических системах в сельском хозяйстве, садоводстве, лесном хозяйстве, строительстве и в широком понимании промышленности.
Распределитель адаптирован к различным типам машин, таким как: сельскохозяйственные машины, тракторы, опрыскиватели, туреры, циклопы, Погрузчики HDS, строительные машины, погрузчики, экскаваторы, подметальные машины, промышленные машины и другие устройства с гидравлическим управлением.
Плавающая секция, также известная как свободный поток, используется, среди прочего, для снегоочистителей или фронтальных погрузчиков TUR. Это вызывает свободное перемещение штока поршня в гидроцилиндрах. Защищает от повреждений элементов, непосредственно контактирующих с землей, например, отвала плуга.
Технические данные:
Рекомендуемый расход масла в системе: 0–40 л/мин.
Пример управления: привод двойного действия.
p>Возможность последовательного подключения к существующей системе (требуется напорный рукав).
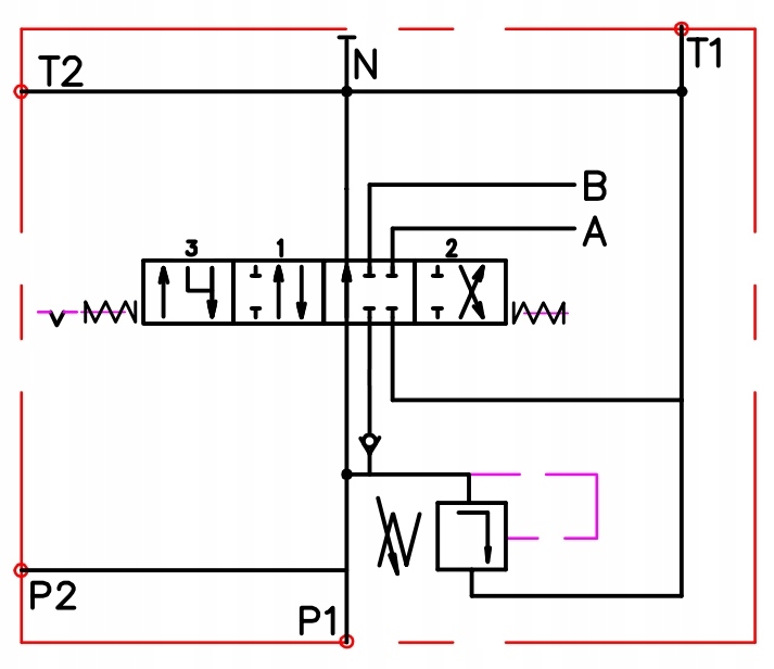
Управление:
Рычаг четырехпозиционный (1 - 0 - 2 - 3), три положения (1 - 0 - 2) на пружине (рычаг сам возвращается в вертикальное положение), положение (3) плавающее на защелке (рычаг останавливается в плавающем положении):
- Нейтральное положение 0 (рычаг установлен вертикально), шток привода стоит – масло уходит в перелив.
- Рабочее положение 1 (рычаг установлен по диагонали вперед), шток поршня привода выдвигается.
- Рабочее положение 2 (рычаг установлен по диагонали назад), шток поршня привода втягивается.
- Плавающее положение 3 с фиксатором (рычаг установлен в максимально переднее положение), шток поршня привода работает свободно, свободно выдвигается и втягивается под действием действующих сил.
Подключение:
Подача от насоса (P): внутренняя резьба BSP 1/2 дюйма.
Обратный трубопровод в резервуар (T): внутренняя резьба BSP 1/2"
Секционный выпуск (A, B): внутренняя резьба BSP 3/8"
Последовательное разъединение (N): BSP 1/2" внутреннее резьба
Диапазон давления:
Максимальное давление подачи: 250 бар
Максимальное обратное давление: 50 бар
Максимум давление на секциях: 300Бар.
Клапан перепускной настроен на заводе на 175Бар.
Возможность саморегулировки, изменение полного оборота на 30Бар.
Наше предложение также включает в себя полный спектр силовой гидравлики. Насосы, распределители, гидроцилиндры, клапаны, гидролинии.
Выставляем счета
Приглашаем к сотрудничеству
