100-20/24 ВАЛИК ПОДАЧИ ДЕРЕВА ДЛЯ РОЛИКОВ ФРЕЗЕРНЫХ СТАНКОВ
Код: 15311823109
3411 грн
Цена указана с доставкой в Украину
Товар есть в наличии
КАК ЭКОНОМИТЬ НА ДОСТАВКЕ?
Заказывайте большое количество товаров у этого продавца
Информация
- Время доставки: 7-10 дней
- Состояние товара: новый
- Доступное количество: 993
Приобретая «100-20/24 ВАЛИК ПОДАЧИ ДЕРЕВА ДЛЯ РОЛИКОВ ФРЕЗЕРНЫХ СТАНКОВ» данный товар из каталога «Фрезерные станки» вы можете быть уверены, что после оформления заказа, доставки в Украину, вы получите именно то, что заказывали, в оговоренные сроки и европейского качества.
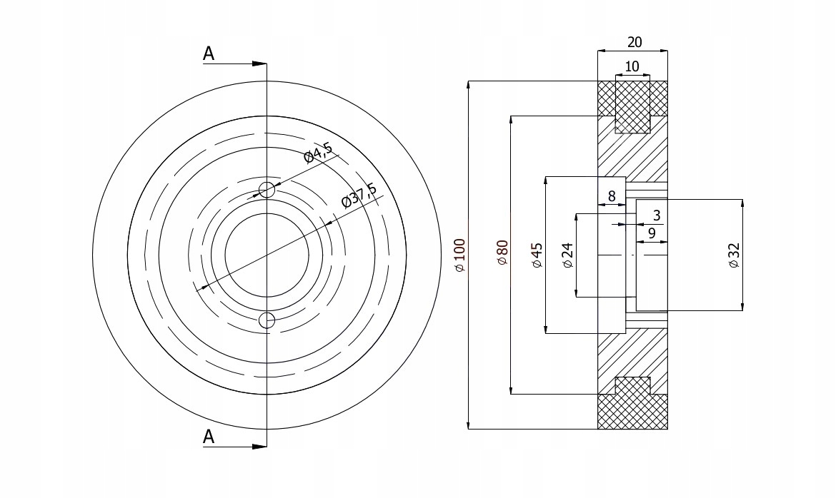
ПОДАЮЩИЙ ВАЛЕЦ ИЗ АЛЮМИНИЯ И ПОЛИУРЕТАНА
ДЛЯ ПОДАЧИ ДРЕВЕСИНЫ, ФРЕЗЕРНОГО ПРИЖИМНОГО КОЛЕСА
fi 100
( RMP-100-20/24)
- - ДИАМЕТР РОЛИКА - 100 мм
- - ШИРИНА СТУПИЦЫ - 3 мм
- - ОТВЕРСТИЕ СТУПИЦЫ - 24 мм
- - ШИРИНА ПРОТИВНИКА - 20 мм
- - ВЕС РОЛИКА - 0,28 кг
ПОЛЬСКИЙ ПРОИЗВОДИТЕЛЬ!
В НАЛИЧИИ РАЗМЕРЫ В ДРУГИХ АУКЦИОНЫ:
- 48/22/15, 50/20/15, 60/36/10, 60/36/15, 70/25/25, 90/38/20, 100/20/24, 110/47/15, 110/54/18, 120/60/35, 140/50/35
