Орбитальный двигатель Kramp объемом 125 куб.см, 125 см³/об, 303 Н
- Время доставки: 7-10 дней
- Состояние товара: новый
- Доступное количество: 20
Просматривая «Орбитальный двигатель Kramp объемом 125 куб.см, 125 см³/об, 303 Н» данный товар из каталога «Гидравлические двигатели», вы можете получить дополнительную скидку 4%, если произведете 100% предоплату. Размер скидки вы можете увидеть сразу при оформлении заказа на сайте. Внимание!!! Скидка распространяется только при заказе через сайт.
Орбитальный двигатель Kramp объемом 125 куб.см
✔️Технические данные:
Номер детали: SMS125A432YKR
EAN: 8719493241310
Единица измерения: Штука
Технические характеристики: Высокие осевые и радиальные нагрузки на ось и высокий момент затяжки Тихая работа при низких скоростях вращения
Применение: Может использоваться везде, где требуется высокий крутящий момент и низкие скорости вращения Также подходит для непрерывного реверса вращения Может использоваться непрерывно под высоким давлением
Особенности: С отводом утечки масла Конструкция роликов Конические роликоподшипники Из серии больших орбитальных подшипников двигатели Прочная и компактная конструкция Очень хорошие эксплуатационные свойства
Преимущества: Хорошее соотношение цены и качества Малые потери производительности
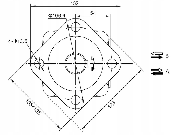
Форма фланца: Квадрат
Количество монтажных отверстий: 4
Тип вала: Прямопараллельный
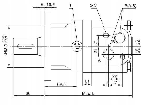
Диаметр вала: 32 мм
Производительность: 125 см³/об
Макс. постоянный крутящий момент: 303 Н·м
Макс. постоянное рабочее давление: 175 БАР
Мгновенное рабочее давление макс.: 200 БАР
Макс. рабочее давление: 225 БАР
Макс. расход: 75 л/мин
Максимальная скорость вращения: 600 об/мин
Мин. скорость вращения: 9 об/мин
Диаметр резьбы основного соединения: 1/2 дюйма
Тип резьбы основного соединения: G
Диаметр резьбы сливного соединения: 1/4 дюйма
Тип резьбы сливного соединения: G
Положение соединения: Боковое
L1Длина ротора: 19 мм
Максимальная мощность: 16 кВт
L2Размер от центра главного порта до переднего фланца: 132 мм
Длина корпуса: 175 мм
Производитель: Kramp
