250-миллиметровый дорожный щит модель FLS-250/D6 Camlock
- Время доставки: 7-10 дней
- Состояние товара: новый
- Доступное количество: 4
Просматривая «250-миллиметровый дорожный щит модель FLS-250/D6 Camlock» данное изделие из «Держатели и приспособления для крепления» вы можете быть уверены, что после оформления заказа, доставки в Украину, вы получите именно то, что заказывали, в оговоренные сроки и европейского качества.
Карбийский щит для 3 или 4 ручки челюсти 250 мм.
Модель FLS -250/D6
Номер каталога: 08540
щит в системе крепления - Camlock.
Технический рисунок экрана трещины:
Поскольку таблица ниже относится ко всем типам и размерам, пожалуйста, найдите в таблице ниже в столбце значения чака - 250, в то время как в следующем столбце размера - 6. Сборка
Die C - ...... .......... - Диаметр, измеренный в оси диагонали винта - от токарной страницы
Диаметр
b1- Толщина основного элемента элемента.
g - ...... - место, чтобы принести под токарный станок, это диаметр конуса в самом широком месте
Наиболее важными размерами являются C или, необязательно G - что легче измерить вас и измерение D - мы измеряем, когда речь идет о установке щита на Lathe. Ниже, однако, я представляю чертеж, который ручка подходит для этого щита.
a - это диаметр деления в кубок для шпинделя токарного станка - 133,40 мм
max - это размер конуса в максимальном месте - 106,385
Мин
Я представляю характеристики ручки, с которой соответствует щит.
Пожалуйста, посмотрите на размер в таблице 250, к которому подходит щит.
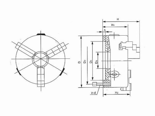
Технический рисунок с размерами:
d - размер ручки
d1 - вспахивание диаметра блокировки под наводной бабникой zabierakowa
d3 - диаметр полета
h1 - толщина
h - толщина с jaws
h1 - толщинаh - jaws
h - jaws
h1.