Орбитальный двигатель Kramp объемом 315 куб.см, 315 см³/об, 551 Н
- Время доставки: 7-10 дней
- Состояние товара: новый
- Доступное количество: 20
Покупая «Орбитальный двигатель Kramp объемом 315 куб.см, 315 см³/об, 551 Н» данный товар из каталога «Гидравлические двигатели» вы можете быть уверены, что после оформления заказа, доставки в Украину, вы получите именно то, что заказывали, в оговоренные сроки и европейского качества.
Характеристики: Высокие осевые и радиальные нагрузки на ось и высокий момент затяжки. Тихая работа при низких скоростях вращения.
Применение: Может использоваться везде, где требуется высокий крутящий момент и низкие скорости вращения. Также подходит для непрерывного реверса вращения. Может использоваться непрерывно под высоким давлением.
Особенности: С отводом утечек масла. Конструкция роликов. Конические роликоподшипники. Из серии больших орбитальных двигателей. Прочная и компактная конструкция Очень хорошие эксплуатационные свойства
Преимущества: Хорошее соотношение цены и качества Небольшие потери производительности
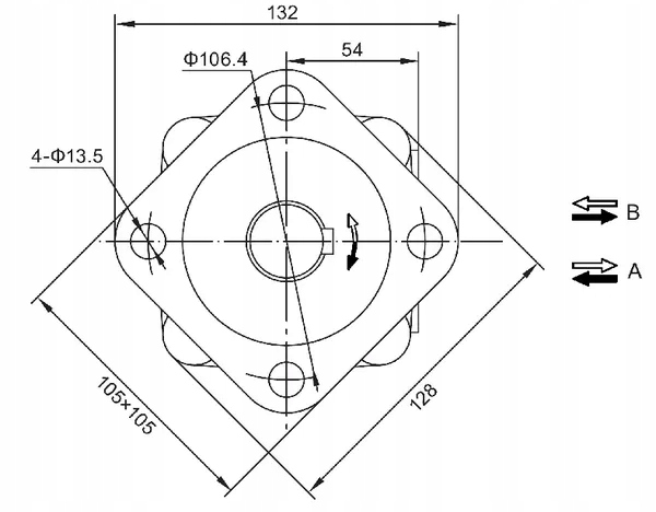
Форма фланца: Квадратный
Количество монтажных отверстий: 4
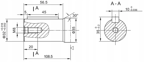
Тип вала: Прямопараллельный
Диаметр вала: 32 мм
Производительность: 315 см³/об
Макс. постоянный крутящий момент: 551 Н·м
Макс. постоянное рабочее давление: 125 БАР
Макс. мгновенное рабочее давление: 160 БАР
Макс. рабочее давление: 200 БАР
Макс. расход: 75 л/мин
Максимальная скорость вращения: 240 об/мин
Минимальная скорость вращения: 5 об/мин
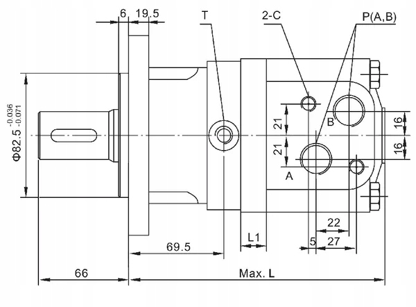
Диаметр резьбы основного соединения: 1/2 дюйма
Тип резьбы основного соединения: G
Диаметр резьбы дренажного соединения: 1/4 дюйма
Тип резьбы дренажного соединения: G
Положение подключения: Боковое
L1 Длина ротора: 53 мм
Максимальная мощность: 10 кВт
L2Размер от центра основного порта до переднего фланца: 166 мм
Длина корпуса: 209 мм
Производитель: Kramp
