4010 турбинный вентилятор - нефтяные подшипники, 12 В
- Время доставки: 7-10 дней
- Состояние товара: новый
- Доступное количество: 115
Просматривая «4010 турбинный вентилятор - нефтяные подшипники, 12 В», вы можете быть уверены, что данный товар из каталога «[rubrica_name]» будет доставлен из Польши и проверен на целостность. В цене товара, указанной на сайте, учтена доставка из Польши. Внимание!!! Товары для Евросоюза, согласно законодательству стран Евросоюза, могут отличаться упаковкой или наполнением.
вентиляторы без кисти обеспечивают отсутствие электромагнитных нарушений, возникающих в результате появления вентиляторов кисти, между кистью и коммутатором двигателя.
можно легко использовать, не опасаясь вредного воздействия на электронные системы вблизи их использования. Нефтяной подшипник, который значительно влияет на срок службы вентилятора и его тихой операции.
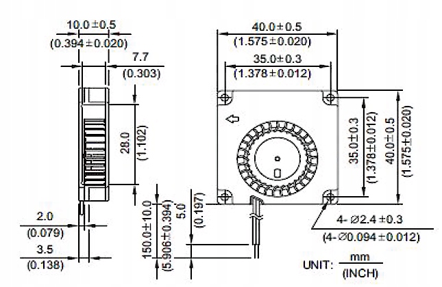
турбинный вентилятор 4010 Масло
- Life - 500 000 часов ,
- Уровень шума <22dba
- .
- Тип работы - Без кисти
- Скорость вращения - 8600 об/мин
- Цвет - Black
- z -
- . Размеры - 40 x 40 x 10 мм
- Питание питания - 2 PIN ( два -Wire ) - dupont
- mx/oem/dzi
- (12V).
