Argo Hytos 2rjv1-06-MB Слоистый клапан клапана клапана
- Время доставки: 7-10 дней
 - Состояние товара: новый
 - Доступное количество: 1
 
Просматривая «Argo Hytos 2rjv1-06-MB Слоистый клапан клапана клапана», вы можете быть уверены, что данный товар из каталога «Гидравлическая система» будет доставлен из Польши и проверен на целостность. В цене товара, указанной на сайте, учтена доставка из Польши. Внимание!!! Товары для Евросоюза, согласно законодательству стран Евросоюза, могут отличаться упаковкой или наполнением.
Argo Hytos 2RJV1-06-MB h1>
use:
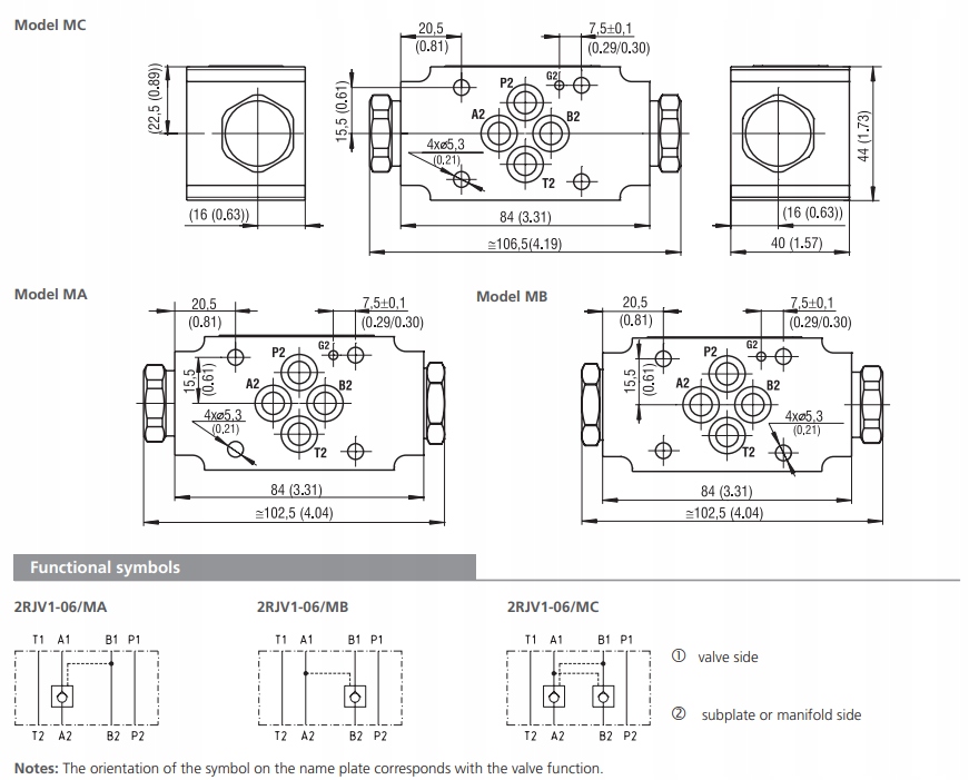
2RJV1-06 is a return valve of a sandwich structure, controlled by a pilot closing the flow for one or two ports
вертикально
полосы.
- Высокий максимальный поток
Три структурных сорта:
- Закрытие потока в строке A
- Закрытие потока в линии B
- Закрытие потока в линии A и B
корпус клапана фосформируется, оставшиеся части клапана покрыты с zinc.
Мы предлагаем большинство видов гидравлических двигателей, а также общий ассортимент в области гидравлики силы. Насосы, коллекторы, гидравлические цилиндры, клапаны, гидравлические кабели.
Мы отображаем vat23%
Мы приглашаем вас сотрудничать
