aune X5s 8th Anniversary Edition Bluetooth чорний
- Время доставки: 7-10 дней
- Состояние товара: новый
- Доступное количество: 8
Просматривая «aune X5s 8th Anniversary Edition Bluetooth чорний» данное изделие из «Сетевые плееры» вы можете быть уверены, что после оформления заказа, доставки в Украину, вы получите именно то, что заказывали, в оговоренные сроки и европейского качества.
aune X5s, юбилейное издание для 8-й годовщины (Bluetooth)
настольный аудиоплеер с технологиями PLL и FPGA в версии Bluetooth
aune X5s 8th Anniversary Edition — это четвертое поколение цифрового аудиоплеера компании, в котором основное внимание уделяется максимально возможному качеству звука. Эта модель основана на процессоре freescale 600M, поддерживает все популярные аудиоформаты, оснащена тактовой частотой PLL и технологией FPGA, а также поддерживает звук 32 бит/768 кГц и файлы DSD512.
aune X5s 8th Anniversary Edition, похожий на проигрыватель компакт-дисков
aune X5s 8th Anniversary Edition — новое воплощение цифрового аудиоплеера, первая версия которого вышла на рынок 8 лет назад. С самого начала инженеры компании сосредоточились на простой и эффективной форме аппаратного декодирования, напоминающей таковую в проигрывателях компакт-дисков.
Аудиоданные из памяти (например, microSD) отправляются непосредственно в цифро-аналоговый преобразователь (ЦАП) с помощью микроконтроллера RT1052. Благодаря этому основной процессор используется только для воспроизведения звука, что обеспечивает высокую чистоту сигнала.
aune X5s 8th Anniversary Edition поддерживает несколько форматов
Transport aune X5s 8th Anniversary Edition поддерживает все популярные форматы высокого разрешения, такие как FLAC, ALAC, AAC, ISO, DFF, DSF и WAV. Модель поддерживает декодирование звука до 32 бит/768 кГц и файлов DSD до 512x.
aune X5s, юбилейное издание 8th Anniversary Edition с поддержкой мультимедиа
Новая версия Aune X5s 8th Anniversary Edition позволяет считывать звук не только с карт microSD. Пользователи также могут использовать USB-накопители (флеш-накопители) или внешние HDD/SSD-накопители (емкостью до 2 ТБ в формате exFAT или FAT32).
aune X5s 8th Anniversary Edition — многофункциональный плеер
aune X5s 8th Anniversary Edition оснащен оптическими и коаксиальными выходами, поддерживающими звук до 32 бит/384 кГц и файлы DSD до 128x. Его можно подключить к ЦАП (например, Aune X8) или к наушникам (например, Aune X1s GT) для создания аудиосистемы без необходимости использования компьютера.
Новый Aune X5s имеет линейный выход RCA, что увеличивает его функциональность. Плеер можно подключить, например, к активным колонкам, создав независимую HiFi-систему. В распоряжении пользователей семь режимов фильтрации, позволяющих настроить звук по своему вкусу.
aune X5s, посвященная 8-й годовщине, с двусторонним Bluetooth
Модель aune X5s 8th Anniversary Edition оснащена модулем CSR8675, который поддерживает подключение Bluetooth 5.0 и популярные аудиокодеки, включая aptX HD. Таким образом, вы можете подключить к нему свой смартфон и передавать по беспроводной сети аудиофайлы высокого разрешения, в том числе из таких потоковых сервисов, как Apple Music, Spotify или TIDAL.
aune X5s также может работать как Bluetooth-передатчик, передавая данные с носителя (microSD, внешние накопители) на беспроводные наушники или колонки. Это гарантирует передачу данных без помех, которые могут возникнуть в смартфонах.
Выпуск aune X5s, посвященный 8-й годовщине, с технологией FPGA
aune X5s 8th Anniversary Edition основан на запатентованной технологии FPGA 4-го поколения с асинхронной системой FIFO и тактовым сигналом со сверхнизким джиттером. Благодаря этому файлы, декодированные непосредственно чипом ARM, поступают в модуль FPGA, что гарантирует низкий уровень джиттера цифрового сигнала.
Асинхронная технология FPGA также используется для обработки данных, передаваемых по стандарту Bluetooth. Это обеспечивает одновременный вывод звука через цифровые (оптический и коаксиальный) и линейные (RCA) выходы.
aune X5s, юбилейное издание 8th Anniversary Edition, с внешними часами
Новый aune X5s оснащен часами на основе технологии ФАПЧ и кварцевым генератором с очень низким джиттером, что обеспечивает высокую точность. Транспорт компании дополнительно оснащен внешним тактовым входом 10 МГц. Это позволяет подключить модель Aune XC1, что приведет к еще большей точности.
Нет сбоев в работе Aune X5s, посвященного 8-й годовщине
В X5s 8th Anniversary Edition аудиоинженеры aune реализовали цифровой выход на основе полностью изолированного трансформатора. Это приводит к более высокой чистоте цифрового сигнала и более высокой устойчивости к помехам.
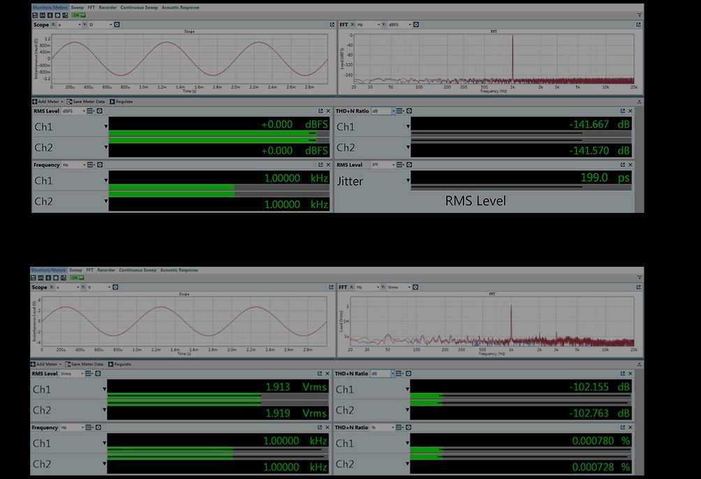
Отличные результаты измерений для Aune X5s, посвященного 8-й годовщине
Хорошо подготовленная система Aune X5s 8th Anniversary Edition подтверждена результатами испытаний. Они указывают, что сигнал, поступающий с цифровых выходов, характеризуется очень низким уровнем искажений (THD+N -141 дБ) и джиттером 199 пс. Линейный выход, в свою очередь, имеет очень низкий уровень шума (4,6 мкВ) и гармонических искажений (THD+N при -102 дБ).
Технические характеристики Aune X5s, посвященного 8-й годовщине
- размеры: 171 x 145 x 45 мм
- цифровые выходы: оптический, коаксиальный
- линейный выход: RCA
- поддерживаемые карты: microSD ( exFAT, FAT32)
- поддерживаемая память: флешки, портативные накопители (exFAT, FAT32)
- поддерживаемые аудиоформаты: WAV (до 32 бит/768 кГц), FLAC (до 32 бит/384 кГц), ALAC, AAC, MP3.
- Поддерживаемые файлы DSD: DSD64-512, DSF/DFF/SADC-ISO.
- Версия Bluetooth: 5.0. >
- Аудиокодеки Bluetooth: aptX HD, aptX, AAC, SBC
Характеристики цифрового выхода:
- THD+N: -141 дБ (24 бит/192 кГц; 1 кГц/0 дБ)
- Джиттер: 199 пс
Характеристики линейного выхода:
- выходной уровень: 2 В (среднеквадратичное значение)
- частотная характеристика: 20 Гц–20 кГц
- уровень шума: 4,6 мкВ
- THD+N: - 102 дБ
Об аудио aune
aune audio (Wuhan Ao Lai Er Technology Co., Ltd.) — компания, основанная в 2004 году, которая специализируется на производстве стационарных и портативных усилителей для наушников, цифро-аналоговых преобразователей и аудиоплееров. В его предложение также входят собственные наушники-вкладыши. Продукция бренда за годы работы получила множество наград, а сама компания почти каждый год попадает в десятку лучших аудиобрендов Китая.
За aune audio стоят шесть соучредителей, которые являются не только настоящими аудиофилами, но и экспертами во многих областях, таких как промышленный дизайн, электроакустическая инженерия, программирование, а также разработка и настройка громкоговорителей. Цель компании — представить продуманную продукцию с отличным качеством звука и привлекательным дизайном, а ее логотип вдохновлен концепцией «инь и янь».
